电脑桌面
添加小米粒文库到电脑桌面
安装后可以在桌面快捷访问

房地产住宅楼工程签证VIP专享VIP免费

房地产住宅楼工程签证_第1页
1/40
房地产住宅楼工程签证_第2页
2/40
房地产住宅楼工程签证_第3页
3/40
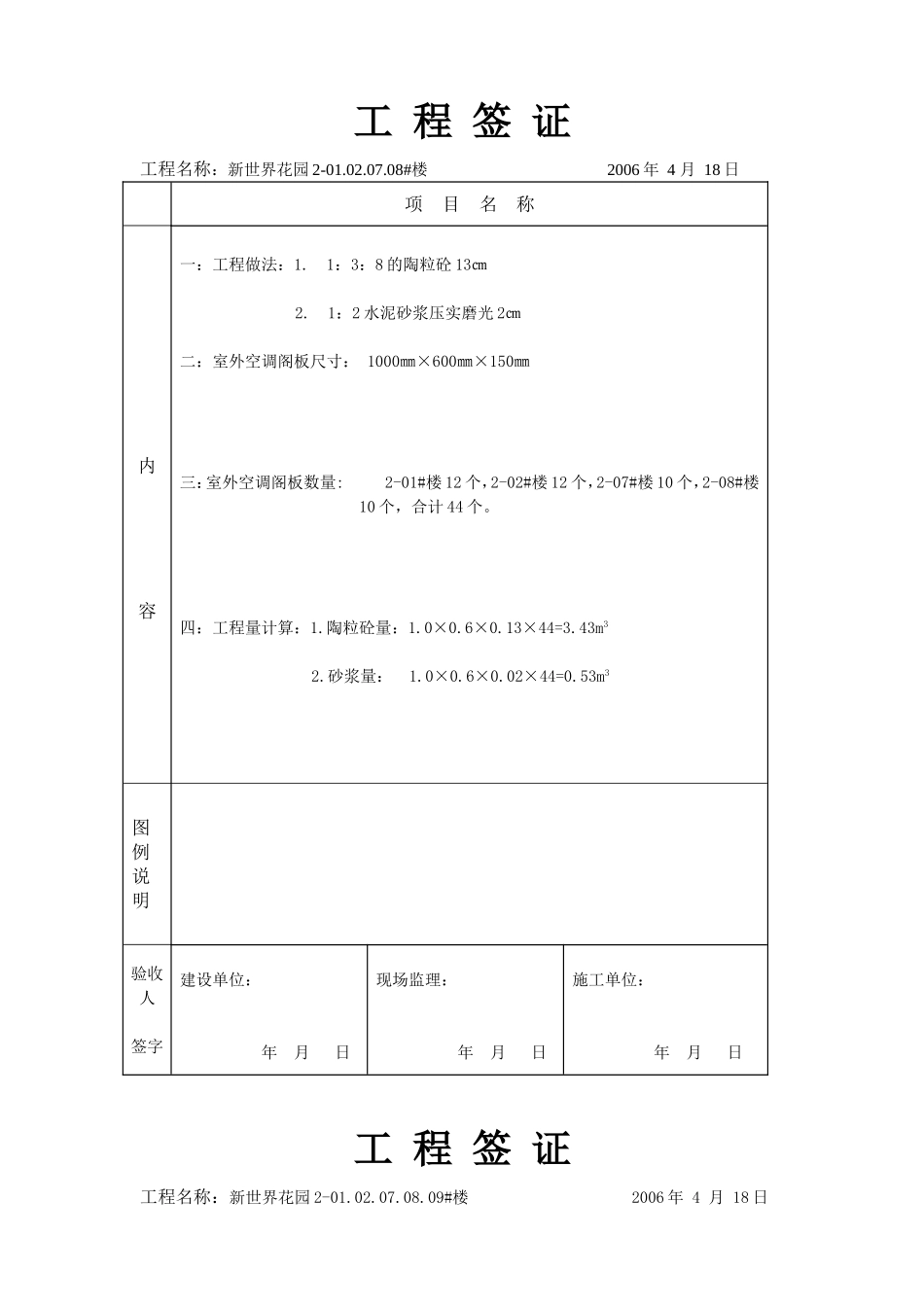
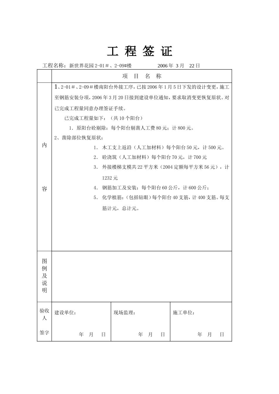
工程签证工程名称:新世界花园2-01#、2-09#楼2006年3月22日项目名称内容1、2-01#、2-09#楼南阳台外接工序,已按2006年1月5日下发的设计变更,施工至钢筋安装分项,2006年3月20日接到建设单位通知,要求取消变更恢复原状。对已完成工程量同意办理签证手续。已完成工程量如下:(共10个阳台)1.原阳台砼剔除:每个阳台剔凿人工费80元;计800元。2、凿除部位恢复原状:1.木工支上返沿(人工加材料)每个阳台50元,计500元。2.砼浇筑(人工加材料)每个阳台70元,计700元3.外接楼梯支模共22平方米(2004定额每平方米56元),计1232元4.钢筋加工及安装:每个阳台60公斤,计600公斤;5.化学植筋:(包括钻眼)每个阳台40支筋,计400支筋。每支筋计元,总计元。图例及说明验收人签字建设单位:年月日现场监理:年月日施工单位:年月日工程签证工程名称:新世界花园2-01.02.07.08#楼2006年4月18日项目名称内容一:工程做法:1.1:3:8的陶粒砼13㎝2.1:2水泥砂浆压实磨光2㎝二:室外空调阁板尺寸:1000㎜×600㎜×150㎜三:室外空调阁板数量:2-01#楼12个,2-02#楼12个,2-07#楼10个,2-08#楼10个,合计44个。四:工程量计算:1.陶粒砼量:1.0×0.6×0.13×44=3.43m32.砂浆量:1.0×0.6×0.02×44=0.53m3图例说明验收人签字建设单位:年月日现场监理:年月日施工单位:年月日工程签证工程名称:新世界花园2-01.02.07.08.09#楼2006年4月18日工程签证项目名称内容1:进户门垛数量:2-01#18个,2-02#18个,2-07#15个,2-08#个15个,2-09#10个合计:76个。2:进户门垛原10㎝砖砌凿去5㎝改为5㎝砖砌数量,每凿除1个人工费20元,共计20×76=1520元。3:增加C20细石砼量:2.1×0.24×0.05×76=1.91m34:支模板量:2.1×(0.24+0.05+0.05)×76=54.3m2图例说明验收人签字建设单位:年月日现场监理:年月日施工单位:2006年4月18日工程名称:新世界花园2-01.02.07.08.09#楼2006年5月20日工程签证工程名称:新世界花园B区2-07、08#楼2006年5月20日项目名称项目名称内容根据建设单位C2-2006/05-40工程联系单第七项的要求,在客厅设置柜机的外墙离地200处增加ф75的空洞,我施工对以按此要求施工完毕,共计增打ф75空洞柒拾陆个,每个洞计价壹拾伍元。图例说明验收人签字建设单位:年月日现场监理:年月日施工单位:2006年5月20日内容地下室管道井因设计变更需要凿除重砌,我方已按此要求完成了凿除作业,共计凿除管道井12个,原管道井砌筑墙体长1800,高2500,宽240,单只体积为1.08m3,凿除共用人工三十六工日,每工日计价五十元。凿除后按2005年10月27日建设单位通知做法进行重砌。图例及说明附建设单位工程联系单验收人签字建设单位:年月日现场监理:年月日施工单位:2006年5月20日工程签证工程名称:新世界花园B区2-01、02、07、08、09#楼2006年5月20日项目名称内容建设单位下发的2006年3月21日编号第0603005号工程联系单,要求B区地下室卫生间改为洗衣机房,我施工对以按此要求施工。地面以浇筑完毕,所预留的排水、排污管及地漏全部堵死。后来又下发C2-0604002号联系单,取消洗衣机房仍按原图施工,给施工带来返工处理。从而增加工程量如下:切割地面混凝土及恢复原预留洞增加工日:2-01#楼:10个工日×6个卫生间=60个工日2-02#楼:10个工日×4个卫生间=40个工日2-07#楼:12个工日×6个卫生间=72个工日2-08#楼:12个工日×6个卫生间=72个工日2-09#楼:12个工日×4个卫生间=48个工日合计工日:292增加的量:DN110PVC排水管1.2m*28=33.6mDN50PVC排水管5m*28=140mDN50PVC地漏4个*28=112个图例及说明附建设单位工程联系单验收人签字建设单位:年月日现场监理:年月日施工单位:2006年5月20日工程签证工程名称:新世界花园2-01.02.07.08.09#楼2006年5月22日项目名称内容根据建设单位工程联系单第A0512004号工程联系单处理见:1、车库门增加工程量:86型线盒28个车库×2个=56个Ф20PVC线管32m×28个车库=896m墙面开槽,修复共892mBV3×2.5㎡导线、预留1.5m设备接线长度:(768+56*1.5)×3=2556m2、从AL-1到M箱原BV3×2.5㎡改为BV3×4㎡线:每个车库23.6m×3根×28个车库=1982.4m图例说明附...

1、当您付费下载文档后,您只拥有了使用权限,并不意味着购买了版权,文档只能用于自身使用,不得用于其他商业用途(如 [转卖]进行直接盈利或[编辑后售卖]进行间接盈利)。
2、本站所有内容均由合作方或网友上传,本站不对文档的完整性、权威性及其观点立场正确性做任何保证或承诺!文档内容仅供研究参考,付费前请自行鉴别。
3、如文档内容存在违规,或者侵犯商业秘密、侵犯著作权等,请点击“违规举报”。

碎片内容

房地产住宅楼工程签证

确认删除?
VIP
微信客服
  • 扫码咨询
会员Q群
  • 会员专属群点击这里加入QQ群
客服邮箱
回到顶部