电脑桌面
添加小米粒文库到电脑桌面
安装后可以在桌面快捷访问

数控加工实训指导书

数控加工实训指导书_第1页
1/14
数控加工实训指导书_第2页
2/14
数控加工实训指导书_第3页
3/14
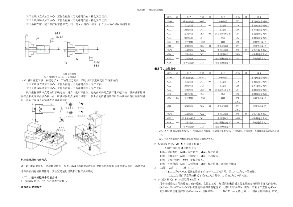
数控中心教研室2024 年 8 月 24 日绪论1《数控车加工与编程》实训的目的1、熟悉了解数控车床的结构组成及工作原理。2、熟练掌握待加工零件的装夹、定位、加工路线设置及加工参数调校等实际操作工艺。3、熟练掌握阶梯轴、成型面、螺纹等车削零件,能分析推断并解决加工程序中所出现的错误。4、学会排除机床电气及机械方面的一般性故障。5、熟练操作数控车并能加工出中等复杂程度的零件。6、初步了解与掌握程序转存和联机控制等 DNC 加工方面的知识及操作方法。7、复习掌握数控技术职业资格考试要求的其它应知、应会的内容。积极争取通过职业技术资格考试。2实训内容与实训计划安排1、实训的主要内容1.1 数控车床的操作与编程训练(1)、操作面板的熟悉和控制软件的基本使用。(2)、坐标系的建立,工件和刀具的装夹,刀具的对刀找正。(3)、基本编程指令的讲解。手工编程与程序输入训练,空运行校验。(4)、固定循环指令的讲解。编程与程序输入训练,空运行校验。(5)、螺纹零件的车削编程训练。学会排除程序及加工方面的简单故障。(6)、刀具补偿及编程训练。手工换刀与自动换刀的基本操作。(7)、多把刀具的对刀、刀库数据设置。(8)、实际车削训练,合理设置各工艺参数。(9)、理论课:复习总结车床加工的应知、应会内容。2、实训计划安排2.1 实训具体内容与时间安排表周次学时星期教学内容(理论学习、实训操作、复习、考试等)实训报告备注2数控车削基本编程4实训:数控车的基本操作、程序输入调试2车削循环编程4实训:车削循环程序调试2实训:数控车床的对刀、坐标系建立2实训:自编程序调试2螺纹车削、刀补与换刀4实训:螺纹车削程序调试2实训:刀补及其设置2实训:换刀程序处理2实训:综合车削程序调试4实训:车削零件的综合加工4实训:车削零件的综合加工3数控机床的安全操作规程1、工作前仔细检查电网电压、油泵、润滑、油量是否正常,检查压力、冷却、油管、刀具、工装夹具是否完好,并作好机床的定期保养工作。2、机床通电启动后,先进行机械回零操作,然后试运转 5 分钟,确认机械、刀具、夹具、工件、数控参数等正确无误后,方能开始正常工作。3、仔细查验程序编制、参数设置、动作排序、刀具干涉、工件装夹、开关保护等环节是否完全无误,以免循环加工时造成事故、损坏刀具及相关部件。严格按操作流程进行试切对刀,调试完成后要做好程序保护工作。4、自动循环加工时,应关好防护拉门,在主轴旋转同时需要进行手动...

1、当您付费下载文档后,您只拥有了使用权限,并不意味着购买了版权,文档只能用于自身使用,不得用于其他商业用途(如 [转卖]进行直接盈利或[编辑后售卖]进行间接盈利)。
2、本站所有内容均由合作方或网友上传,本站不对文档的完整性、权威性及其观点立场正确性做任何保证或承诺!文档内容仅供研究参考,付费前请自行鉴别。
3、如文档内容存在违规,或者侵犯商业秘密、侵犯著作权等,请点击“违规举报”。

碎片内容

数控加工实训指导书

您可能关注的文档

确认删除?
VIP
微信客服
  • 扫码咨询
会员Q群
  • 会员专属群点击这里加入QQ群
客服邮箱
回到顶部