电脑桌面
添加小米粒文库到电脑桌面
安装后可以在桌面快捷访问

机械设计电子稿说明书田宁

机械设计电子稿说明书田宁_第1页
1/10
机械设计电子稿说明书田宁_第2页
2/10
机械设计电子稿说明书田宁_第3页
3/10
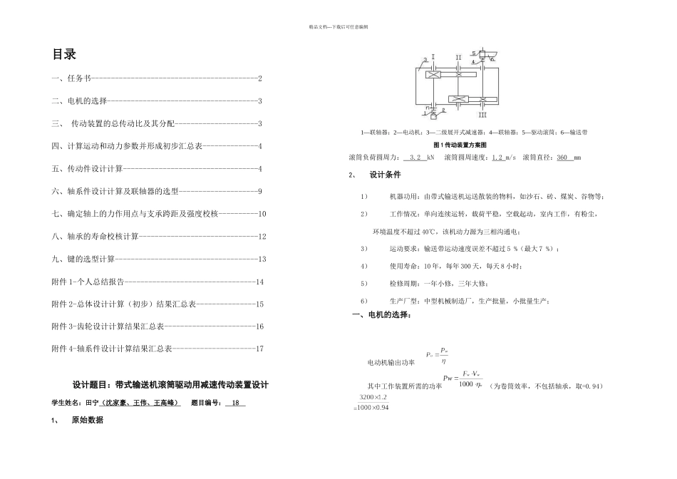
精品文档---下载后可任意编辑二级展开式圆柱齿轮减速器设计计算说明书专 业:机械设计制造及其自动化 班 级: 机电 0902 姓 名:田宁学 号: 30903057 浙江大学城市学院工程分院2024 年 11 月精品文档---下载后可任意编辑目录一、任务书------------------------------------------2二、电机的选择--------------------------------------3三、 传动装置的总传动比及其分配---------------------3四、计算运动和动力参数并形成初步汇总表--------------4五、传动件设计计算----------------------------------4六、轴系件设计计算及联轴器的选型--------------------9七、确定轴上的力作用点与支承跨距及强度校核----------10八、轴承的寿命校核计算------------------------------12九、键的选型计算------------------------------------13附件 1-个人总结报告---------------------------------14附件 2-总体设计计算(初步)结果汇总表---------------15附件 3-齿轮设计计算结果汇总表-----------------------16附件 4-轴系件设计计算结果汇总表---------------------17 设计题目:带式输送机滚筒驱动用减速传动装置设计学生姓名:田宁(沈家豪、王伟、王高峰) 题目编号: 18 1、原始数据 1—联轴器;2—电动机;3—二级展开式减速器;4—联轴器;5—驱动滚筒;6—输送带图 1 传动装置方案图滚筒负荷圆周力: 3.2 kN 滚筒圆周速度:1.2 m/s 滚筒直径:360 mm2、设计条件1)机器功用:由带式输送机运送散装的物料,如沙石、砖、煤炭、谷物等;2)工作情况:单向连续运转,载荷平稳,空载起动,室内工作,有粉尘, 环境温度不超过 40℃,该机动力源为三相沟通电;3)运动要求:输送带运动速度误差不超过 5 %(最大 7 %);4)使用寿命:10 年,每年 300 天,每天 8 小时;5)检修周期:一年小修,三年大修;6)生产厂型:中型机械制造厂,生产批量,小批量生产;一、电机的选择: 电动机输出功率 其中工作装置所需的功率 (为卷筒效率,不包括轴承,取=0.94)=精品文档---下载后可任意编辑 电机轴至卷筒轴的传动装置总效率 (式中:为联轴器效率 =0.98; 为齿轮传动效率 =0.97; 为轴承效率 =0.98 *由表 2-4 中得 )4.60 KW 卷筒轴工作转速为 r/min 按推举的传动的合理范围,二级展开式圆柱齿轮减速器的传动比: 故电机转速的可选范围为 r/min 初选为同步转速为 1000r/min 的...

1、当您付费下载文档后,您只拥有了使用权限,并不意味着购买了版权,文档只能用于自身使用,不得用于其他商业用途(如 [转卖]进行直接盈利或[编辑后售卖]进行间接盈利)。
2、本站所有内容均由合作方或网友上传,本站不对文档的完整性、权威性及其观点立场正确性做任何保证或承诺!文档内容仅供研究参考,付费前请自行鉴别。
3、如文档内容存在违规,或者侵犯商业秘密、侵犯著作权等,请点击“违规举报”。

碎片内容

机械设计电子稿说明书田宁

您可能关注的文档

确认删除?
VIP
微信客服
  • 扫码咨询
会员Q群
  • 会员专属群点击这里加入QQ群
客服邮箱
回到顶部