电脑桌面
添加小米粒文库到电脑桌面
安装后可以在桌面快捷访问

样板间各工序施工质量要求标识牌

样板间各工序施工质量要求标识牌_第1页
1/10
样板间各工序施工质量要求标识牌_第2页
2/10
样板间各工序施工质量要求标识牌_第3页
3/10
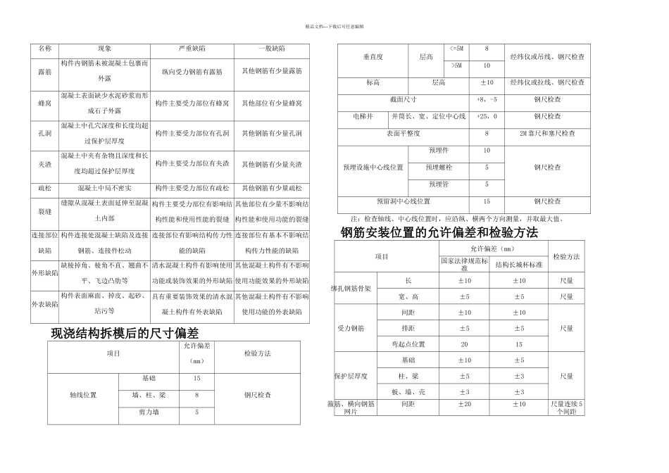
精品文档---下载后可任意编辑名称现象严重缺陷一般缺陷露筋构件内钢筋未被混凝土包裹而外露纵向受力钢筋有露筋其他钢筋有少量露筋蜂窝混凝土表面缺少水泥砂浆而形成石子外露构件主要受力部位有蜂窝其他部位有少量蜂窝孔洞混凝土中孔穴深度和长度均超过保护层厚度构件主要受力部位有孔洞其他钢筋有少量孔洞夹渣混凝土中夹有杂物且深度和长度均超过保护层厚度构件主要受力部位有夹渣其他钢筋有少量夹渣疏松混凝土中局不密实构件主要受力部位有疏松其他钢筋有少量疏松裂缝缝隙从混凝土表面延伸至混凝土内部构件主要受力部位有影响结构性能和使用性能的裂缝其他部位有少量不影响结构性能和使用功能的裂缝连接部位缺陷构件连接处混凝土缺陷及连接钢筋、连接件松动连接部位有影响结构传力性能的缺陷连接部位有基本不影响结构传力性能的缺陷外形缺陷缺棱掉角、棱角不直、翘曲不平、飞边凸肋等清水混凝土构件有影响使用功能或装饰效果的外形缺陷其他混凝土构件有不影响使用功能效果的外形缺陷外表缺陷构件表面麻面、掉皮、起砂、玷污等具有重要装饰效果的清水混凝土构件有外表缺陷其他混凝土构件有不影响使用功能的外表缺陷现浇结构拆模后的尺寸偏差项目允许偏差(mm)检验方法轴线位置基础15钢尺检查墙、柱、梁8剪力墙5垂直度层高<=5M8经纬仪或吊线、钢尺检查>5M10标高层高±10经纬仪或拉线、钢尺检查截面尺寸+8,-5钢尺检查电梯井井筒长、宽、定位中心线+25,0钢尺检查表面平整度82M 靠尺和塞尺检查预埋设施中心线位置预埋件10钢尺检查预埋螺栓5预埋管5预留洞中心线位置15钢尺检查注:检查轴线、中心线位置时,应沿纵、横两个方向测量,并取最大值。钢筋安装位置的允许偏差和检验方法项目允许偏差(mm)检验方法国家法律规范标准结构长城杯标准绑扎钢筋骨架长±10±10尺量宽、高±5±5尺量受力钢筋间距±10±10尺量排距±5±5弯起点位置2015保护层厚度基础±10±5尺量柱、梁±5±3板、墙、壳±3±3箍筋、横向钢筋网片间距±20±10尺量连续 5个间距精品文档---下载后可任意编辑网格尺寸±20±10梁、板受力钢筋搭接锚固长度入支座、节点搭接—+10、-5尺量入支座、节点锚固—±5尺量预埋件中心线位置5—尺量水平高差+3,0—钢尺和塞尺检查注:1、检查预埋件中心线位置时,应沿纵、横两个方向量测,并取其中的较大值; 2、表中梁类、板类构件上部纵向受力钢筋保护层厚度的合格点率应达到 90%及以上,且不得有超过表中数值 1.5 倍的尺寸偏差。模板安装允...

1、当您付费下载文档后,您只拥有了使用权限,并不意味着购买了版权,文档只能用于自身使用,不得用于其他商业用途(如 [转卖]进行直接盈利或[编辑后售卖]进行间接盈利)。
2、本站所有内容均由合作方或网友上传,本站不对文档的完整性、权威性及其观点立场正确性做任何保证或承诺!文档内容仅供研究参考,付费前请自行鉴别。
3、如文档内容存在违规,或者侵犯商业秘密、侵犯著作权等,请点击“违规举报”。

碎片内容

样板间各工序施工质量要求标识牌

不二商店+ 关注
实名认证
内容提供者

我是你的不二选择

确认删除?
VIP
微信客服
  • 扫码咨询
会员Q群
  • 会员专属群点击这里加入QQ群
客服邮箱
回到顶部