电脑桌面
添加小米粒文库到电脑桌面
安装后可以在桌面快捷访问

模具设计茶杯盖

模具设计茶杯盖_第1页
1/7
模具设计茶杯盖_第2页
2/7
模具设计茶杯盖_第3页
3/7
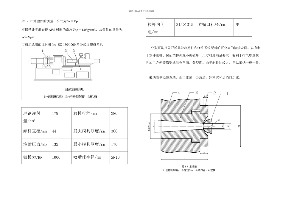
精品文档---下载后可任意编辑班级:机自 125 班姓名:马帅学号:202406024533精品文档---下载后可任意编辑茶杯盖注射模具设计一、塑件分析制件三维实体模型如下图所示,材料为 ABS,密度为 1.05g/cm3,收缩率0.3%-0.8%取 0.5%,生产批量为中批生产。由 solidworks 计算可得,单个制件的体积为。ABS 是由丙烯腈、丁二烯和苯乙烯三种化学单体合成。每种单体都具有不同特性,丙烯腈有高强度、热稳定性及化学稳定性;丁二烯具有坚韧性、抗冲击特性;苯乙烯具有易加工、高光洁度及高强度。图(一)茶杯盖,总高 54mm,径向最大长度近 100mm,厚度 10mm,内部有螺纹,该塑件茶杯盖如图(一)所示。该塑件为中小尺寸,一般精度等级,为保证精度,兼顾经济性,采纳一模一腔,并对制品进行后续加工。二、塑件成型工艺性分析2.1 塑件材料特性ABS 塑料一般不透明,无毒、无味,成形塑件的表面有较好的光泽。有良好的机械强度,特别是抗冲击强度高。ABS 还具有一定的耐磨性、耐寒性、耐油性、耐水性、化学稳定性和电性能。 缺点: 耐热性不高,并且耐气候性较差,在紫外线作用下易变硬发脆。2.2 塑件材料成形性能 使用 ABS 注射成形塑料制品时,由于其熔体黏度较高,所需的注射成形压力较高,因此塑件对型芯的包紧力较大,应采纳较大的脱模斜度。另外熔体黏度较高,制品易产生熔接痕,所以模具设计时应尽量减少浇注系统对料流的阻力。 ABS 易吸水,成形加工前应进行干燥处理。在正常的成形条件下,ABS 制品的尺寸稳定性较好。2.3 塑件的成形工艺参数确定查有关手册得到 ABS(抗冲)塑料的成形工艺参数:³; 收缩率 0.3%~0.8%; 预热温度 80°c~85°c,预热时间 2~3h; 料筒温度 后段 150°c~170°c , 中段 180°c~190°c , 前段 200°c~210°c ; 喷嘴温度 180°c~190°c; 模具温度 50°c~70°c ; 注射压力 60~100MPa ; 成形时间 注射时间 2~5s,保压时间 5~10s, 冷却时间 5~15s。三、茶杯盒盖的注塑模具设计3.1 注塑机的选择精品文档---下载后可任意编辑。计算塑件的质量:公式为 W=Vρ根据设计手册查得 ABS 树酯的密度为 ρ=1.05g/cm3,故塑件的重量为:W=Vρ×可初步选用的注射机为:SZ-160/1000 型卧式注塑成型机理论注射量/cm3179移模行程/mm280螺杆直径/mm44最大模具厚度/mm360注射压力/Mp132最小模具厚度/mm170锁模力/KN1000喷嘴球半径/mmSR10拉杆内间距/mm315×315喷嘴口孔径/mmΦ分型面是指分开...

1、当您付费下载文档后,您只拥有了使用权限,并不意味着购买了版权,文档只能用于自身使用,不得用于其他商业用途(如 [转卖]进行直接盈利或[编辑后售卖]进行间接盈利)。
2、本站所有内容均由合作方或网友上传,本站不对文档的完整性、权威性及其观点立场正确性做任何保证或承诺!文档内容仅供研究参考,付费前请自行鉴别。
3、如文档内容存在违规,或者侵犯商业秘密、侵犯著作权等,请点击“违规举报”。

碎片内容

模具设计茶杯盖

您可能关注的文档

确认删除?
VIP
微信客服
  • 扫码咨询
会员Q群
  • 会员专属群点击这里加入QQ群
客服邮箱
回到顶部