电脑桌面
添加小米粒文库到电脑桌面
安装后可以在桌面快捷访问

安全生产标准化13个核心要素及常用表格

安全生产标准化13个核心要素及常用表格_第1页
1/40
安全生产标准化13个核心要素及常用表格_第2页
2/40
安全生产标准化13个核心要素及常用表格_第3页
3/40
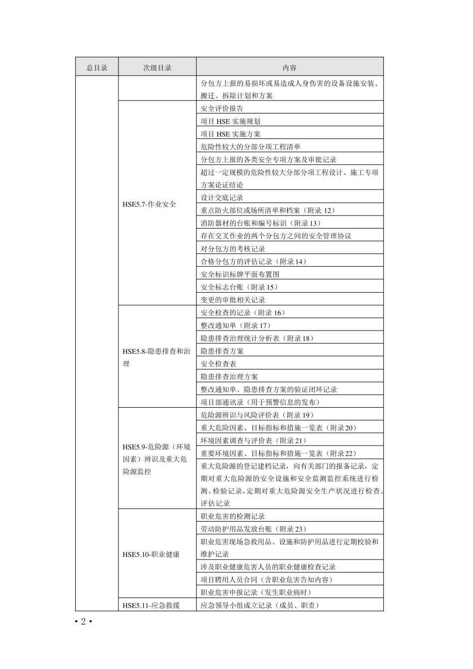
·1· 参考安全生产标准化 13 个核心要素,编制总承包项目部 HSE 内业资料分类目录见下表: 总目录 次级目录 内容 HSE5-管理文件 HSE5.1-HSE 目标 总承包项目的 HSE 管理目标 分包方的 HSE 管理目标 安全生产责任书 对目标的监督检查、评估、考核、纠偏、奖惩等记录 HSE5.2-HSE 组织机构和职责 项目部安全生产委员会成立记录 项目部主要管理人员任命文件 安委会各成员职责 安全生产委员会会议纪要 项目部四个责任体系发文 安全生产工作会议纪要 安全生产管理协议 特种作业人员和特种设备操作人员证书备案台账(附录 1) 安全生产责任制的考核记录(附录 2) 分包方企业资质、安全生产许可证的备案 总承包项目经理、安全总监、HSE 工程师的相关资格证书备案台账(附录 3) 分包方项目经理、安全员资格证书备案台账(附录3) HSE5.3-安全生产投入 安全生产费用的使用计划(附录 4) 安全生产费用使用台账(附录 4) HSE5.4-法律法规与安全管理制度 适用的法律法规(附录 5)、标准规范清单(附录 6) 识别和获取的法律法规、标准规范的学习和传达记录 项目部各项规章制度:部门职责、岗位职责、安全专项策划制度、安全专项方案审批制度、安全费用管理制度、劳保用品管理制度、培训教育制度、安委会工作制度、项目部会议例会制度、安全检查与隐患排查治理制度、应急管理制度、HSE 考核制度、设备设施管理制度、车辆管理制度、作息制度、请休假管理制度、交 通 安全管理制度、变更 管理制度、内业资料归 类制度等 法律法规、标准规范、规章制度的评估和修 订 记录 HSE5.5-教育培训 教育培训计划(附录 7) 开 展 教育培训的记录和档 案(日 常 、专项、各类交 底 )(附录 8) 教育培训效 果 的评估记录 各类 HSE 主题 活 动 (安全月 、环 境 日 )的开 展 记录 HSE5.6-设备设施 特种设备管理总台账(附录 9) 车辆的交 接 (附录 10)、检查、维 护 保养 记录、行 车记录(附录 11) 特种设备当 地 主管部门的注 册 登 记台账 分包方上 报 的特种设备的保养 和定 期 检测 记录 ·2· 总目录 次级目录 内容 分包方上报的易损坏或易造成人身伤害的设备设施安装、搬迁、拆除计划和方案 HSE5.7-作业安全 安全评价报告 项目 HSE 实施规划 项目 HSE 实施方案 危险性较大的分部分项工程清单 分包方上报的各类安全专项方案及审...

1、当您付费下载文档后,您只拥有了使用权限,并不意味着购买了版权,文档只能用于自身使用,不得用于其他商业用途(如 [转卖]进行直接盈利或[编辑后售卖]进行间接盈利)。
2、本站所有内容均由合作方或网友上传,本站不对文档的完整性、权威性及其观点立场正确性做任何保证或承诺!文档内容仅供研究参考,付费前请自行鉴别。
3、如文档内容存在违规,或者侵犯商业秘密、侵犯著作权等,请点击“违规举报”。

碎片内容

安全生产标准化13个核心要素及常用表格

小辰+ 关注
实名认证
内容提供者

出售各种文档和资料

确认删除?
VIP
微信客服
  • 扫码咨询
会员Q群
  • 会员专属群点击这里加入QQ群
客服邮箱
回到顶部