电脑桌面
添加小米粒文库到电脑桌面
安装后可以在桌面快捷访问

安川变频器的调试

安川变频器的调试_第1页
1/10
安川变频器的调试_第2页
2/10
安川变频器的调试_第3页
3/10
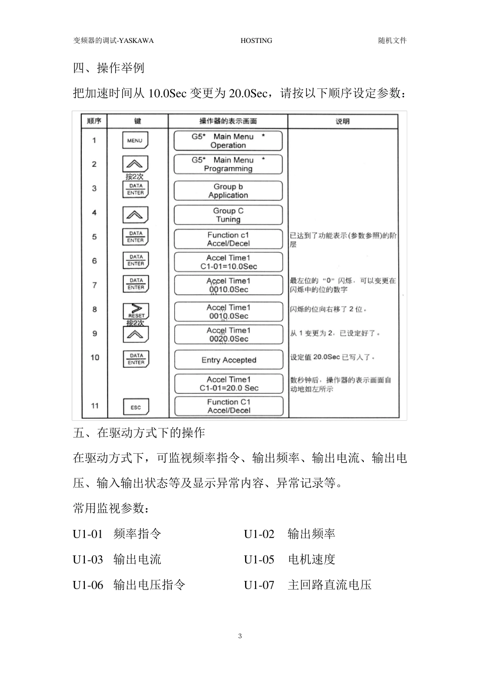
变频器的调试-YASKAWA HOSTING 随机文件 1 第一部分 变频器的操作方法 一、操作面板各部的名称: 图 1 操作面板布置 二、操作键的功能: 1. LOCAL/REMOTE:用数字操作器运行(COCAL)和用控制回路端子运行(REMOTE)切换时按下,由参数(o2-01)可设定这个键的有效/无效。 2. MENU:菜单键,按此键可进入参数设置。 3. ESC:按一下 ESC 键,则回到前一个状态。 4. JOG:操作器运行时的点动运行键。 5. FWD/REV:操作器运行时,运转方向切换键。 6. RESET:设定参数数值时,选择操作位;故障发生时,作为故障复位键。 变频器的调试-YASKAWA HOSTING 随机文件 2 7. 增加键:选择方式、组、功能、参数的名称、设定值(增加)时按下此键。 8. 减少键:选择方式、组、功能、参数的名称、设定值(减少)时按下此键。 9. DATA/ENTER:各模式、功能、参数、设定值确认时按下此键。 10. RUN:操作器运行时,按下此键起动变频器。 11. STOP:操作器运行时,按下此键停止变频器;控制回路端子运行时,由参数(o2-01)可以设定这个键的有效/无效。 三、方式的切换 按(MENU)键,表示驱动方式,然后按、键切换方式。读取、设定各方式中参数时,按(DATA/ENTER)键。从参数的读取、设定状态返回前一状态时,按(ESC)键。具体操作如下图: 图 2 方式的切换 变频器的调试-YASKAWA HOSTING 随机文件 3 四、操作举例 把加速时间从 10.0Sec变更为 20.0Sec,请按以下顺序设定参数: 五、在驱动方式下的操作 在驱动方式下,可监视频率指令、输出频率、输出电流、输出电压、输入输出状态等及显示异常内容、异常记录等。 常用监视参数: U1-01 频率指令 U1-02 输出频率 U1-03 输出电流 U1-05 电机速度 U1-06 输出电压指令 U1-07 主回路直流电压 变频器的调试-YASKAWA HOSTING 随机文件 4 U1-08 输出功率 U1-09 力矩指令 U1-10 输入端子的状态 U1-11 输出端子的状态 U1-12 变频器的运行状态 U1-13 累计运行时间 U3-01 前1 回故障内容 U3-02 前2 回故障内容 U3-03 前3 回故障内容 U3-04 前4 回故障内容 U3-05 第1 次故障发生时间 U3-06 第2 次故障发生时间 U3-07 第3 次故障发生时间 U3-08 第4 次故障发生时间 图3 驱动方式下的操作方法 变频器的调试-YASKAWA HOSTING 随机文件 5 第二部分 变频器的调整 一、 确认电机旋转方向...

1、当您付费下载文档后,您只拥有了使用权限,并不意味着购买了版权,文档只能用于自身使用,不得用于其他商业用途(如 [转卖]进行直接盈利或[编辑后售卖]进行间接盈利)。
2、本站所有内容均由合作方或网友上传,本站不对文档的完整性、权威性及其观点立场正确性做任何保证或承诺!文档内容仅供研究参考,付费前请自行鉴别。
3、如文档内容存在违规,或者侵犯商业秘密、侵犯著作权等,请点击“违规举报”。

碎片内容

安川变频器的调试

确认删除?
VIP
微信客服
  • 扫码咨询
会员Q群
  • 会员专属群点击这里加入QQ群
客服邮箱
回到顶部