电脑桌面
添加小米粒文库到电脑桌面
安装后可以在桌面快捷访问

A333 Gr6管状对接氩弧焊焊接工艺评定

A333 Gr6管状对接氩弧焊焊接工艺评定_第1页
1/13
A333 Gr6管状对接氩弧焊焊接工艺评定_第2页
2/13
A333 Gr6管状对接氩弧焊焊接工艺评定_第3页
3/13
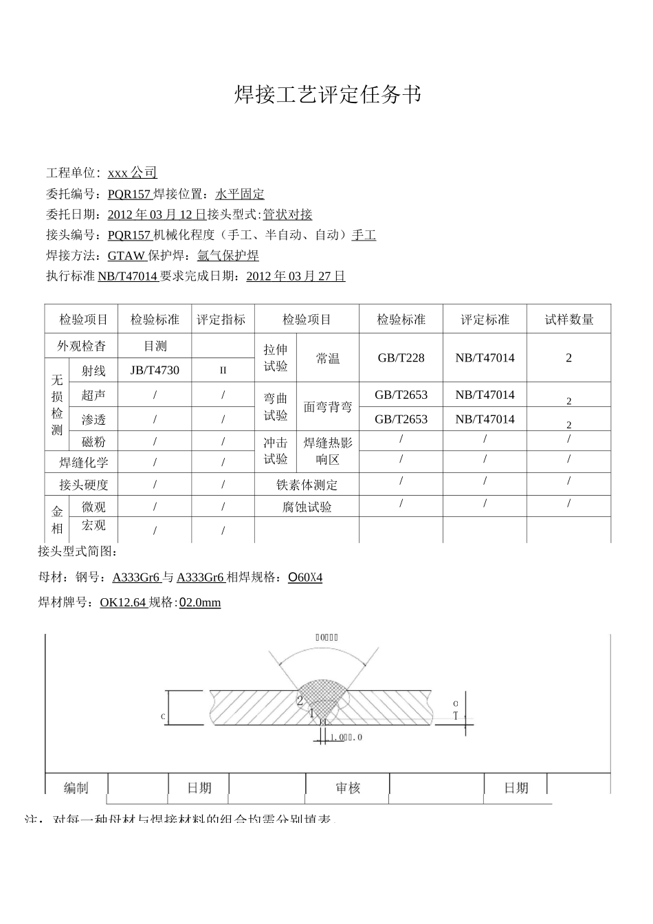
xxx 公司焊接工艺评定编号:PQR157-GTAW-Fe1/Fe1-4编制:审核:批准:目录一、焊接工艺评定任务书(共 1 页二、预焊接工艺规程(pWPS)(共 2 页)三、焊接工艺评定报告(共 3 页)四、附件(共 9 页)焊接工艺评定任务书工程单位:XXX 公司 委托编号:PQR157 焊接位置:水平固定委托日期:2012 年 03 月 12 日 接头型式:管状对接接头编号:PQR157 机械化程度(手工、半自动、自动)手工焊接方法:GTAW 保护焊:氩气保护焊执行标准 NB/T47014 要求完成日期:2012 年 03 月 27 日 检验项目检验标准评定指标检验项目检验标准评定标准试样数量外观检杳目测拉伸试验常温GB/T228NB/T470142无损检测射线JB/T4730II超声//弯曲试验面弯背弯GB/T2653NB/T470142渗透//GB/T2653NB/T470142磁粉//冲击试验焊缝热影响区///焊缝化学/////接头硬度//铁素体测定///金相微观//腐蚀试验///宏观//接头型式简图:母材:钢号:A333Gr 6 与 A333Gr 6 相焊规格:O 60 X 4 焊材牌号:OK12.64 规格:0 2.0mm o注:对每一种母材与焊接材料的组合均需分别填表。oT简图:(接头形式、坡口形式与尺寸、焊层、焊道布置及顺序)焊材类别:焊材标准:填充金属尺寸:焊材型号:焊材牌号(金属材代FeS-1-1AWSA5.18-93Q2.0ER70S-6OK12.64(H08Mn2Si预焊接工艺规程(pWPS)单位名称:公司预焊接工艺规程编号:一 pWPS-157 日期 2012 年 03 月 13 日 所依据焊接工艺评定报告编号:PQR157焊接方法:GTAW 机动化程度(手工、机动、自动):手工焊接接头:坡口形式:V衬垫(材料及规格):/其他:/母材:类别号 Fe-1 组别号 Fe-1-2 与类别号一 Fe-1 组别号 Fe-1-2 相焊或标准号 ASME—材料代号与标准号—ASME—材料代号 A333Gr 6 相焊对接焊缝焊件母材厚度范围:4mm角焊缝焊件母材厚度范围:/管子直径、壁厚范围:对接焊缝 60X4 角焊缝/其他/填充金属:填充金属类别:其他:l.onn.ooI.匸对接焊缝焊件焊缝金属厚度范围:4mm 角焊缝焊件焊缝金属厚度范围:/耐蚀堆焊金属化学成分(%):CSiMnPSCrNiMoVTiNb其他注:对每一种母材与焊接材料的组合均需分别填表。共 2 页第 2 页焊接位置:对接焊缝的位置水平固定立焊的焊接方向:(向上、向下)向上角焊缝位置/立焊的焊接方向:(向上\向下)/焊后热处理:温度范围(C)/保温时间范围(h)/预热:最小预热温度(°C)/最大道间温度(C)/保持预热时间/加热方式/气体:气体种类混合比流量(L/min...

1、当您付费下载文档后,您只拥有了使用权限,并不意味着购买了版权,文档只能用于自身使用,不得用于其他商业用途(如 [转卖]进行直接盈利或[编辑后售卖]进行间接盈利)。
2、本站所有内容均由合作方或网友上传,本站不对文档的完整性、权威性及其观点立场正确性做任何保证或承诺!文档内容仅供研究参考,付费前请自行鉴别。
3、如文档内容存在违规,或者侵犯商业秘密、侵犯著作权等,请点击“违规举报”。

碎片内容

A333 Gr6管状对接氩弧焊焊接工艺评定

确认删除?
VIP
微信客服
  • 扫码咨询
会员Q群
  • 会员专属群点击这里加入QQ群
客服邮箱
回到顶部