电脑桌面
添加小米粒文库到电脑桌面
安装后可以在桌面快捷访问

课时跟踪检测硫的转化练习题VIP免费

课时跟踪检测硫的转化练习题_第1页
1/5
课时跟踪检测硫的转化练习题_第2页
2/5
课时跟踪检测硫的转化练习题_第3页
3/5
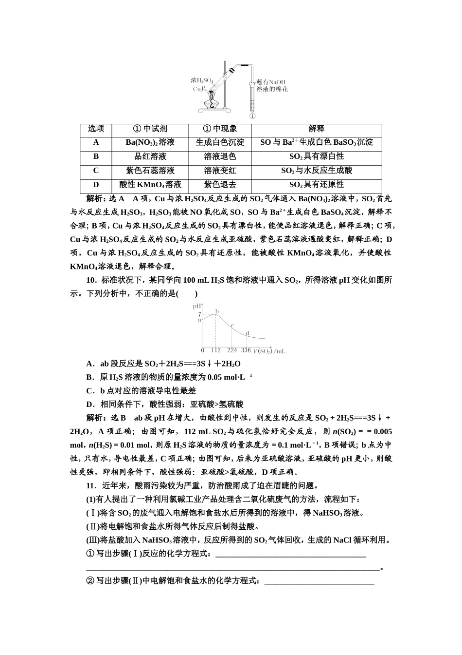
课时跟踪检测(十三)硫的转化1.(2016·濮阳检测)浓硫酸与下列物质作用时,既表现氧化性,又表现酸性的是()①红热的木炭②H2S气体③Cu④FeO⑤NH3⑥使木材炭化⑦CuSO4·5H2O⑧对铁、铝的钝化A.③④B.①②⑤⑧C.①②③④⑦D.以上答案均不正确解析:选A与木炭、H2S反应及Fe、Al钝化时浓硫酸只表现氧化性;浓硫酸与NH3反应时只表现酸性;⑥是浓硫酸的脱水性;⑦是浓硫酸的吸水性。③和④符合题意。2.(2016·盐城一模)最近我国科学家研究发现人体中微量的H2S能有效预防心脏病、老年性痴呆症。下列有关H2S的说法正确的是()A.H2S属于非电解质B.人体内H2S可由含硫蛋白质降解产生C.大量吸入H2S对人体无害D.H2S只有还原性没有氧化性解析:选B酸碱盐均属于电解质,硫化氢是酸,故属于电解质,故A错误;蛋白质中含有S元素,S元素降解后的产物是硫化氢,故B正确;硫化氢气体有毒,不能大量吸入人体,故C错误;硫化氢中S原子为-2价,具有还原性,H原子为+1价,具有氧化性,故D错误。3.下列能使品红溶液退色,且退色原理基本相同的是()①活性炭②氯水③二氧化硫④臭氧⑤过氧化钠⑥双氧水A.①②④B.②③⑤C.②④⑤⑥D.①②③④⑤⑥解析:选C物质的漂白性主要有三种原理:一是该物质具有强氧化性,如氯水、臭氧、过氧化钠、过氧化氢等;二是该物质与有机色素化合生成不稳定的无色化合物,如SO2;三是该物质具有很大的比表面积,具有很强的吸附色素的能力,如活性炭。4.(2016·秦皇岛质检)下列溶液,不能区别SO2和CO2气体的是()①石灰水②酸性KMnO4溶液③溴水④用HNO3酸化的Ba(NO3)2溶液⑤品红溶液A.①②③⑤B.②③④⑤C.只有①D.①②解析:选CCO2和SO2通入澄清石灰水中,都是先生成白色沉淀,气体过量时沉淀又溶解,所以石灰水不能区别;SO2有还原性,能使酸性KMnO4溶液退色,也能使溴水退色,而CO2不能,所以酸性KMnO4溶液和溴水能区别这两种气体;NO在酸性条件下能将SO2氧化成SO,SO与Ba2+结合成BaSO4沉淀,而CO2与Ba(NO3)2溶液不反应,所以HNO3酸化的Ba(NO3)2溶液能区别;SO2有漂白性,能使品红溶液退色,而CO2不能,所以品红溶液能区别。5.(2016·石景山模拟)SO2有毒,但葡萄酒里都含有SO2,起保鲜、杀菌和抗氧化作用。下列说法不正确的是()A.葡萄酒中的SO2对人体无害,是因为它的含量很少B.葡萄酒中的SO2具有抗氧化作用,是因为它具有较强的还原性C.从红葡萄酒的颜色判断,其中的SO2没有漂白性D.葡萄酒倒入酒杯摇一摇,可以减少其中SO2的含量解析:选CSO2有毒,但是含量在国家规定范围内对人体无害,通常用作葡萄酒杀菌,故A正确;二氧化硫具有还原性,具有抗氧化作用,故B正确;二氧化硫具有漂白性,但不能漂白红葡萄酒,故C错误;葡萄酒倒入酒杯摇一摇,压强减小,气体溶解度减小,故D正确。6.用下列两种途径制取H2SO4,某些反应条件和产物已省略,下列有关说法不正确的是()途径①S――→H2SO4途径②S――→SO2――→SO3――→H2SO4A.途径①反应中体现了浓HNO3的强氧化性和酸性B.途径②的第二步反应在实际生产中可以通过增大O2的浓度来降低成本C.由途径①和②分别制取1molH2SO4,理论上各消耗1molS,各转移6mol电子D.途径②与途径①相比较更能体现“绿色化学”的理念,因为途径②比途径①的污染相对较小且原子利用率较高解析:选A途径①反应的化学方程式可表示为S+6HNO3(浓)===H2SO4+6NO2↑+2H2O,属于浓硝酸和非金属单质的反应,产物中无盐生成,因此浓硝酸只表现氧化性而不表现酸性,A错。7.将少量SO2气体通入BaCl2和FeCl3的混合溶液中,溶液颜色由棕黄色变成浅绿色,同时有白色沉淀产生。针对上述变化,下列分析正确的是()A.该实验表明SO2有漂白性B.白色沉淀为BaSO3C.该实验表明FeCl3有还原性D.反应后溶液酸性增强解析:选D二氧化硫的漂白性是指二氧化硫和水反应生成的亚硫酸与有色物质结合为不稳定的无色物质,此反应中二氧化硫做还原剂,故A错误;二氧化硫被氧化为硫酸,生成的沉淀为硫酸钡,故B错误;反应中溶液由棕黄色变成浅绿色,三价铁变化为二价铁,该实验表明FeCl3具有氧化性,故C错误;反应后生成硫酸,酸性增强,故D正确。8.(2016·...

1、当您付费下载文档后,您只拥有了使用权限,并不意味着购买了版权,文档只能用于自身使用,不得用于其他商业用途(如 [转卖]进行直接盈利或[编辑后售卖]进行间接盈利)。
2、本站所有内容均由合作方或网友上传,本站不对文档的完整性、权威性及其观点立场正确性做任何保证或承诺!文档内容仅供研究参考,付费前请自行鉴别。
3、如文档内容存在违规,或者侵犯商业秘密、侵犯著作权等,请点击“违规举报”。

碎片内容

课时跟踪检测硫的转化练习题

您可能关注的文档

确认删除?
VIP
微信客服
  • 扫码咨询
会员Q群
  • 会员专属群点击这里加入QQ群
客服邮箱
回到顶部