电脑桌面
添加小米粒文库到电脑桌面
安装后可以在桌面快捷访问

定制式义齿规范现场检查指导原则

定制式义齿规范现场检查指导原则_第1页
1/22
定制式义齿规范现场检查指导原则_第2页
2/22
定制式义齿规范现场检查指导原则_第3页
3/22
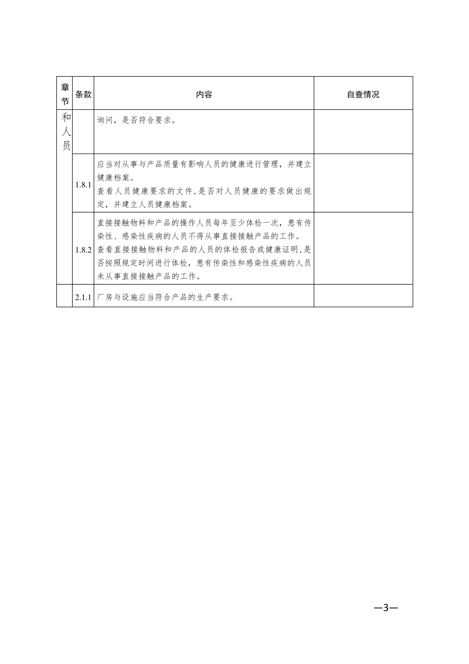
— 1— — 医 疗 器 械 生 产 质 量 管 理 规 范 定 制 式 义齿 现场检查指导原则 章节 条款 内容 自查情况 机 构 和 人 员 1 .1 .1 应当建立与医疗器械生产相适应的管理机构,具备组织机构图。 查看提供的质量手册,是否包括企业的组织机构图,是否明确各部门的相互关系。 1 .1 .2 应当明确各部门的职责和权限,明确质量管理职能。 查看企业的质量手册,程序文件或相关文件,是否对各部门的职责权限作出规定;质量管理部门应当能独立行使职能,查看质量管理部门的文件,是否明确规定对产品质量的相关事宜负有决策的权利。 1 .1 .3 生产管理部门和质量管理部门负责人不得互相兼任。 查看公司的任职文件或授权文件并对照相关生产、检验等履行职责的记录,核实是否与授权一致。 1 .2 .1 企业负责人应当是医疗器械产品质量的主要责任人。 1 .2 .2 企业负责人应当组织制定质量方针和质量目标。 查看质量方针和质量目标的制定程序、批准人员。 1 .2 .3 企业负责人应当确保质量管理体系有效运行所需的人力资源、基础设施和工作环境。 1 .2 .4 企业负责人应当组织实施管理评审,定期对质量管理体系运行情况进行评估,并持续改进。 查看管理评审文件和记录,核实企业负责人是否组织实施管理评审。 *1 .2 .5 企业负责人应当确保企业按照法律、法规和规章的要求组织生产。 1 .3 .1 企业负责人应当确定一名管理者代表。 查看管理者代表的任命文件。 — 2— — 章节 条款 内容 自查情况 机 构 和 人 员 机构1 .3 .2 管理者代表应当负责建立、实施并保持质量管理体系,报告质量管理体系的运行情况和改进需求,提高员工满足法规、规章和顾客要求的意识。 查看是否对上述职责作出明确规定。查看管理者代表报告质量管理体系运行情况和改进的相关记录。 1 .4 .1 技术、生产和质量管理负责人应当具有口腔修复学相关专业知识,并具有相应的实践经验,应当有能力对生产管理和质量管理中实际问题作出正确判断和处理。 查看部门负责人的任职资格要求,是否对专业知识、工作技能、工作经历作出规定。查看学历证书、职称证书、培训考核评价记录,现场询问,是否符合要求。 与口腔修复学相关的专业一般包括:口腔修复学、口腔解剖学、牙体解剖学、口腔材料学、色彩学、雕刻学、口腔生物力学等。 1 .5 .1 应当配备与生产产品相适应的专业技术人员、管理人员和操作人员。 ...

1、当您付费下载文档后,您只拥有了使用权限,并不意味着购买了版权,文档只能用于自身使用,不得用于其他商业用途(如 [转卖]进行直接盈利或[编辑后售卖]进行间接盈利)。
2、本站所有内容均由合作方或网友上传,本站不对文档的完整性、权威性及其观点立场正确性做任何保证或承诺!文档内容仅供研究参考,付费前请自行鉴别。
3、如文档内容存在违规,或者侵犯商业秘密、侵犯著作权等,请点击“违规举报”。

碎片内容

定制式义齿规范现场检查指导原则

确认删除?
VIP
微信客服
  • 扫码咨询
会员Q群
  • 会员专属群点击这里加入QQ群
客服邮箱
回到顶部