电脑桌面
添加小米粒文库到电脑桌面
安装后可以在桌面快捷访问

实验一力矩式自整角机实验(实际做四个实验)

实验一力矩式自整角机实验(实际做四个实验)_第1页
1/16
实验一力矩式自整角机实验(实际做四个实验)_第2页
2/16
实验一力矩式自整角机实验(实际做四个实验)_第3页
3/16
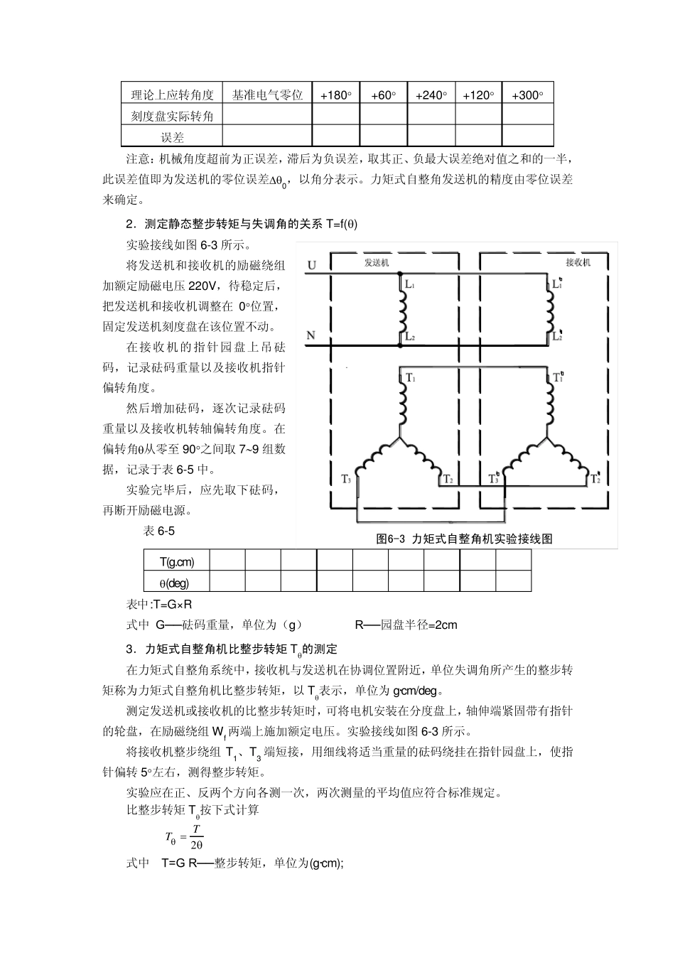
实验一 力矩式自整角机实验 一.实验目的 1.了解力矩式自整角机精度和特性的测定方法。 2.掌握力矩式自整角机系统的工作原理和应用知识。 二.预习要点 1.力矩式自整角机的工作原理。 2.力矩式自整角机精度与特性的测试方法。 3.力矩式自整角机比整步转矩的测量方法。 三.实验项目 1.测定力矩式自整角发送机的零位误差。 2.测定力矩式自整角机静态整步转矩与失调角的关系曲线。 3.测定力矩式自整角机比整步转矩(又称比力矩)及阻尼时间。 4.测定力矩式自整角机的静态误差。 四.实验设备及仪器 1.NMEL 系列电机系统教学实验台主控制屏(NMEL-II) 2.自整角机实验仪 五.实验方法 1.测定力矩式自整角发送机的零位误差0 测量线路如图 6-2 所示。 励磁绕组两端 L1L2 施加额定激励电压 UN(220V);将整步绕组 T2-T3 端接数字式交流电压表,测输出电压。 旋转刻度盘,找出输出电压为最小的位置作为基准电气零位。从基准电气零位开始,刻度盘每转过60,整步绕组中有一线间电势为零的位置。此位置称作理论电气零位。 整步绕组三线间共有 6 个零位。实验时,对应T2-T3,转子从基准电气零位正方向转动0、180;则T3-T1 转至 60、240;T1-T2 转至 120、300。实测整步绕组三线间 6 个输出电压为最小值的相应位置角度与电气角度并记录于表 6-5 中。 表 6-5 图6-2 测定力矩式自整角机零位误差交流电源输出理论上应转角度 基准电气零位 +180 +60 +240 +120 +300 刻度盘实际转角 误差 注意:机械角度超前为正误差,滞后为负误差,取其正、负最大误差绝对值之和的一半,此误差值即为发送机的零位误差0,以角分表示。力矩式自整角发送机的精度由零位误差来确定。 2.测定静态整步转矩与失调角的关系 T=f() 实验接线如图 6-3 所示。 将发送机和接收机的励磁绕组加额定励磁电压 220V,待稳定后,把发送机和接收机调整在 0位置,固定发送机刻度盘在该位置不动。 在接收机的指针园盘上吊砝码,记录砝码重量以及接收机指针偏转角度。 然后增加砝码,逐次记录砝码重量以及接收机转轴偏转角度。在偏转角从零至 90之间取79 组数据,记录于表 6-5 中。 实验完毕后,应先取下砝码,再断开励磁电源。 表 6-5 T(g.cm) (deg) 表中:T=G×R 式中 G──砝码重量,单位为(g) R──园盘半径=2cm 3.力矩式自整角机比整步转矩T的测定 在力...

1、当您付费下载文档后,您只拥有了使用权限,并不意味着购买了版权,文档只能用于自身使用,不得用于其他商业用途(如 [转卖]进行直接盈利或[编辑后售卖]进行间接盈利)。
2、本站所有内容均由合作方或网友上传,本站不对文档的完整性、权威性及其观点立场正确性做任何保证或承诺!文档内容仅供研究参考,付费前请自行鉴别。
3、如文档内容存在违规,或者侵犯商业秘密、侵犯著作权等,请点击“违规举报”。

碎片内容

实验一力矩式自整角机实验(实际做四个实验)

您可能关注的文档

小辰5+ 关注
实名认证
内容提供者

出售各种资料和文档

相关文档

确认删除?
VIP
微信客服
  • 扫码咨询
会员Q群
  • 会员专属群点击这里加入QQ群
客服邮箱
回到顶部