电脑桌面
添加小米粒文库到电脑桌面
安装后可以在桌面快捷访问

八大危险作业票(GB308712014)

八大危险作业票(GB308712014)_第1页
1/9
八大危险作业票(GB308712014)_第2页
2/9
八大危险作业票(GB308712014)_第3页
3/9
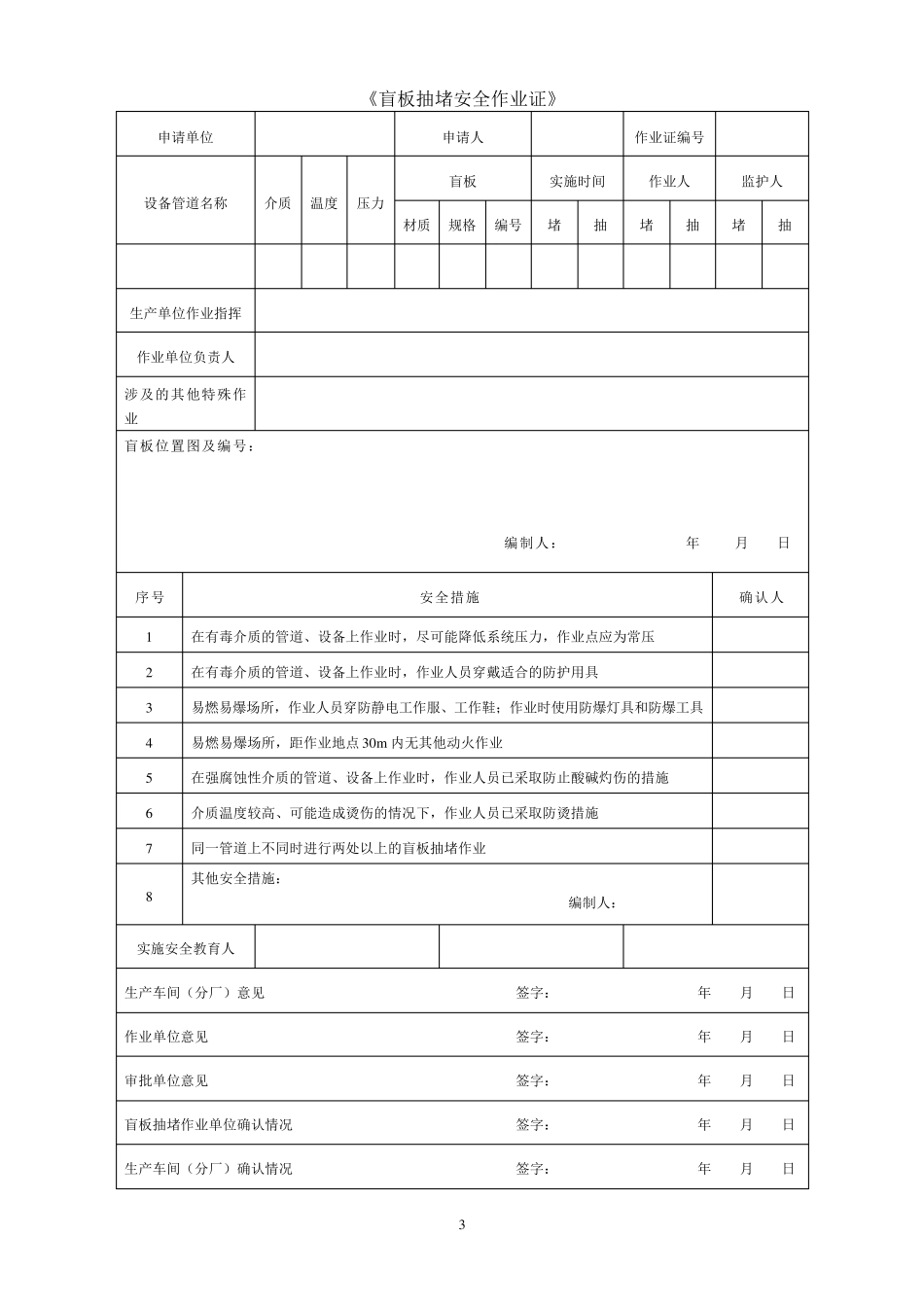
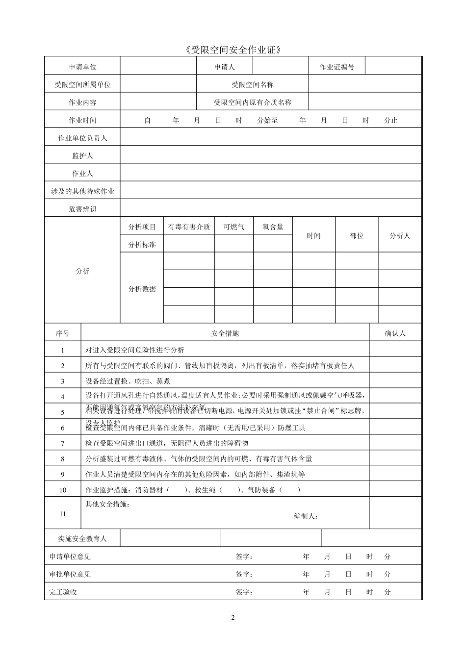
1 《动火作业证》 申请单位 申请人 作业证编号 动火作业级别 动火方式 动火地点 动火时间 自 年 月 日 时 分始至 年 月 日 时 分止 动火作业负责人 动火人 动火分析时间 年 月 日 时 年 月 日 时 年 月 日 时 分析点名称 分析数据 分析人 涉及的其他特殊作业 危害辨识 序号 安全措施 确认人 1 动火设备内部构件清理干净,蒸汽吹扫或水洗合格,达到用火条件 2 断开与动火设备相连接的所有管线,加盲板( )块 3 动火点周围的下水井、地漏、地沟、电缆沟等已清除易燃物,并已采取覆盖、铺沙、水封等手段进行隔离 4 罐区内动火点同一围堰和防火间距内的油罐不同时进行脱水作业 5 高处作业已采取防火花飞溅措施 6 动火点周围易燃物已清除 7 电焊回路线已接在焊件上,把线未穿过下水井或其他设备搭接 8 乙炔气瓶(直立放置)、氧气瓶与火源间的距离大于 10m 9 现场配备消防蒸汽带( )根,灭火器( )台,铁锹( )把,石棉布( )块 10 其他安全措施: 编制人: 生产单位负责人 监火人 动火初审人 实施安全教育人 申请单位意见 签字: 年 月 日 时 分 安全管理部门意见 签字: 年 月 日 时 分 动火审批人意见 签字: 年 月 日 时 分 动火前,岗位当班班长验票 签字: 年 月 日 时 分 完工验收 签字: 年 月 日 时 分 2 《受限空间安全作业证》 申请单位 申请人 作业证编号 受限空间所属单位 受限空间名称 作业内容 受限空间内原有介质名称 作业时间 自 年 月 日 时 分始至 年 月 日 时 分止 作业单位负责人 监护人 作业人 涉及的其他特殊作业 危害辨识 分析 分析项目 有毒有害介质 可燃气 氧含量 时间 部位 分析人 分析标准 分析数据 序号 安全措施 确认人 1 对进入受限空间危险性进行分析 2 所有与受限空间有联系的阀门、管线加盲板隔离,列出盲板清单,落实抽堵盲板责任人 3 设备经过置换、吹扫、蒸煮 4 设备打开通风孔进行自然通风,温度适宜人员作业;必要时采用强制通风或佩戴空气呼吸器,不能用通氧气或富氧空气的方法补充氧 5 相关设备进行处理,带搅拌机的设备已切断电源,电源开关处加锁或挂“禁止合闸”标志牌,设专人监护 6 检查受限空间内部已具备作业条件,清罐时(无需用/已采用)防爆工具 7 检查受限空间进出口通道,无阻碍人员进出的障碍物 8 分析盛装过可燃有...

1、当您付费下载文档后,您只拥有了使用权限,并不意味着购买了版权,文档只能用于自身使用,不得用于其他商业用途(如 [转卖]进行直接盈利或[编辑后售卖]进行间接盈利)。
2、本站所有内容均由合作方或网友上传,本站不对文档的完整性、权威性及其观点立场正确性做任何保证或承诺!文档内容仅供研究参考,付费前请自行鉴别。
3、如文档内容存在违规,或者侵犯商业秘密、侵犯著作权等,请点击“违规举报”。

碎片内容

八大危险作业票(GB308712014)

您可能关注的文档

小辰8+ 关注
实名认证
内容提供者

出售各种资料和文档

确认删除?
VIP
微信客服
  • 扫码咨询
会员Q群
  • 会员专属群点击这里加入QQ群
客服邮箱
回到顶部