电脑桌面
添加小米粒文库到电脑桌面
安装后可以在桌面快捷访问

交通安全设施分项工程质量检验评定表

交通安全设施分项工程质量检验评定表_第1页
1/12
交通安全设施分项工程质量检验评定表_第2页
2/12
交通安全设施分项工程质量检验评定表_第3页
3/12
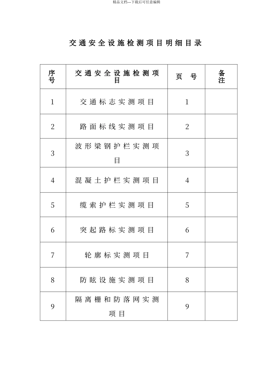
精品文档---下载后可任意编辑交 通 安 全 设 施 检 测 项 目 明 细 目 录序 号交 通 安 全 设 施 检 测 项目页 号备 注1交 通 标 志 实 测 项 目12路 面 标 线 实 测 项 目23波 形 梁 钢 护 栏 实 测 项目34混 凝 土 护 栏 实 测 项 目45缆 索 护 栏 实 测 项 目56突 起 路 标 实 测 项 目67轮 廓 标 实 测 项 目78防 眩 设 施 实 测 项 目89隔 离 栅 和 防 落 网 实 测项 目9精品文档---下载后可任意编辑分项工程质量检验评定表 安评-01 表分项工程名称: 交通标志 所属分部工程名称: 所属建设项目:工程部位(桩号): 施 工 单 位 : 监 理 单 位 :基本要求1、交通标志的制作应符合《道路交通标志和标线》(GB5768)和《公路交通标志板技术条件》(JT/T279)的规定;2、交通标志在运输、安装过程中不应损伤标志面及金属构件的镀层;3、标志的位置、数量及安装角度应符合设计要求;4、大型标志的地基承载力应符合设计要求;大型标志柱、梁的焊接部分应符合钢结构焊接法律法律规范的质量要求,无裂缝、未熔合、夹渣等缺陷;5、标志面应平整完好,无起皱、开裂、缺陷或凹凸变形,标志面任一处面积为 500mm ×500mm 表面上,不得存在总面积大于 10mm2的一个或一个以上气泡;6、反光膜应尽可能减少拼接,任何标志的字符不允许拼接,当标志板的长度或宽度、圆形标志的直径小于反光膜产品的最大宽度时,底膜不应有拼接缝;当粘贴反光膜不可避开出现接缝时,应按反光膜产品的最大宽度进行拼接。实测项目项次检查项目规定值或允许偏差实测值或实测偏差值质 量 评 定12345678910平均值、代表值合格率(%)权值得分1标志板外形尺寸(mm)±5。当边长尺寸大于时允许偏差为边长的±%;三角形内角应为 60°±5°1标志底板厚度(mm)不小于设计2标志汉字、数字、拉丁字的字体及尺寸(mm)应符合规定字体,基本字高不小于设计13Δ标志面反光膜等级及逆反射系数()反光膜等级符合设计。逆反射系数值不低于《公路交通标志板技术条件》(JT/T279)规定24标志板下缘至路面净空高度及标志板内缘距路边缘距离(mm)+100,015立柱竖直度(mm/m)±316Δ标志金属构件镀层厚度(μm)标志柱、横梁≥78,紧固件≥5027标志基础尺寸(mm)-50,+10018基础混凝土强度在合格标准内1合 计10精品文档---下载后可任意编辑外观鉴定减分监理意见质量保证资料减...

1、当您付费下载文档后,您只拥有了使用权限,并不意味着购买了版权,文档只能用于自身使用,不得用于其他商业用途(如 [转卖]进行直接盈利或[编辑后售卖]进行间接盈利)。
2、本站所有内容均由合作方或网友上传,本站不对文档的完整性、权威性及其观点立场正确性做任何保证或承诺!文档内容仅供研究参考,付费前请自行鉴别。
3、如文档内容存在违规,或者侵犯商业秘密、侵犯著作权等,请点击“违规举报”。

碎片内容

交通安全设施分项工程质量检验评定表

您可能关注的文档

元素商铺+ 关注
实名认证
内容提供者

欢迎挑选合适的文档

确认删除?
VIP
微信客服
  • 扫码咨询
会员Q群
  • 会员专属群点击这里加入QQ群
客服邮箱
回到顶部