电脑桌面
添加小米粒文库到电脑桌面
安装后可以在桌面快捷访问

手孔井隐蔽工程检查记录VIP专享

手孔井隐蔽工程检查记录_第1页
1/9
手孔井隐蔽工程检查记录_第2页
2/9
手孔井隐蔽工程检查记录_第3页
3/9
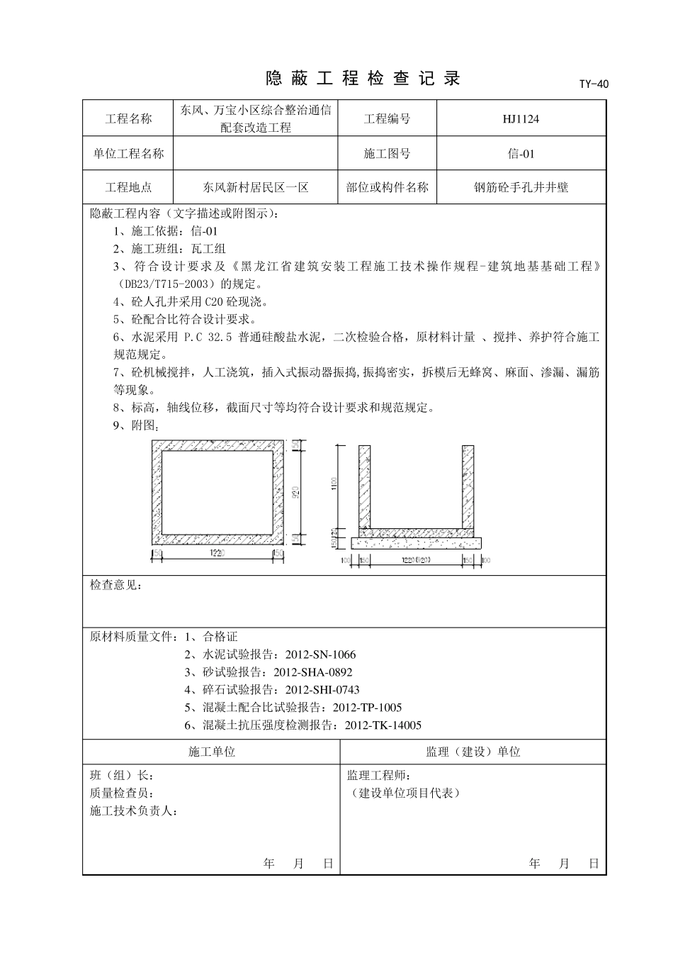
隐 蔽 工 程 检 查 记 录 TY-40 工程名称 东风、万宝小区综合整治通信配套改造工程 工程编号 HJ1124 单位工程名称 施工图号 信-01 工程地点 东风新村居民区一区 部位或构件名称 土手孔井砼底板 隐蔽工程内容(文字描述或附图示): 1、施工依据:信-01 2、施工班组:瓦工组 3、符合设计要求及《黑龙江省建筑安装工程施工技术操作规程-建筑地基基础工程》(DB23/T715-2003)的规定。 4、砼人孔井采用 C20 砼现浇。 5、砼配合比符合设计要求。 6、水泥采用 P.C 32.5 普通硅酸盐水泥,二次检验合格,原材料计量 、搅拌、养护符合施工规范规定。 7、砼机械搅拌,人工浇筑,插入式振动器振捣,振捣密实,拆模后无蜂窝、麻面、渗漏、漏筋等现象。 8、标高,轴线位移,截面尺寸等均符合设计要求和规范规定。 9、附图: 砖砌手孔井 钢筋混凝土手孔井 检查意见: 原材料质量文件:1、合格证 2、水泥试 验报 告 :2012-SN-1066 3、砂 试 验报 告 :2012-SHA-0892 4、碎 石 试 验报 告 :2012-SHI-0743 5、混凝土配合比试 验报 告 :2012-TP-1005 6、混凝土抗 压 强 度 检测 报 告 :2012-TK-14005 施工单位 监 理 (建设)单位 班(组)长 : 质量检查员 : 施工技术负 责 人: 年 月 日 监 理 工程师 : (建设单位项 目 代 表 ) 年 月 日 隐 蔽 工 程 检 查 记 录 TY-40 工 程 名 称 东 风 、 万 宝 小 区 综 合 整 治 通 信配 套 改 造 工 程 工 程 编 号 HJ1124 单 位 工 程 名 称 施 工 图 号 信 -01 工 程 地 点 东 风 新 村 居 民 区 一 区 部 位 或 构 件 名 称 手 孔 井 砼 底 板 钢 筋 隐 蔽 工 程 内 容 ( 文 字 描 述 或 附 图 示 ): 1、 施 工 依 据 : 信 -01 2、 施 工 班 组 : 钢 筋 组 3、 符 合 设 计 要 求 及 《 黑 龙 江 省 建 筑 安 装 工 程 施 工 技 术 操 作 规 程 -钢 筋 工 程 》 DB23/T707-2003 的规 定 。 4、 钢 筋 表 面 干 净 、 无 老 锈 、 麻 点 等 。 5、 钢 筋 的 配 筋 截 面 尺 寸 及 间 距 均 符 合 设 计 要 求 。 6、 钢 筋 的 表 保 护 层 符 合 设 计 要 求 。 7、 钢 筋 的 绑 扎 、 搭...

1、当您付费下载文档后,您只拥有了使用权限,并不意味着购买了版权,文档只能用于自身使用,不得用于其他商业用途(如 [转卖]进行直接盈利或[编辑后售卖]进行间接盈利)。
2、本站所有内容均由合作方或网友上传,本站不对文档的完整性、权威性及其观点立场正确性做任何保证或承诺!文档内容仅供研究参考,付费前请自行鉴别。
3、如文档内容存在违规,或者侵犯商业秘密、侵犯著作权等,请点击“违规举报”。

碎片内容

手孔井隐蔽工程检查记录

确认删除?
VIP
微信客服
  • 扫码咨询
会员Q群
  • 会员专属群点击这里加入QQ群
客服邮箱
回到顶部