电脑桌面
添加小米粒文库到电脑桌面
安装后可以在桌面快捷访问

副厂作业指导书

副厂作业指导书_第1页
1/3
副厂作业指导书_第2页
2/3
副厂作业指导书_第3页
3/3
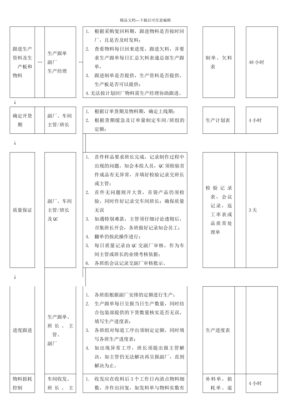
精品文档---下载后可任意编辑…责任人…工作重点描述…所需表单…标准时间纵、横向沟通…副厂…1.根椐工作需要不定期、不定时与采购部、技术部、仓库、品控部等部门进行沟通、协调、合作。……根据具体情况而定↓接生产排期…副厂…1.根据生产经理的总排期结合各本厂实际情排好生产计划。…制单/落单明细/总排期…2 小时内核物料齐料期副厂/采购。生产跟单1. 副厂收到生产排期后,跟据货期急缓,与采购部或生产部沟通,核实物料齐料期;…总排期/制单…4 小时内↓特别情况物料跟进与调配…生产主管工厂生产跟单…1。根据各工厂所反映特急欠料及工厂跟单员未跟踪到位的物料进行及时跟进与调配。并查清未跟到位原因及责任落实。如无法跟进、调配时及时向生产经理反应以取得支援与解决或进行调整。……根据具体情况而定↓车间排期车间主管、班长、副厂、生产主管、生产经理1. 掌握各车间/班组生产能力,了解车间各班组生产现状;2. 根据总排期中货期及与采购核实料期,将订单安排到相关车间/班组生产;3. 如各班组均不饱和,则安排同款同车间/同班生产;4. 如各车间/班组饱和,则根据货期适当调节订单插入或转单;5. 如无法调节和插单的,或订单已超出本厂生产能力的,则反馈生产主管或经理调节;…生产计划表…根据情况而定↓订单确认…车间主管班长…1. 排好生产计划后,将各单分至相关车间或班组;2. 组织各车间和班组讨论,落实各车间是否真正可接此单;3. 如有转单或插单的,则通过会议组织转单车间或班组进行转出和接收;4. 车间或班组对感到无法完成的单及时提出…各班组生产计划表及制单…2 小时内↓精品文档---下载后可任意编辑跟进生产资料及生产板和物料…生产跟单副厂生产经理…1. 根据采购复回料期,跟进物料是否按时回厂,且是否及时发料;2. 查看物料每日回来进度,跟进欠料,并要求生产跟单每日汇总欠料表递总部生产跟单,3. 跟进制单是否提供,生产资料是否提供,生产板是否可以提供;4.无法按计划回厂物料需生产经理协助跟进。制单、欠料表48 小时↓确定开货期副厂、车间主管/班长1. 根据订单货期及物料期,确定上线期;2. 根据货期缓急及订单量制定车间/班组的定额;生产计划表4 小时↓质量保证副厂、车间主管/班长及 QC1. 首件样品要求班长完成,记录制作过程中出现的问题,知会本组人员,QC 须检验首件成品有无异常,并填好检验记录交班长或主管;2. 首件无问题则开大货,首袋产品仍须检验,同时作好记...

1、当您付费下载文档后,您只拥有了使用权限,并不意味着购买了版权,文档只能用于自身使用,不得用于其他商业用途(如 [转卖]进行直接盈利或[编辑后售卖]进行间接盈利)。
2、本站所有内容均由合作方或网友上传,本站不对文档的完整性、权威性及其观点立场正确性做任何保证或承诺!文档内容仅供研究参考,付费前请自行鉴别。
3、如文档内容存在违规,或者侵犯商业秘密、侵犯著作权等,请点击“违规举报”。

碎片内容

副厂作业指导书

阳光书坊+ 关注
实名认证
内容提供者

阳光书坊,传播未来

确认删除?
VIP
微信客服
  • 扫码咨询
会员Q群
  • 会员专属群点击这里加入QQ群
客服邮箱
回到顶部