电脑桌面
添加小米粒文库到电脑桌面
安装后可以在桌面快捷访问

市政工程初验、竣工验收流程

市政工程初验、竣工验收流程_第1页
1/82
市政工程初验、竣工验收流程_第2页
2/82
市政工程初验、竣工验收流程_第3页
3/82
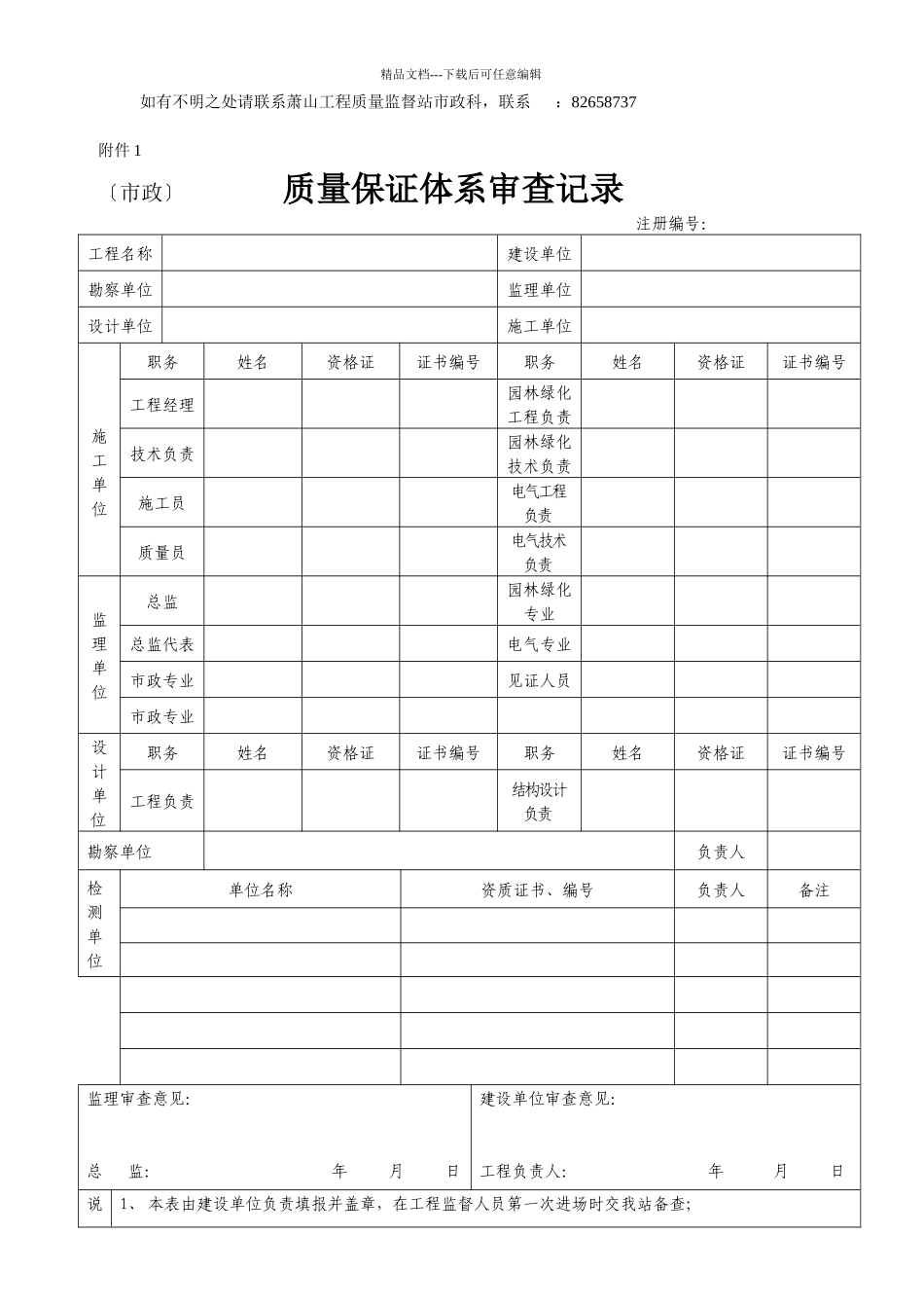
精品文档---下载后可任意编辑开工前需提交监督机构的资料序号资料名称备注1施工许可证2质量保证体系审查记录〔附件 1〕3施工准备情况检查表〔附件 2〕4检测机构工程工程备案登记表〔附件 3〕、市政工程检测方案表〔一〕〔二〕〔附件 4、5〕5提前介入工程必须提交:法定代表人授权书、工程负责人工程质量终身责任承诺书初验前需提交监督机构的资料序号资料名称备注1工程实体质量相关资料:混凝土强度、钢筋保护层厚度、桩基、管道 CCTV、桥梁动静载、钢结构焊缝等检测报告原件、隧道衬砌探地雷达监测报告等;压实度试验报告汇总表、弯沉试验报告汇总表、路面厚度检验报告汇总表、水泥混凝土路面抗滑构造深度检验报告汇总表、地基承载力检测结果汇总表、无压管道闭水试验记录汇总表、压力管道注水法试验记录汇总表等〔附件 6~14〕2主要材料质量保证资料汇总表〔附件 15~17〕、混凝土强度〔性能〕试验汇总表、混凝土试块强度统计评定记录3各分部工程检验记录4工程强制性条文执行情况检查记录〔附件 18~21〕、单位〔子单位〕工程观感检查记录〔附件 22~26〕、单位〔子单位〕工程质量控制证资料核查记录〔附件 27~31〕、单位〔子单位〕工程平安和功能检验资料核查及主要功能抽查记录〔附件 32~36〕5桥梁工程竣工实体检测验收记录表〔附件 37〕6保证我站历次出具的整改通知单都已经回复,提交回复单。7如有甩项,提交工程甩项报告〔附件 38〕及上级主管部门认可文件★初验时要求施工单位、监理单位提供工程技术文件资料,相关人员当场抽查相关工程技术文件,填写?市政工程竣工质量初验意见书?〔附件 39〕,验收后由监督人员带回一份。竣工验收前需提交监督机构的资料序号资料名称备注1工程竣工预验收会议纪要及所有我站初验时出具的整改内容的回复单2建 设 单 位 提 交 单 位 工 程 竣 工 验 收 通 知 单 〔 附 件 40 〕 及 附 件〔41、42、43、44、45、46、47〕;施工单位签署的工程质量保修书;设置永久性质量标志标识牌的证明材料〔照片〕;如工程先期进行交工验收的,建设单位应提交验收证明文件,如涉及试运行的,还应提供试运行检测评估意见★竣工验收时,竣工验收组对工程档案资料、工程实体情况进行批阅、查验,形成工程勘察、设计、施工、设备安装质量和各管理环节等方面作出全面评价,当场出具经验收组人员本人亲笔签署填写的?建设工程质量竣工验收意见书?〔附件 48〕,验收后由监督人员带回一份。精品...

1、当您付费下载文档后,您只拥有了使用权限,并不意味着购买了版权,文档只能用于自身使用,不得用于其他商业用途(如 [转卖]进行直接盈利或[编辑后售卖]进行间接盈利)。
2、本站所有内容均由合作方或网友上传,本站不对文档的完整性、权威性及其观点立场正确性做任何保证或承诺!文档内容仅供研究参考,付费前请自行鉴别。
3、如文档内容存在违规,或者侵犯商业秘密、侵犯著作权等,请点击“违规举报”。

碎片内容

市政工程初验、竣工验收流程

确认删除?
VIP
微信客服
  • 扫码咨询
会员Q群
  • 会员专属群点击这里加入QQ群
客服邮箱
回到顶部