电脑桌面
添加小米粒文库到电脑桌面
安装后可以在桌面快捷访问

机械制造基础复习知识点

机械制造基础复习知识点_第1页
1/11
机械制造基础复习知识点_第2页
2/11
机械制造基础复习知识点_第3页
3/11
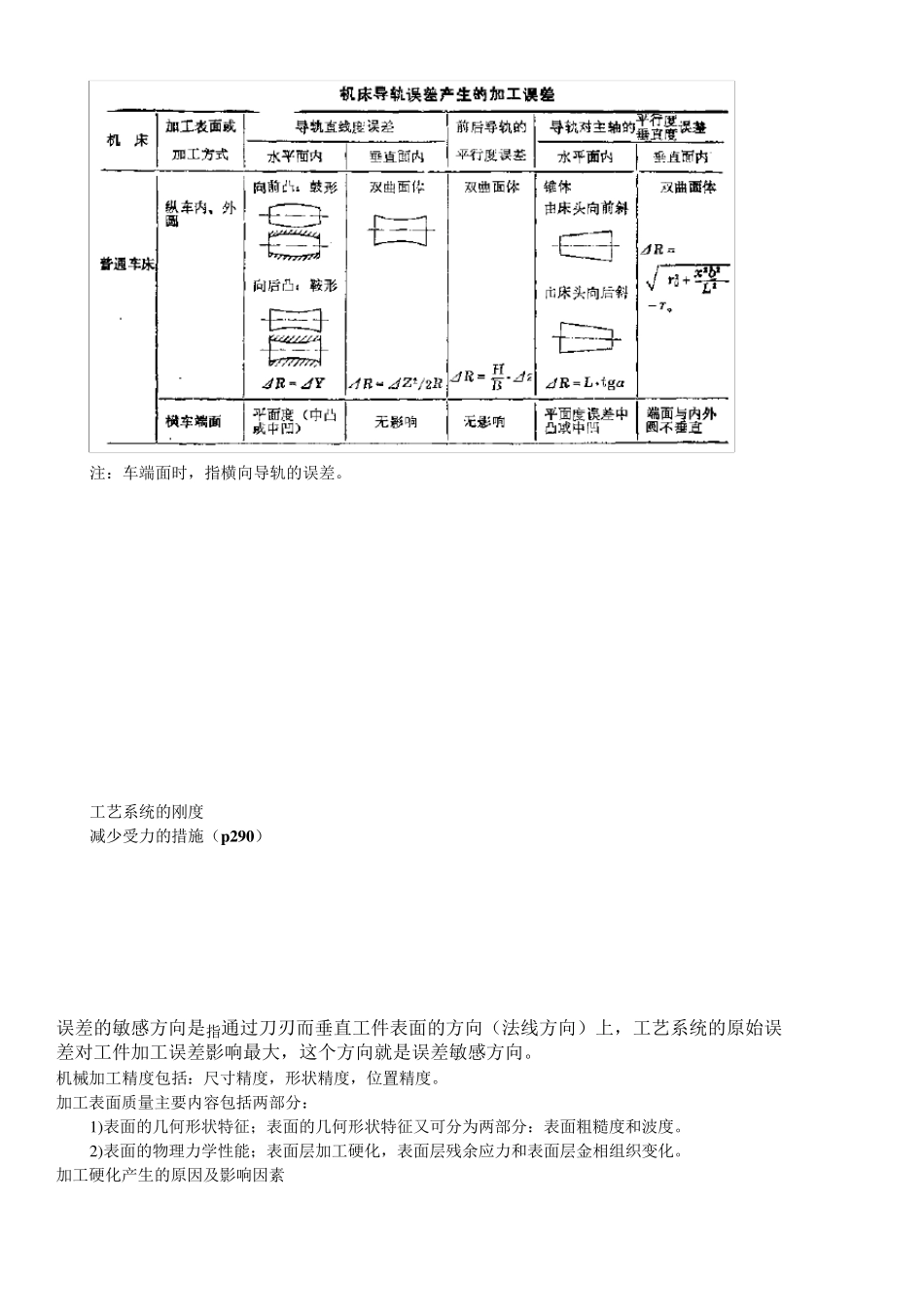
工序 一个(或一组)工人在一台机床(或一个工作地点)对一个(或同时对几个)工件进了加工所连续完成的那一部分工艺过程。 生产过程和工艺过程 (1 )生产过程:机械产品的生产过程是将原材料转变为成品的全过程。它包括:原材料的运输和保管、生产准备工作、毛坯制造、零件的冷热加工处理、部件和产品的装配、检验、油漆和包装等。 (2 )工艺过程:在生产过程中能够改变生产对象的形状、尺寸、相对位置和性质等,使其成为成品或半成品的过程,称为工艺过程。 基准 用来确定机器零件或部件上某些点、线、面的位置所依据的那些点、线、面。基准可分为设计基准和工艺基准两类。 工艺基准 在机械加工及装配过程中所采用的基准。按其用途不同可分为:工序基准、定位基准、测量基准和装配基准。 工序基准 在工序图上用来确定本工序所加工表面加工后的尺寸、形状、位置的基准。 定位基准 在加工中为使工件在机床或夹具中占有正确位置所采用的基准。 定位基准又分为粗基准和精基准。 粗基准 用零件毛坯上未经加工的表面作为定位基准的表面。 精基准 采用已经加工过的表面作为定位基准表面。 测量基准 测量时所采用的基准。 装配基准 装配时用来确定零件或部件在产品中的相对位置所采用的基准。 粗基准的选择: (1 )若工件必须首先保证某重要表面的加工余量均匀,则应选该表面为组基准。 (2 )在没有要求保证重要表面加工余量均匀的情况下,若零件上每个表面都要加工则应以加工余量最小的表面作为粗基准。 (3 )若零件有的表面不需要加工时,则应以不加工表面中与加工表面位置精度要求较 高的表面为组基准。 (4 )选作粗基准的表面,应尽可能平整和光洁,以便定位可靠。 (5 )粗基准一般只能使用一次,应尽量避免重复使用。 精基准的选择: (1 )基准重合 (2 )基准统一(3 ) 自为基准 (4 )互为基准 (5 )保证工件的夹紧稳定可靠。 加工经济精度 在正常的加工条件下(采用符合质量标准的设备、工艺装备和标准技术等级的工人,不延长加工时间)所能保证的加工精度。 工序集中 在每道工序中所安排的加工内容多,则一个零件的加工只集中在少数几道工序里完成,这时工艺路线短,工序少。 工序分散 在每道工序里安排的加工内容少,则一个零件的加工分散在很多工序里完成,这时工艺路线长,工序多。 加工余量 指加工表面达到所需的精度和表面质量面应切除的金属层厚度。影响加工余量的因素(p 2 4 4 ) 加工误差 加工...

1、当您付费下载文档后,您只拥有了使用权限,并不意味着购买了版权,文档只能用于自身使用,不得用于其他商业用途(如 [转卖]进行直接盈利或[编辑后售卖]进行间接盈利)。
2、本站所有内容均由合作方或网友上传,本站不对文档的完整性、权威性及其观点立场正确性做任何保证或承诺!文档内容仅供研究参考,付费前请自行鉴别。
3、如文档内容存在违规,或者侵犯商业秘密、侵犯著作权等,请点击“违规举报”。

碎片内容

机械制造基础复习知识点

小辰8+ 关注
实名认证
内容提供者

出售各种资料和文档

确认删除?
VIP
微信客服
  • 扫码咨询
会员Q群
  • 会员专属群点击这里加入QQ群
客服邮箱
回到顶部