电脑桌面
添加小米粒文库到电脑桌面
安装后可以在桌面快捷访问

机械图纸ug数控大赛

机械图纸ug数控大赛_第1页
1/68
机械图纸ug数控大赛_第2页
2/68
机械图纸ug数控大赛_第3页
3/68
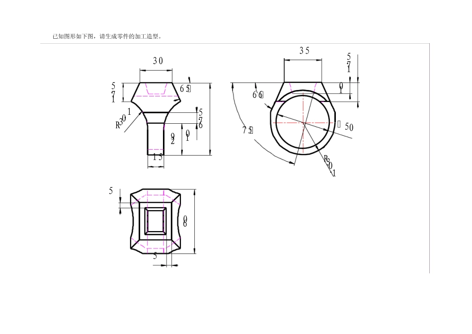
1 . 已知图形如下,底面(基准面)已经精加工,请生成零件的加工造型,参考生成零件的造型完成其粗、精加工轨迹。 R15027.889.8R10116.6°31.42030R30R44322-φ 20未注 圆角 R2所有 拔模斜 度均为 5°技 术 要 求200R10R10R10 2. 已知图形如下图,请生成零件的加工造型。 67.565°6053015517.5291066°17.5R30.135R30.11075°φ 50 3 . 已知图形如下,底面(基准面)已经精加工,请生成零件的加工造型,参考生成零件的造型完成其粗、精加工轨迹。 φ 90φ 70尖角处可 有加工圆角R2技 术 要 求R2211130° 4. 已知图形如下图,请生成零件的加工造型。 φ558080601507040201204-R104-R10 5 . 已知图形如下,底面(基准面)已经精加工,请生成零件的加工造型,参考生成零件的造型完成其粗、精加工轨迹。 6. 已知图形如下图,请生成零件的加工造型。 4010015°12SR185050φ 50φ 20φ 30107080504-φ 104-R10 7 . 已知图形如下,底面(基准面)已经精加工,请生成零件的加工造型,参考生成零件的造型完成其粗、精加工轨迹。 8. 已知图形如下图,请生成零件的加工造型。 65101001065°384235φ36φ50φ 40φ 307060R554-φ 8 9 . 已知图形如下,底面(基准面)已经精加工,请生成零件的加工造型,参考生成零件的造型完成其粗、精加工轨迹。 R3φ 80A-AAA5613020130φ 1002xR52xR525R518855°R5R3R5R5 10. 已知图形如下图,请生成零件的加工造型。 80605527.53050φ 24R30R11R20R14 1 1 . 已知图形如下,底面(基准面)已经精加工,请生成零件的加工造型,参考生成零件的造型完成其粗、精加工轨迹。 1 2 . 已知图形如下,底面(基准面)已经精加工,请生成零件的加工造型,参考生成零件的造型完成其粗、精加工轨迹。 13. 已知图形如下图,请生成零件的加工造型。 φ 170φ2204-φ1322.220200°270°90°180°315°2020360°270°22.2225°30180°40135°90°45°0°301522.21φ246φ20040φ 170基圆展开图 14. 已知图形如下板厚15m m ,底面(基准面)已经精加工,请生成零件的加工造型,参考生成零件的造型完成其粗、精加工轨迹。 1 5 . 已知图形如下,底面(基准面)已经精加工,请生成零件的加工造型,参考生成零件的造型完成其粗、精加工轨迹。 16. 已知图形如下图,请生成零件的加工造型。 36φ 64341860°φ12φ 24φ 10φ 32 1 7 . 已知图形如下,底面...

1、当您付费下载文档后,您只拥有了使用权限,并不意味着购买了版权,文档只能用于自身使用,不得用于其他商业用途(如 [转卖]进行直接盈利或[编辑后售卖]进行间接盈利)。
2、本站所有内容均由合作方或网友上传,本站不对文档的完整性、权威性及其观点立场正确性做任何保证或承诺!文档内容仅供研究参考,付费前请自行鉴别。
3、如文档内容存在违规,或者侵犯商业秘密、侵犯著作权等,请点击“违规举报”。

碎片内容

机械图纸ug数控大赛

小辰+ 关注
实名认证
内容提供者

出售各种文档和资料

确认删除?
VIP
微信客服
  • 扫码咨询
会员Q群
  • 会员专属群点击这里加入QQ群
客服邮箱
回到顶部