电脑桌面
添加小米粒文库到电脑桌面
安装后可以在桌面快捷访问

标准溶液的配制、标定及复标记录

标准溶液的配制、标定及复标记录_第1页
1/12
标准溶液的配制、标定及复标记录_第2页
2/12
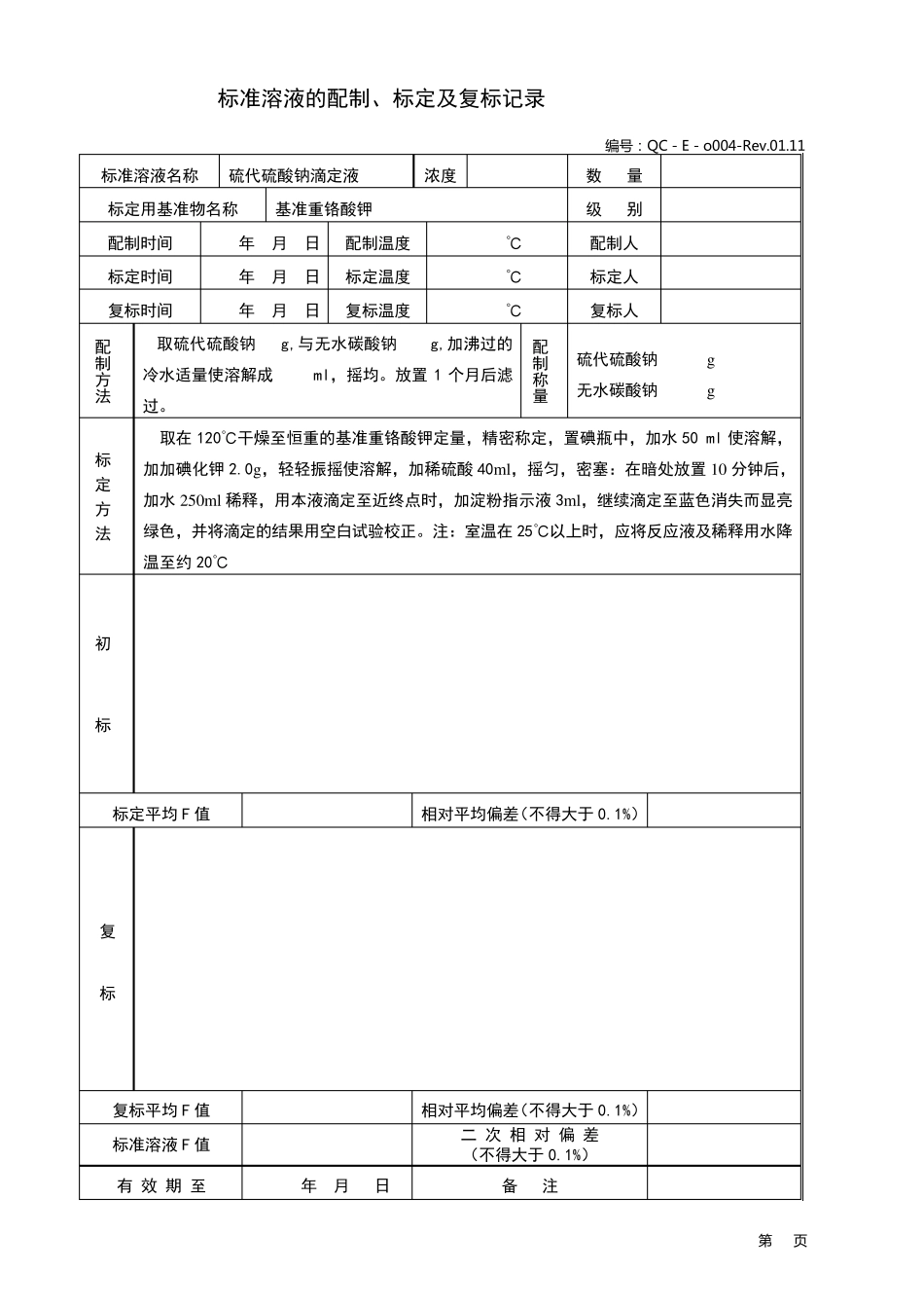
标准溶液的配制、标定及复标记录_第3页
3/12
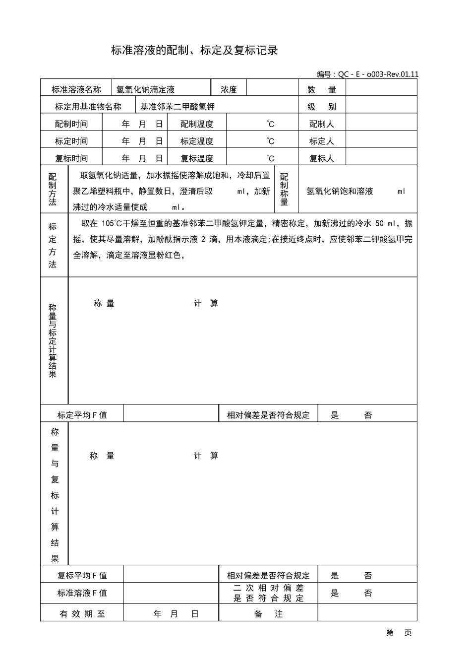
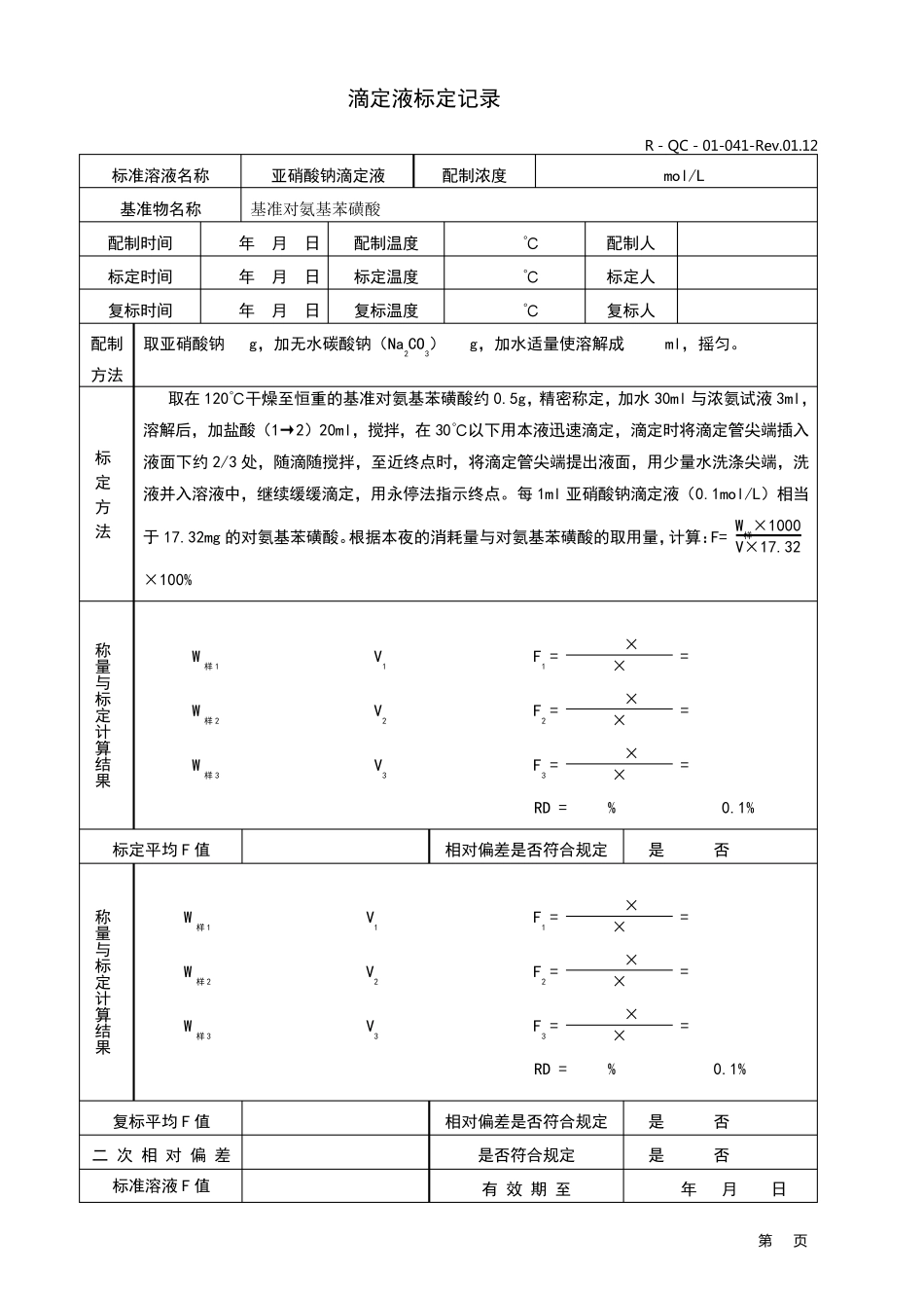
第 页 滴定液标定记录 R-QC-01-041-Rev.01.12 标准溶液名称 亚硝酸钠滴定液 配制浓度 mol/L 基准物名称 基准对氨基苯磺酸 配制时间 年 月 日 配制温度 ℃ 配制人 标定时间 年 月 日 标定温度 ℃ 标定人 复标时间 年 月 日 复标温度 ℃ 复标人 配制方法 取亚硝酸钠 g,加无水碳酸钠(Na2CO3) g,加水适量使溶解成 ml,摇匀。 标 定 方 法 取在120℃干燥至恒重的基准对氨基苯磺酸约0.5g,精密称定,加水30ml 与浓氨试液3ml,溶解后,加盐酸(1→2)20ml,搅拌,在30℃以下用本液迅速滴定,滴定时将滴定管尖端插入液面下约2/3 处,随滴随搅拌,至近终点时,将滴定管尖端提出液面,用少量水洗涤尖端,洗液并入溶液中,继续缓缓滴定,用永停法指示终点。每1ml 亚硝酸钠滴定液(0.1mol/L)相当于17.32mg 的对氨基苯磺酸。根据本夜的消耗量与对氨基苯磺酸的取用量,计算:F= W样×1000V×17.32 ×100% 称量与标定计算结果 W样1 V1 F1 = × × = W样2 V2 F2 = × × = W样3 V3 F3 = × × = RD = % 0.1% 标定平均 F 值 相对偏差是否符合规定 是 否 称量与标定计算结果 W样1 V1 F1 = × × = W样2 V2 F2 = × × = W样3 V3 F3 = × × = RD = % 0.1% 复标平均 F 值 相对偏差是否符合规定 是 否 二 次 相 对 偏 差 是否符合规定 是 否 标准溶液F 值 有 效 期 至 年 月 日 第 页 标准溶液的配制、标定及复标记录 编 号:QC-E-o003-Rev.01.11 标准溶液名称 氢氧化钠滴定液 浓度 数 量 标定用基准物名称 基准邻苯二甲酸氢钾 级 别 配制时间 年 月 日 配制温度 ℃ 配制人 标定时间 年 月 日 标定温度 ℃ 标定人 复标时间 年 月 日 复标温度 ℃ 复标人 配制方法 取氢氧化钠适量,加水振摇使溶解成饱和,冷却后置聚乙烯塑料瓶中,静置数日,澄清后取 ml,加新沸过的冷水适量使成 ml。 配制称量 氢氧化钠饱和溶液 ml 标 定 方 法 取在 105℃干燥至恒重的基准邻苯二甲酸氢钾定量,精密称定,加新沸过的冷水 50 ml,振摇,使其尽量溶解,加酚酞指示液2 滴,用本液滴定;在接近终点时,应使邻苯二钾酸氢甲完全溶解,滴定至溶液显粉红色, 称量与标定计算结果 称 量 计 算 标定平均 F 值 相对偏差是否符合规定 是 否 称 量 与 复 标 计 算 结 果 称 ...

1、当您付费下载文档后,您只拥有了使用权限,并不意味着购买了版权,文档只能用于自身使用,不得用于其他商业用途(如 [转卖]进行直接盈利或[编辑后售卖]进行间接盈利)。
2、本站所有内容均由合作方或网友上传,本站不对文档的完整性、权威性及其观点立场正确性做任何保证或承诺!文档内容仅供研究参考,付费前请自行鉴别。
3、如文档内容存在违规,或者侵犯商业秘密、侵犯著作权等,请点击“违规举报”。

碎片内容

标准溶液的配制、标定及复标记录

确认删除?
VIP
微信客服
  • 扫码咨询
会员Q群
  • 会员专属群点击这里加入QQ群
客服邮箱
回到顶部