电脑桌面
添加小米粒文库到电脑桌面
安装后可以在桌面快捷访问

桥墩课程设计计算

桥墩课程设计计算_第1页
1/15
桥墩课程设计计算_第2页
2/15
桥墩课程设计计算_第3页
3/15
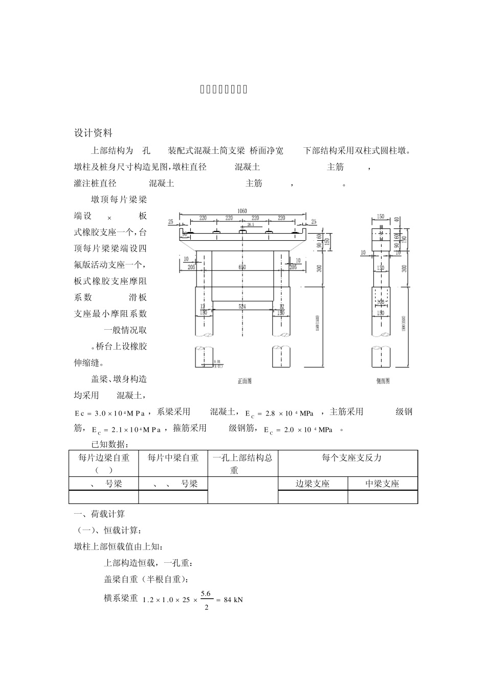
桥墩课程设计计算 设计资料 上部结构为5孔20m装配式混凝土简支梁,桥面净宽11m.下部结构采用双柱式圆柱墩。墩柱及桩身尺寸构造见图,墩柱直径130cm,混凝土C30,fcd=13.8MPa,主筋RB335,fsd=280 MPa,灌注桩直径150cm, 混凝土C20, fcd=13.8MPa,主筋HRB335,fsd=280 Mpa。 墩顶每片梁梁端设400 400mm板式橡胶支座一个,台顶每片梁梁端设四氟版活动支座一个,板式橡胶支座摩阻系数f=0.05,滑板支座最小摩阻系数f=0.03,一般情况取0.05。桥台上设橡胶伸缩缝。 盖梁、墩身构造均采用C30混凝土,4c3.01 0 M P a,系梁采用C25混凝土,MPa102.84C,主筋采用HRB335级钢筋,4C2.11 0 M P a,箍筋采用R235级钢筋,MPa102.04C。 已知数据: 每片边梁自重 (kN) 每片中梁自重 (kN) 一孔上部结构总重(kN) 每个支座支反力(kN) 1、5号梁 2、3、4号梁 2706.18 边梁支座 中梁支座 26.6 27.46 265.47 270.05 一、荷载计算 (一)、恒载计算: 墩柱上部恒载值由上知: (1)上部构造恒载,一孔重:2706.18kN; (2)盖梁自重(半根自重):5304.29kN; (3)横系梁重:kN8425.6250.12.1; (4)墩柱自重:墩柱自重: 21.31 22 53 9 8 k N4; (二)、活载计算 荷载布置及行驶情况参考前面计算,数值直接取用。 1、汽车荷载 (1)单孔单车时 1202 5 5.2 8 k N02 5 5.2 82 5 5.2 8 k NB, B, B 相应得制动力为: 2 01 0.50.7 52 3 80.7 51 03 3.6 k NT%<90kN 所以单孔单车时得制动力取为:T=90kN (2)双孔单车时 127 6.2 8 k N2 5 5.2 8 k N7 6.2 82 5 5.2 83 3 2.0 6 k NB, B, B 相应得制动力为: 22 01 0.50.7 52 3 80.7 51 04 9.3 5 k N9 0 k NT% 取双孔单车制动力为:T=90kN。 2、人群荷载 (1)单孔单侧人群荷载: 1202 2.5 k N02 2.52 2.2 k NB, B, B (2)双孔单侧人群荷载: 122 2.2 k N2 2.2 k N2 2.22 2..24 4.4 k NB, B, B 活载中双孔荷载在支点处产生最大反力值,即产生最大墩柱垂直力;活载中单孔荷载产生最大偏心弯矩,即产生最大墩底弯矩。 (三)双柱反力横向分布计算 活载布置见图本章图(1)~图(3)。 1、汽车 (1)单列汽车布置 123.252.850.93810.9380.062650K, K-; (2)双...

1、当您付费下载文档后,您只拥有了使用权限,并不意味着购买了版权,文档只能用于自身使用,不得用于其他商业用途(如 [转卖]进行直接盈利或[编辑后售卖]进行间接盈利)。
2、本站所有内容均由合作方或网友上传,本站不对文档的完整性、权威性及其观点立场正确性做任何保证或承诺!文档内容仅供研究参考,付费前请自行鉴别。
3、如文档内容存在违规,或者侵犯商业秘密、侵犯著作权等,请点击“违规举报”。

碎片内容

桥墩课程设计计算

您可能关注的文档

确认删除?
VIP
微信客服
  • 扫码咨询
会员Q群
  • 会员专属群点击这里加入QQ群
客服邮箱
回到顶部