电脑桌面
添加小米粒文库到电脑桌面
安装后可以在桌面快捷访问

步进顺控指令(讲义)

步进顺控指令(讲义)_第1页
1/26
步进顺控指令(讲义)_第2页
2/26
步进顺控指令(讲义)_第3页
3/26
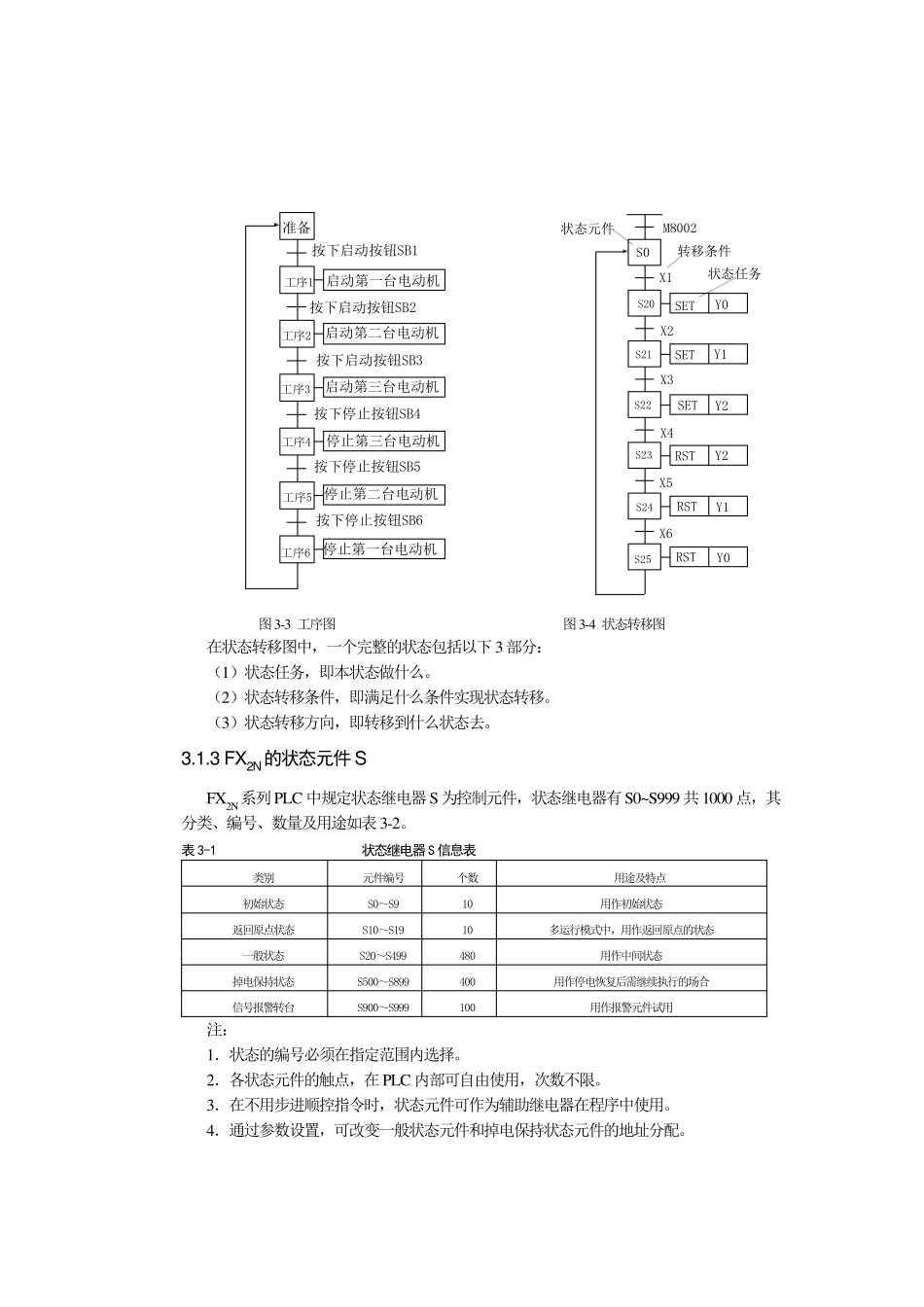
第3 章 三菱 FX2N系列可编程控制器的步进指令 3.1 顺序控制的概念及状态转移图 3 .1 .1 顺序控制简介 机械设备的动作过程大多数是按工艺要求预先设计的逻辑顺序或时间顺序的工作过程,即在现场开关信号的作用下,启动机械设备的某个机构动作后,该机构在执行任务中发出另一现场开关信号,继而启动另一机构动作,如此按步进行下去,直至全部工艺过程结束,这种由开关元件控制的按步控制方式,称为顺序控制。 我们先看一个例子:三台电动机顺序控制系统。要求:按下按钮SB1,电动机1 启动;当电动机1 启动后,按下按钮SB2,电动机2 启动;当电动机2 启动后,按下按钮SB3,电动机3 启动;当三台电动机启动后,按下按钮SB4,电动机3 停止;当电动机3 停止后,按下按钮SB5,电动机2 停止;当电动机2 停止后,按下按钮SB6,电动机1 停止。三台电动机的启动和停止分别由接触器KM1、KM2、KM3 控制。 图3-1 为电动机控制流程图、PLC 接线图及电气控制原理图。 PLCLNPECOMX0X1X2X3X4X5X624V+COM1COM2Y1Y0Y2Y3Y4Y5Y6Y7~220V~220VSB1KM1SB2SB3SB4SB5SB6KM2KM3 a)控制流程图 b)PLC 接线及电气控制原理图 图3-1 电动机控制流程图、PLC 接线图及电气控制原理图 使用基本指令编制的 PLC 梯形图程序如图 3-2 图3-2 三台电动机顺序控制梯形图 从图3-3 中可以看出,为了达到本次的控制要求,图中又增加了三只辅助继电器,其功能读者可自行分析。用梯形图或指令表方式编程固然广为电气技术人员接受,但对于一个复杂的控制系统,尤其是顺序控制程序,由于内部的联锁、互动关系极其复杂,其梯形图往往长达数百行,通常要由熟练的电气工程师才能编制出这样的程序。另外,如果在梯形图上不加上注释,则这种梯形图的可读性也会大大降低。 3 .1 .2 状态转移图 基于经验法和基本指令编写复杂程序的缺点,人们一直寻求一种易于构思、易于理解的图形程序设计工具。它应有流程图的直观,又有利于复杂控制逻辑关系的分解与综合,这种图就是状态转移图。为了说明状态转移图,现将三台电动机顺序控制的流程各个控制步骤用工序表示,并工作顺序将工序连接成如图 3-3 所示工序图,这就是状态转移图的雏形。 从图3—3 可看到,该图有以下特点。 (1)将复杂的任务或过程分解成若干个工序(状态)。无论多么复杂的过程均能分化为小的工序,有利于程序的结构化设计。 (2)相对某一个具体的工序来说,控制任务实现了简化。给局部程...

1、当您付费下载文档后,您只拥有了使用权限,并不意味着购买了版权,文档只能用于自身使用,不得用于其他商业用途(如 [转卖]进行直接盈利或[编辑后售卖]进行间接盈利)。
2、本站所有内容均由合作方或网友上传,本站不对文档的完整性、权威性及其观点立场正确性做任何保证或承诺!文档内容仅供研究参考,付费前请自行鉴别。
3、如文档内容存在违规,或者侵犯商业秘密、侵犯著作权等,请点击“违规举报”。

碎片内容

步进顺控指令(讲义)

您可能关注的文档

确认删除?
VIP
微信客服
  • 扫码咨询
会员Q群
  • 会员专属群点击这里加入QQ群
客服邮箱
回到顶部