电脑桌面
添加小米粒文库到电脑桌面
安装后可以在桌面快捷访问

武汉岩土承载力标准值20030115

武汉岩土承载力标准值20030115_第1页
1/15
武汉岩土承载力标准值20030115_第2页
2/15
武汉岩土承载力标准值20030115_第3页
3/15
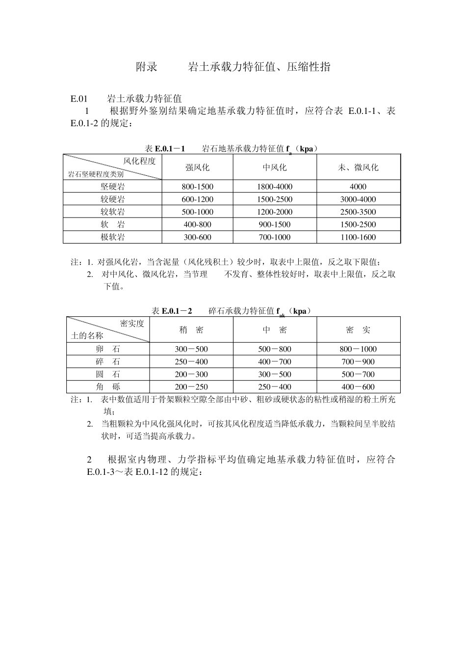
武汉市建设工程设计审查办公室 关于确定“岩土承载力特征值、压缩性指标 及桩周土的摩擦力、桩端阻力特征值”的 通 知 各勘察单位: 按照中华人民共和国建设部2002年1月月10日“关于发布国家标准《岩土工程勘察规范》的通知(建标〔2002〕7号)”,中华人民共和国标准《岩土工程勘察规范》(GB50021-2001)自2002年3月1日起施行,原《岩土工程勘察规范》(GB50021-94)于2002年12月日废止。 湖北省地方标准《建筑地基基础技术规范》的编制工作已经完成,日前正处于最后的报批阶段,其中的“附录E-附录F”已经通过专家审定,确认附录E-附录F表中数值不会再作修改。 为了解决岩土承载力特征值、压缩模量指标及桩周土的摩擦力、桩端阻力特征值目前暂时无法确定、而设计单位按照新的设计规范需要使用特征值的矛盾,经研究决定,在湖北省地主标准《建筑地基基础技术规范》正式颁布之前,凡在武汉地区承担的不需要进行变形验的丙类项目岩土工程勘察,其岩土承载力特征值、压缩模量指标及桩周上的摩控力、桩端阻力特征值暂时可参照即将发布的湖北省地方标准《建筑地基基础技术规范》中的“附录E-附表F”(附后)中的数值确定。 二00三年一月十五日 附录E 岩土承载力特征值、压缩性指 E.01 岩土承载力特征值 1 根据野外鉴别结果确定地基承载力特征值时,应符合表 E.0.1-1、表E.0.1-2 的规定: 表 E.0.1-1 岩石地基承载力特征值fa(k p a) 风化程度 岩石坚硬程度类别 强风化 中风化 未、微风化 坚硬岩 800-1500 1800-4000 4000 较硬岩 600-1200 1500-2500 3000-4000 较软岩 500-1000 1200-2000 2500-3500 软 岩 400-800 900-1500 1500-2500 极软岩 300-600 700-1000 1100-1600 注:1. 对强风化岩,当含泥量(风化残积土)较少时,取表中上限值,反之取下限值; 2. 对中风化、微风化岩,当节理 不发育、整体性较好时,取表中上限值,反之取下值。 表 E.0.1-2 碎石承载力特征值fak(k p a) 密实度 土的名称 稍 密 中 密 密 实 卵 石 300-500 500-800 800-1000 碎 石 250-400 400-700 700-900 圆 石 200-300 300-500 500-700 角 砾 200-250 250-400 400-600 注:1. 表中数值适用于骨架颗粒空隙全部由中砂、粗砂或硬状态的粘性或稍湿的粉土所充填; 2. 当粗颗粒为中风化强风化时,可按其风化程度适当降低承载力,当颗粒间呈半胶结状时,可适当...

1、当您付费下载文档后,您只拥有了使用权限,并不意味着购买了版权,文档只能用于自身使用,不得用于其他商业用途(如 [转卖]进行直接盈利或[编辑后售卖]进行间接盈利)。
2、本站所有内容均由合作方或网友上传,本站不对文档的完整性、权威性及其观点立场正确性做任何保证或承诺!文档内容仅供研究参考,付费前请自行鉴别。
3、如文档内容存在违规,或者侵犯商业秘密、侵犯著作权等,请点击“违规举报”。

碎片内容

武汉岩土承载力标准值20030115

确认删除?
VIP
微信客服
  • 扫码咨询
会员Q群
  • 会员专属群点击这里加入QQ群
客服邮箱
回到顶部