电脑桌面
添加小米粒文库到电脑桌面
安装后可以在桌面快捷访问

武藏300机械手编程

武藏300机械手编程_第1页
1/7
武藏300机械手编程_第2页
2/7
武藏300机械手编程_第3页
3/7
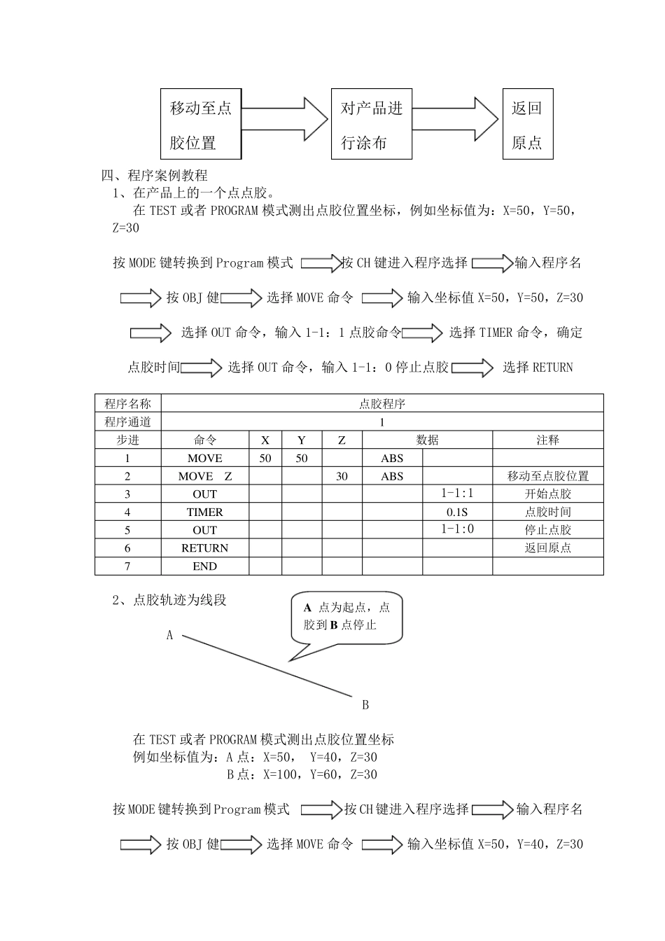
SHOTMASTER 300 机械手编程指导 一、 PLC 编程控制器面板 MODE:模式转换键 CH:程序选择键 OBJ:命令键 EDIT:编辑键 AUX:调节速度键 SHIFT:切换键 ABS/INC:坐标转换 +/-:正、负键 CLR:解除报警及清楚 RTN:复位键 ENT:确定键 START:开始 STOP:停止键 FAST:加速移动 SHIFT+ENT:返回上个位置 二、各个按键中含有的命令: 1、MODE:程序设定模式: ①、[PROGRAM] MODE:进入编程模式。 ②、[TEST] MODE:手动测试。 ③、[AUTO] MODE:自动模式。〔内部模式〕 ④、[RS—232C]电脑控制模式 ⑤、[PRINT]程序打印模式 ⑥、[EXT]MODE:自动运行模式。〔内、外部模式〕 2、OBJ: 0、 MOVE:以系统默认的速度移动 ①、TIMER:上一个命令的延时 ②、SUBROUTINE:插入子程序. ④、REPEAT:对某段程序有限次数的循环 ⑤、JUMP:步骤跳跃 ⑥、CP LINE LINE:画直线 CURVE:划弧线 CIRCLE 划圆 ⑦、OUT 点胶命令. Ⅰ、Ⅲ点胶:1—1:1 停胶: 1—1:0 Ⅱ、MPP-1 抽胶:1—4:1 Ⅲ、吸气:1—6:1 Ⅳ、吐气:1—7:1 ⑧、OFFSET:将当前坐标改为原点坐标 17、MOVE Z:Z 轴上下调节。 3、EDIT:(在[PROGRAM] MODE 条件下) ①、STEP CALL 调出步骤 ②、INSERT 插入命令 ③、DELETE 删除步骤 4、AUX:(在[PROGRAM] MODE 条件下) ①、ORIGINE.SPEED.XYZ:复位时候的移动速度. ②、JOG.SPEED:编程移动时的速度. ③、JOG.HIGH.SPEED:高速. ④、PTP.SPEED:点到点的移动速度. ⑤、PTP.SLOPE.TIME:点到点的加速度. ⑥、SOFT.LIMIT: X.Y.Z 的最大行程. ⑦、SPEED 可设定速度 三、编程方法: 1、我们机械臂是利用绝对坐标和相对坐标进行编程。 ① 绝对坐标:是指 B 点到 A 点的坐标值。 相对坐标:是指 B 点到 A 点的实际数值。 ② 绝对坐标用 ABS 表示,相对坐标用 INC 表示。 ③ 我们编程有俩个选择。 主程序(1-99) 子程序(100-999) 2、我们编程一般使用主程序,子程序只在大量做产品使用;要是做单个的产品,建议用主程序,就可以完成,如果要 10 个、20 个…做,则主程序中穿插子程序去完成。 3、点胶步骤 四、程序案例教程 1、在产品上的一个点点胶。 在 TEST 或者 PROGRAM 模式测出点胶位置坐标,例如坐标值为:X=50,Y=50,Z=30 按 MODE 键转换到 Program 模式 按 CH 键进入程序选择 输入程序名 按 OBJ 健 ...

1、当您付费下载文档后,您只拥有了使用权限,并不意味着购买了版权,文档只能用于自身使用,不得用于其他商业用途(如 [转卖]进行直接盈利或[编辑后售卖]进行间接盈利)。
2、本站所有内容均由合作方或网友上传,本站不对文档的完整性、权威性及其观点立场正确性做任何保证或承诺!文档内容仅供研究参考,付费前请自行鉴别。
3、如文档内容存在违规,或者侵犯商业秘密、侵犯著作权等,请点击“违规举报”。

碎片内容

武藏300机械手编程

您可能关注的文档

确认删除?
VIP
微信客服
  • 扫码咨询
会员Q群
  • 会员专属群点击这里加入QQ群
客服邮箱
回到顶部