电脑桌面
添加小米粒文库到电脑桌面
安装后可以在桌面快捷访问

气门摇杆轴支座完整工艺卡

气门摇杆轴支座完整工艺卡_第1页
1/12
气门摇杆轴支座完整工艺卡_第2页
2/12
气门摇杆轴支座完整工艺卡_第3页
3/12
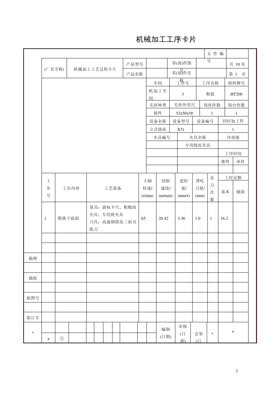
1 机械加工工艺过程卡片 文件编号 (厂名全称) 机械加工工艺过程卡片 产品型号 零(部)件图号 共 1 页 产品名称 零(部)件名称 第 1 页 材料牌号 毛坯种类 毛坯外形尺寸 每坯件数 1 每台件数 1 备注 工序 号 工序 名称 工序内容 车 间 工 段 设 备 工艺装备 工序时间 准终 单件 1 铸件 铸造 2 时效处理 热处理 3 粗铣 粗铣下底面至61.5 046.0 Ra12.5 机加工 X51立式量具:游标卡尺、粗糙块 夹具:专用铣夹具 16.2 4 粗铣半 精粗铣、半精铣上底面至58 03.0 Ra6.3 机加工 X51立式同上 23.2 5 半 精铣 半精铣下底面至59 03.0 Ra6.3 机加工 X51立式刀具:高速钢错齿三面刃铣刀 36 6 粗铣 粗铣后端面至32.7 033.0 Ra12.5 机加工 X51立式铣床 量具:游标卡尺、粗糙块 夹具:专用铣夹具 刀具:圆柱铣刀 9 7 粗铣半 精粗铣、 半 精 铣前 端 面至31.7 021.0 机加工 X51立式量具:游标卡尺、粗糙块 夹具:专用铣夹具 95.7 8 半 精铣 半精铣后端面至31 02.0 Ra6.3 机加工 X51立式同上 19.2 9 粗镗 粗镗11.0016至18.001.16 Ra12.5 机加工 CM6125卧式刀具:YG8 硬质合金镗刀 夹具:专用夹具 量具:游标卡尺 塞规 14 10 钻孔 钻5.10孔 Ra12.5 机加工 Z525立式钻床 刀具:莫式锥度麻花钻 夹具:专用夹具 量具:游标卡尺 塞规 34 11 半 精镗 精镗 半精镗11.0016至 11.0016 Ra3.2,倒角 机加工 CM6125卧式刀具:YG3 高速钢镗刀 夹具:专用夹具 量具:游标卡尺 塞规 19 12 铣槽 铣槽口 Ra12.5 机加工 X51立式刀具:锯片铣刀 夹具:专用夹具 15 13 终检 机械加工工艺过程卡 产品名称 零件名称 零件图号 材料名称 毛坯种类或 总工时 2 及牌号 材料规格 工序号 工序名称 工序简要内容 设备名称及型号 夹具 量具 工时 1 铸件 2 时效处理 3 粗铣 粗铣下底面至 61.5 046.0 Ra6.3 游标卡尺 4 粗铣半精铣 3 机械加工工序卡片 文件编号 (厂名全称) 机械加工工艺过程卡片 产品型号 零(部)件图号 共 10 页 产品名称 零(部)件名称 第 1 页 车间 工序号 工序名称 材料牌号 机加工车间 3 粗铣 HT200 毛坯种类 毛坯外形尺每坯件数 每台件数 铸件 52x 50x 58 1 1 设备名称 设备型号 设备编号 同时加工件立式铣床 X51 1 ...

1、当您付费下载文档后,您只拥有了使用权限,并不意味着购买了版权,文档只能用于自身使用,不得用于其他商业用途(如 [转卖]进行直接盈利或[编辑后售卖]进行间接盈利)。
2、本站所有内容均由合作方或网友上传,本站不对文档的完整性、权威性及其观点立场正确性做任何保证或承诺!文档内容仅供研究参考,付费前请自行鉴别。
3、如文档内容存在违规,或者侵犯商业秘密、侵犯著作权等,请点击“违规举报”。

碎片内容

气门摇杆轴支座完整工艺卡

确认删除?
VIP
微信客服
  • 扫码咨询
会员Q群
  • 会员专属群点击这里加入QQ群
客服邮箱
回到顶部