电脑桌面
添加小米粒文库到电脑桌面
安装后可以在桌面快捷访问

水平定向钻穿越检验批表格SY4216.12017

水平定向钻穿越检验批表格SY4216.12017_第1页
1/13
水平定向钻穿越检验批表格SY4216.12017_第2页
2/13
水平定向钻穿越检验批表格SY4216.12017_第3页
3/13
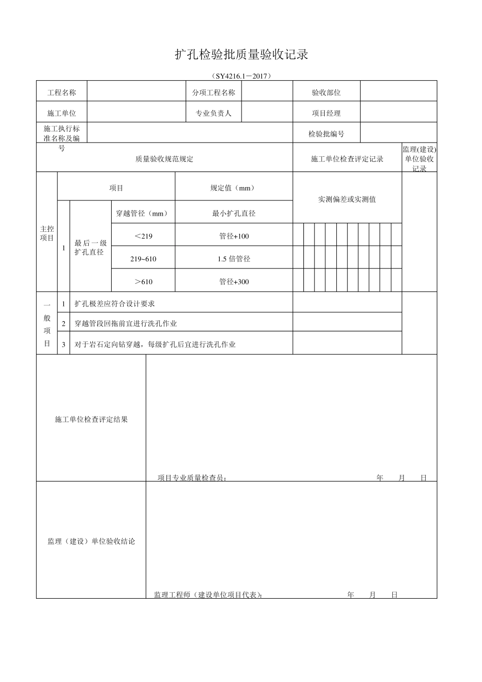
附录C 水平定向钻穿越工程质量控制资料核查记录表 工程名称 施工单位 序号 项目 资料名称 份数 核查意见 核查人 1 定向钻穿越工程 施工图设计及勘察资料 2 施工图技术交底会议纪要 3 设计变更资料 4 材料代用审核单 5 施工组织设计及审批表 6 施工测量放线记录 7 主要材料、管件质量证明文件及检验报告 8 焊接工艺规程及焊工登记表 9 管道焊接施工记录 10 无损检测报告 11 管道防腐补口施工记录 12 管道清管、测径、试压记录 13 管道穿越隐蔽施工记录 14 导向孔钻进施工记录 15 扩孔施工记录 16 管道回拖施工记录 17 导向孔控向数据 18 防腐层完整性检查记录 19 三桩埋设统计表 20 地貌恢复记录 21 各检验批、分项(部)工程验收记录 22 工程重大质量问题的处理方案和验收记录 结论: 施工单位项目经理: 年 月 日 总监理工程师: 年 月 日 导向孔钻进检验批质量验收记录 (SY4216.1-2017) 工程名称 分项工程名称 验收部位 施工单位 专业负责人 项目经理 施工执行标准名称及编号 检验批编号 质量验收规范规定 施工单位检查评定记录 监理(建设)单位验收记录 主控 项目 项目 允许偏差(m) 实测偏差或实测值 1 导向孔曲线 上下偏差 -0.01L~0.01L 且满足-2~+1 横向偏差 -0.01L~0.01L 且满足+3 2 出土点 纵向偏差 -3~+9 横向偏差 +3 注:L 为穿越水平长度(m) 一般项目 项目 规定值(°) 实测偏差或实测值 1 导向孔钻进钻杆折角 穿越管径(mm) 每根钻杆最大折角 4 根钻杆累加最大折角 D325 以下 2.1 6.0 D377 1.7 5.7 D406 1.6 5.4 D508 1.4 4.3 D610 1.2 3.6 D711 1.1 3.0 D813 1.0 2.6 D914 0.9 2.4 D1016 以上 0.8 2.2 2 采用对穿工艺钻导向孔时,对接区域位置应符合设计要求 施工单位检查评定结果 项目专业质量检查员: 年 月 日 监理(建设)单位验收结论 监理工程师(建设单位项目代表): 年 月 日 扩孔检验批质量验收记录 (SY4216.1-2017) 工程名称 分项工程名称 验收部位 施工单位 专业负责人 项目经理 施工执行标准名称及编号 检验批编号 质量验收规范规定 施工单位检查评定记录 监理(建设)单位验收记录 主控 项目 项目 规定值(mm) 实测偏差或实测值 1 最后一 级扩孔直径 穿越管径(mm) 最小扩孔直径 <219 管径+100 219~610 1.5 倍管径 >...

1、当您付费下载文档后,您只拥有了使用权限,并不意味着购买了版权,文档只能用于自身使用,不得用于其他商业用途(如 [转卖]进行直接盈利或[编辑后售卖]进行间接盈利)。
2、本站所有内容均由合作方或网友上传,本站不对文档的完整性、权威性及其观点立场正确性做任何保证或承诺!文档内容仅供研究参考,付费前请自行鉴别。
3、如文档内容存在违规,或者侵犯商业秘密、侵犯著作权等,请点击“违规举报”。

碎片内容

水平定向钻穿越检验批表格SY4216.12017

小辰+ 关注
实名认证
内容提供者

出售各种文档和资料

相关文档

确认删除?
VIP
微信客服
  • 扫码咨询
会员Q群
  • 会员专属群点击这里加入QQ群
客服邮箱
回到顶部