电脑桌面
添加小米粒文库到电脑桌面
安装后可以在桌面快捷访问

汽车库、修车库、停车场防火设计规范

汽车库、修车库、停车场防火设计规范_第1页
1/15
汽车库、修车库、停车场防火设计规范_第2页
2/15
汽车库、修车库、停车场防火设计规范_第3页
3/15
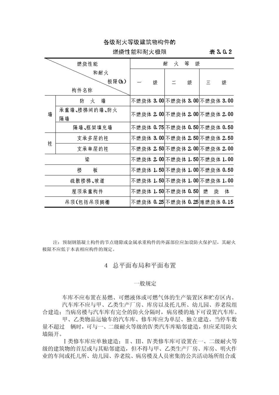
中华人民共和国国家标准 汽车库、修车库、停车场设计防火规范 Code for fire protection design of garage, motor-repair-shop and parking-area GB50067-97 主编部门:中华人民共和国公安部 批准部门:中华人民共和国建设部 施行日期:1998年5月1日 1 总 则 1.0.1 为了防止和减少火灾对汽车库、修车库、停车场的危害,保护人身和财产的安全,制定本规范。 1.0.2 本规范适用于新建、扩建和改建的汽车库、修车库、停车场(以下统称车库)防火设计,不适用于消防站的车库防火设计。 1.0.3 车库的防火设计,必须从全局出发,做到安全适用、技术先进、经济合理。 1.0.4 车库的防火设计除应执行本规范外,尚应符合国家现行的有关设计标准和规范的要求。 2 术 语 2.0.1 汽车库 garage 停放由内燃机驱动且无轨道的客车、货车、工程车等汽车的建筑物。 2.0.2 修车库 motor repair shop 保养、修理由内燃机驱动且无轨道的客车、货车、工程车等汽车的建(构)筑物。 2.0.3 停车场 parking area 停放由内燃机驱动且无轨道的客车、货车、工程车等汽车的露天场地和构筑物。 2.0.4 地下汽车库 underground garage 室内地坪面低于室外地坪面高度超过该层车库净高一半的汽车库。 2.0.5 高层汽车库 high-rise garage 建筑高度超过 24m的汽车库或设在高层建筑内地面以上楼层的汽车库。 2.0.6 机械式立体汽车库 mechanical and stereoscopic garage 室内无车道且无人员停留的、采用机械设备进行垂直或水平移动等形式停放汽车的汽车库。 2.0.7 复式汽车库 compound garage 室内有车道、有人员停留的,同时采用机械设备传送,在一个建筑层里叠2~3层存放车辆的汽车库。 2.0.8 敞开式汽车库 open garage 每层车库外墙敞开面积超过该层四周墙体总面积的 25%的汽车库。 3 防火分类和耐火等级 3.0.1 车库的防火分类应分为四类,并应符合表 3.0.1的规定。 注:汽车库的屋面亦停放汽车时,其停车数量应计算在汽车库的总车辆数内。 3.0.2 汽车库、修车库的耐火等级应分为三级。各级耐火等级建筑物构件的燃烧性能和耐火极限均不应低于表 3.0.2的规定。 3.0.3 地下汽车库的耐火等级应为一级。 甲、乙类物品运输车的汽车库、修车库和Ⅰ、Ⅱ、Ⅲ类的汽车库、修车库的耐火等级不应低于二级。 Ⅳ类汽车库、修车库的耐火等级不应低于三级。 注:甲、乙类物品的火灾危险性...

1、当您付费下载文档后,您只拥有了使用权限,并不意味着购买了版权,文档只能用于自身使用,不得用于其他商业用途(如 [转卖]进行直接盈利或[编辑后售卖]进行间接盈利)。
2、本站所有内容均由合作方或网友上传,本站不对文档的完整性、权威性及其观点立场正确性做任何保证或承诺!文档内容仅供研究参考,付费前请自行鉴别。
3、如文档内容存在违规,或者侵犯商业秘密、侵犯著作权等,请点击“违规举报”。

碎片内容

汽车库、修车库、停车场防火设计规范

您可能关注的文档

确认删除?
VIP
微信客服
  • 扫码咨询
会员Q群
  • 会员专属群点击这里加入QQ群
客服邮箱
回到顶部