电脑桌面
添加小米粒文库到电脑桌面
安装后可以在桌面快捷访问

汽车白车身总成装焊工艺设计流程说明

汽车白车身总成装焊工艺设计流程说明_第1页
1/11
汽车白车身总成装焊工艺设计流程说明_第2页
2/11
汽车白车身总成装焊工艺设计流程说明_第3页
3/11
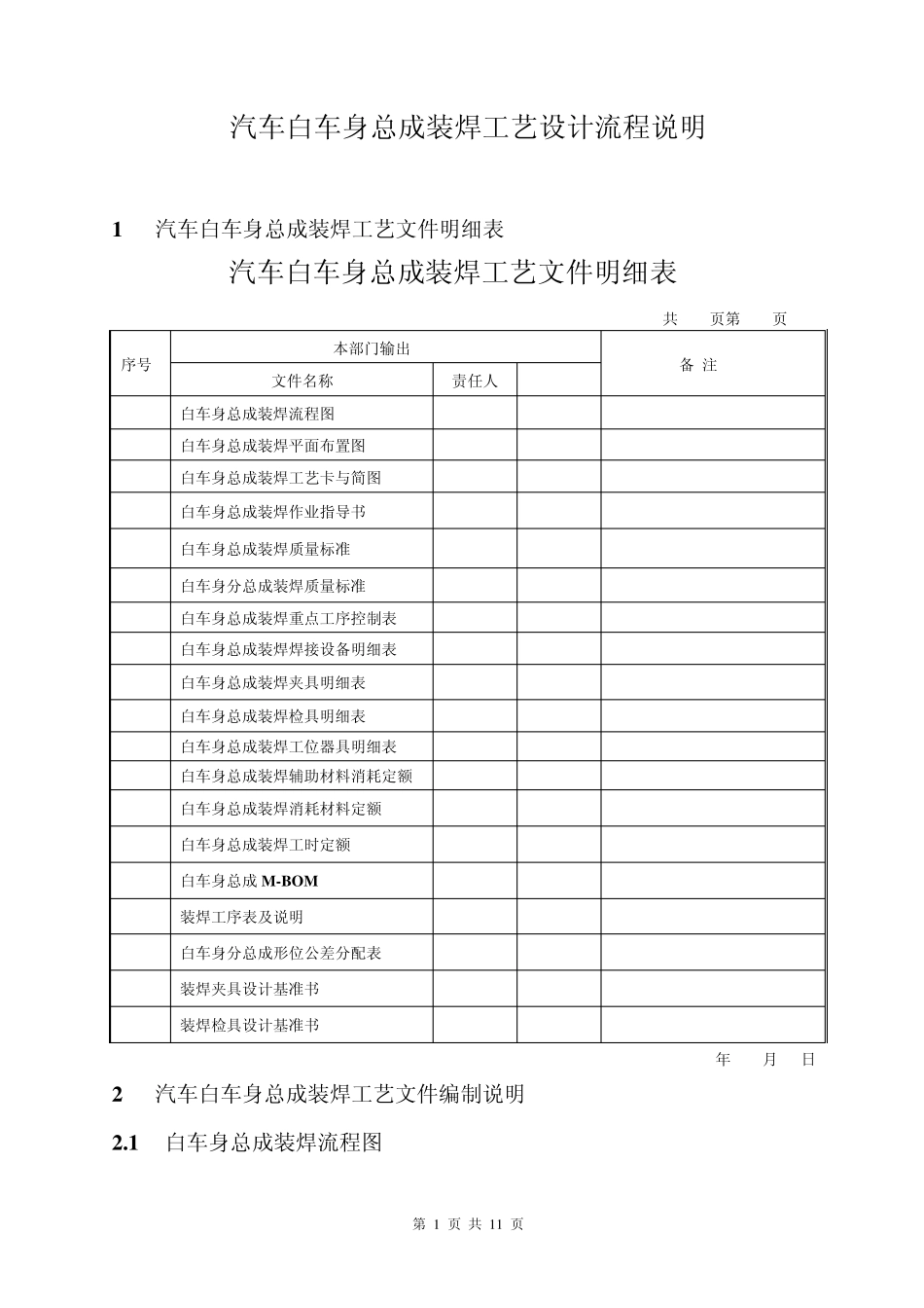
第 1 页 共 1 1 页 汽车白车身总成装焊工艺设计流程说明 1 汽车白车身总成装焊工艺文件明细表 汽车白车身总成装焊工艺文件明细表 共 1 页第 1 页 序号 本部门输出 备 注 文件名称 责任人 1 白车身总成装焊流程图 2 白车身总成装焊平面布置图 3 白车身总成装焊工艺卡与简图 4 白车身总成装焊作业指导书 5 白车身总成装焊质量标准 6 白车身分总成装焊质量标准 7 白车身总成装焊重点工序控制表 8 白车身总成装焊焊接设备明细表 9 白车身总成装焊夹具明细表 10 白车身总成装焊检具明细表 11 白车身总成装焊工位器具明细表 12 白车身总成装焊辅助材料消耗定额 13 白车身总成装焊消耗材料定额 14 白车身总成装焊工时定额 15 白车身总成M-BOM 16 装焊工序表及说明 17 白车身分总成形位公差分配表 18 装焊夹具设计基准书 19 装焊检具设计基准书 2008年 12 月 9 日 2 汽车白车身总成装焊工艺文件编制说明 2.1 白车身总成装焊流程图 第 2 页 共 1 1 页 《白车身总成装焊流程图》是依据研究院发布的《白车身总成M-BOM》的标准和要求编制而成的。 重点表述了白车身总成和各个分总成的零部件之间的装焊关系、构成零件数量和使用的装焊设备、装焊夹具、装焊样架、工位器具和装配工具等信息。 还可表明不同车型的白车身总成的共用零部件、借用零部件(零部件局部有变化,用共用零部件改制)以及新制零部件的构成关系。 《白车身总成装焊流程图》表达形式可以是树状图或鱼刺图等形式。 2 .2 白车身总成装焊平面布置图 《白车身总成装焊平面布置图》是根据生产纲领、生产能力和工艺水平的标准和要求编制而成的。 重点表述了装焊生产线、生产区域的布置;物流输送传递路线;装焊夹具、装焊样架、装焊检具、装焊设备和装焊工位器具定置配备;公共动力、水、电、气接点配置和生活、办公设施的配置等信息。 2 .3 白车身总成装焊工艺卡与简图 《白车身总成装焊工艺卡与简图》是依据《白车身总成数模》、《焊点图》、《焊接技术标准》和《白车身总成装焊流程图》的标准和要求编制而成的。 重点表述了每个工位所装焊的白车身分总成生产节拍;装焊所用工艺装备;装焊产品质量要求等技术要求并附白车身分总成零部件构成关系的爆炸图。 2 .4 白车身总成装焊作业指导书 第 3 页 共 1 1 页 《白车身总成装焊作业指导书》是依据《白车身总成装焊工艺卡与简图》的标准和要求...

1、当您付费下载文档后,您只拥有了使用权限,并不意味着购买了版权,文档只能用于自身使用,不得用于其他商业用途(如 [转卖]进行直接盈利或[编辑后售卖]进行间接盈利)。
2、本站所有内容均由合作方或网友上传,本站不对文档的完整性、权威性及其观点立场正确性做任何保证或承诺!文档内容仅供研究参考,付费前请自行鉴别。
3、如文档内容存在违规,或者侵犯商业秘密、侵犯著作权等,请点击“违规举报”。

碎片内容

汽车白车身总成装焊工艺设计流程说明

您可能关注的文档

小辰9+ 关注
实名认证
内容提供者

出售各种资料和文档

确认删除?
VIP
微信客服
  • 扫码咨询
会员Q群
  • 会员专属群点击这里加入QQ群
客服邮箱
回到顶部