电脑桌面
添加小米粒文库到电脑桌面
安装后可以在桌面快捷访问

汽车线束讲座

汽车线束讲座_第1页
1/8
汽车线束讲座_第2页
2/8
汽车线束讲座_第3页
3/8
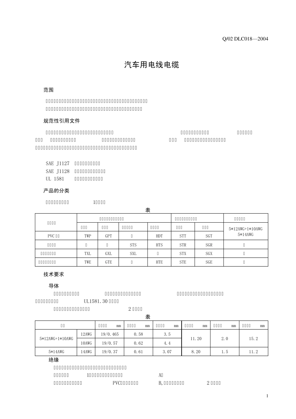
青岛电缆股份有限公司企业 标 准 Q/02 DLC018—2004 汽车用电线电缆 2004-11-20 发布 2004-11-28 实施 青岛电缆股份有限公司 发 布 Q/02 DLC018—2004 I 前 言 本标准是青岛电缆股份有限公司根据SAE电线电缆标准制定的24~ 4/0AWG的汽车用电线电缆,并采用此标准作为此类产品的生产依据。本标准参照美国汽车工业协会SAE相关标准制定。 本标准的附录A、附录B为规范性附录。 本标准由青岛电缆股份有限公司提出并起草。 本标准主要起草人:尚德义、赵国玉。 本标准自发布之日起有效期三年,到期复审。 Q/02 DLC018—2004 1 汽车用电线电缆 1 范围 本标准规定了汽车用多芯电线电缆的规格、要求、检验规则及标志、包装、运输、贮存。 本标准适用于汽车主回路用、汽车电瓶用和汽车用多芯电线电缆(以下简称电缆)。 2 规范性引用文件 下列文件中的条款通过本标准的引用而成为本标准的条款。凡是注日期的引用文件,其随后所有的修改单(不包括勘误的内容)或修订版均不适用于本标准,然而,鼓励根据本标准达成协议的各方研究是否可使用这些文件的最新版本。凡是不注日期的引用文件,其最新版本适用于本标准。 SAE J1127 车辆用低压电瓶线标准 SAE J1128 车辆用低压主回路电缆标准 UL 1581 电线电缆和软线基础标准 3 产品的分类 电缆的型号应符合表1的规定。 表1 绝缘材料 汽车主回路用电缆的型号 汽车电瓶用电缆的型号 多芯汽车线 薄壁型 通用型 特殊用类型 厚壁重型 薄壁型 通用型 5*12AWG+1*10AWG 5*14AWG PVC 绝缘 TWP GPT ─ HDT STT SGT 橡皮绝缘 ─ ─ STS HTS STR SGR — 交联聚烯烃绝缘 TXL GXL SXL ─ STX SGX — 热塑性弹性体绝缘 TWE GTE ─ HTE STE SGE — 4 技术要求 4.1 导体 4.1.1 导体结构是绞合结构,可以是裸铜导体也可以有镀层。导体的绞合可以采取束绞或复绞的形式,导体直流电阻应符合UL1581.30 的要求。 4.1.2 多芯汽车线的导体结构应符合表2 的规定。 表2 规格 导体结构mm 绝缘厚度mm 绝缘外径mm 成缆外径mm 护套厚度mm 成品外径mm 5*12AWG+1*10AWG 12AWG 19/0.465 0.58 3.5 11.20 2.0 15.2 10AWG 19/0.57 0.62 4.4 5*14AWG 14AWG 19/0.37 0.61 3.07 8.20 1.5 11.2 4.2 绝缘 4.2.1 绝缘应均匀、紧密的挤包在导体上,应容易剥离而不损伤导体。 4.2.2 绝缘材料见表1,绝缘材料的机械性能...

1、当您付费下载文档后,您只拥有了使用权限,并不意味着购买了版权,文档只能用于自身使用,不得用于其他商业用途(如 [转卖]进行直接盈利或[编辑后售卖]进行间接盈利)。
2、本站所有内容均由合作方或网友上传,本站不对文档的完整性、权威性及其观点立场正确性做任何保证或承诺!文档内容仅供研究参考,付费前请自行鉴别。
3、如文档内容存在违规,或者侵犯商业秘密、侵犯著作权等,请点击“违规举报”。

碎片内容

汽车线束讲座

您可能关注的文档

确认删除?
VIP
微信客服
  • 扫码咨询
会员Q群
  • 会员专属群点击这里加入QQ群
客服邮箱
回到顶部