电脑桌面
添加小米粒文库到电脑桌面
安装后可以在桌面快捷访问

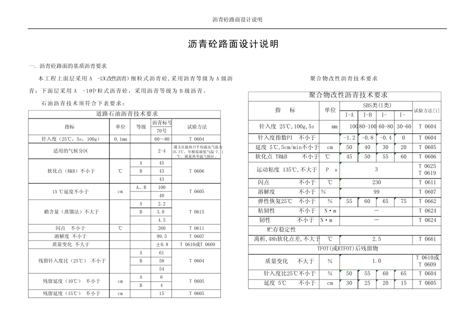
沥青砼路面的基质沥青要求

沥青砼路面的基质沥青要求_第1页
1/7
沥青砼路面的基质沥青要求_第2页
2/7
沥青砼路面的基质沥青要求_第3页
3/7
沥青砼路面设计说明 沥青标号70号针入度(25℃,5s,100g)0.1mm60~80T 0604适用的气候分区2-4遵义市最热月平均最高气温为25.3℃,年极端最低气温-7.1℃,属夏热冬温气候区。A45B43C43A、B100C40A2.2B3.0C4.5闪点 不小于℃260T 0611溶解度 不小于%99.5T 0607质量变化 不大于%±0.8T 0610或T 0609A61B58C54A6B4残留延度(15℃) 不小于 cmC15T 0605道路石油沥青技术要求T 0615T 0604T 0605残留针入度比(25℃) 不小于%℃残留延度(10℃) 不小于 cm蜡含量(蒸馏法)不大于%指标单位等级试验方法T 0606T 0605软化点(R&B)不小于15 ℃延度不小于cmI-AI-BI-CI-D针入度 25℃,100g,5sdmm>100 80-100 60-80 30-60T 0604针入度指数PI 不小于-1.2-0.8-0.40T 0604延度 5℃,5cm/min不小于cm50403020T 0605软化点 TR&B 不小于℃ 45505560T 0606运动粘度 135℃,不大于PasT 0625T 0619闪点 不小于℃T 0611溶解度 不小于% T 0607弹性恢复25℃ 不小于%55606575T 0662粘韧性 不小于N·mT 0624韧性 不小于N·m T 0624离析,48h软化点差,不大于℃T 0661 质量变化 不大于%T 0610或T 0609 针入度比25℃不小于%50556065T 0604 延度 5℃ 不小于cm30252015T 06051.0聚合物改性沥青技术要求993230试验方法[1] TFOT(或RTFOT)后残留物2.5 贮存稳定性指 标单位SBS类(I类)-- 一. 沥青砼路面的基质沥青要求 本工程上面层采用AC-13(改性沥青)细粒式沥青砼,采用沥青等级为A 级沥青;下面层采用AC-16中粒式沥青砼,采用沥青等级为B 级沥青。 石油沥青技术须符合下表要求: 聚合物改性沥青技术要求 沥青砼路面设计说明 沥青砼路面设计说明 石料压碎值,不大于%2628T 0316洛杉矶磨损失,不大于%2830T 0317表观相对密度,不小于t/m32.62.5T 0304吸水率,不大于%23T 0304坚固性,不大于%1212T 0314针片状颗粒含量(混合料),不大于%1518其中粒径大于9.5mm,不大于%1215其中粒径小于9.5mm,不大于%1820水洗法<0.075mm颗粒含量,不大于%11T 0310软石含量,不大于%35T 0320与沥青的粘附性,不小于级54T 0616试验方法T 0312下面层AC-25型的粗集料沥青混合料用粗集料质量技术要求上面层AC-13型的粗集料指标单位项目单位 上面层AC-13型的细集料下面层AC-25型的细集料试验方法表观相对密度,不小于t/m32.52.5T 0328坚固性(>0.3mm部分),不小于 %1212T 0340含泥量(小于0.075mm的含量),不...

1、当您付费下载文档后,您只拥有了使用权限,并不意味着购买了版权,文档只能用于自身使用,不得用于其他商业用途(如 [转卖]进行直接盈利或[编辑后售卖]进行间接盈利)。
2、本站所有内容均由合作方或网友上传,本站不对文档的完整性、权威性及其观点立场正确性做任何保证或承诺!文档内容仅供研究参考,付费前请自行鉴别。
3、如文档内容存在违规,或者侵犯商业秘密、侵犯著作权等,请点击“违规举报”。

碎片内容

沥青砼路面的基质沥青要求

小辰8+ 关注
实名认证
内容提供者

出售各种资料和文档

确认删除?
VIP
微信客服
  • 扫码咨询
会员Q群
  • 会员专属群点击这里加入QQ群
客服邮箱
回到顶部