电脑桌面
添加小米粒文库到电脑桌面
安装后可以在桌面快捷访问

焦炭在高炉炼铁中的地位和作用

焦炭在高炉炼铁中的地位和作用_第1页
1/8
焦炭在高炉炼铁中的地位和作用_第2页
2/8
焦炭在高炉炼铁中的地位和作用_第3页
3/8
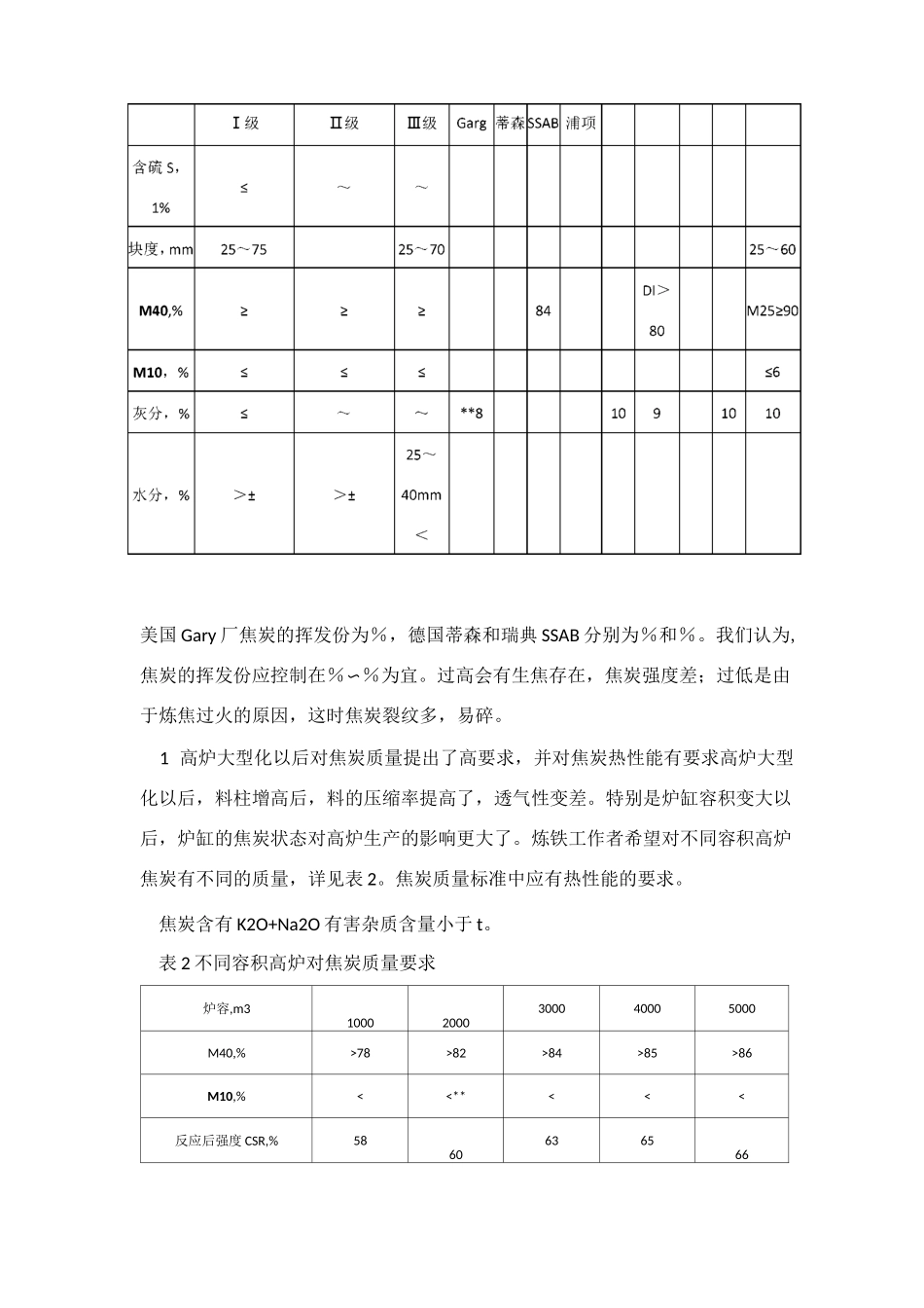
焦炭在高炉炼铁中的地位和作用焦炭在高炉炼铁中是不可缺少的炉料,对高炉炼铁技术进步的影响率在 30%以上,在高炉炼铁精料技术中占有重要的地位。焦炭对高炉炼铁的作用是:(1) 主要的热量来源。高炉炼铁炭素(包括焦炭和煤粉)燃烧所提供的热量,占高炉炼铁总热量来源的 71%。随着喷煤比的提高,焦炭用量在逐步减少。但是,焦炭的用量总是要大于喷煤量。理论最低焦比为 250kg/t,焦炭在风口燃烧掉 55%〜65%。(2) 还原剂。焦炭还原作用是以 C 和 CO 形式来对铁矿石起还原作用。炉料到风口焦炭溶反应为 25%〜35%。(3) 生铁的溶碳。在高炉炼铁过程中焦炭中的碳是逐步渗透到生铁中。一般铸造生铁含碳%左右,炼钢生铁在%左右。生铁渗碳消耗焦炭 7%〜10%。(4)炉料的骨架作用。焦炭在高炉内是起骨架作用,支撑着炼铁原料(烧结矿,球团矿,天然块矿),又起到煤气的透气窗作用。焦炭的 4 种作用中,提供热源的主导作用不会改变,这就决定 3 个理论焦比最低值。低于这个最低值,高炉炼铁就难以正常生产,或经济上就不合算了。在各种条件下高炉炼铁中碳的还原作用和渗碳功能不会有较大的变化。在高喷煤比条件下,焦炭的骨架作用会显得更加突出,相应对焦炭的质量要求也会越来越高。否则,是难以实现高喷煤比,高炉炼铁不能正常生产。焦炭从料线到风口平均粒度减少 20%〜40%。劣质焦炭和热反应性差粉化率会很大。宝钢高炉缸内的焦炭粒度可达 33mm。高炉炼铁对焦炭质量的要求各国根据资源条件,高炉炼铁要求的焦炭质量是有较大差别(详见表 1)。但是,工业发达国家的焦炭质量是明显优于中国,这是这些高炉技术经济指标优于中国的重要原因。表 1 各国冶金焦炭质量情况指标中国美国德国瑞典韩国英国 日本荷兰法国俄罗斯美国 Gary 厂焦炭的挥发份为%,德国蒂森和瑞典 SSAB 分别为%和%。我们认为,焦炭的挥发份应控制在%〜%为宜。过高会有生焦存在,焦炭强度差;过低是由于炼焦过火的原因,这时焦炭裂纹多,易碎。1 高炉大型化以后对焦炭质量提出了高要求,并对焦炭热性能有要求高炉大型化以后,料柱增高后,料的压缩率提高了,透气性变差。特别是炉缸容积变大以后,炉缸的焦炭状态对高炉生产的影响更大了。炼铁工作者希望对不同容积高炉焦炭有不同的质量,详见表 2。焦炭质量标准中应有热性能的要求。焦炭含有 K2O+Na2O 有害杂质含量小于 t。表 2 不同容积高炉对焦炭质量要求炉容,m310002000300040005000M40,%>78>82>84>85>86M10...

1、当您付费下载文档后,您只拥有了使用权限,并不意味着购买了版权,文档只能用于自身使用,不得用于其他商业用途(如 [转卖]进行直接盈利或[编辑后售卖]进行间接盈利)。
2、本站所有内容均由合作方或网友上传,本站不对文档的完整性、权威性及其观点立场正确性做任何保证或承诺!文档内容仅供研究参考,付费前请自行鉴别。
3、如文档内容存在违规,或者侵犯商业秘密、侵犯著作权等,请点击“违规举报”。

碎片内容

焦炭在高炉炼铁中的地位和作用

wxg+ 关注
实名认证
内容提供者

该用户很懒,什么也没介绍

确认删除?
VIP
微信客服
  • 扫码咨询
会员Q群
  • 会员专属群点击这里加入QQ群
客服邮箱
回到顶部