电脑桌面
添加小米粒文库到电脑桌面
安装后可以在桌面快捷访问

钢化玻璃检验标准VIP专享

钢化玻璃检验标准_第1页
1/9
钢化玻璃检验标准_第2页
2/9
钢化玻璃检验标准_第3页
3/9
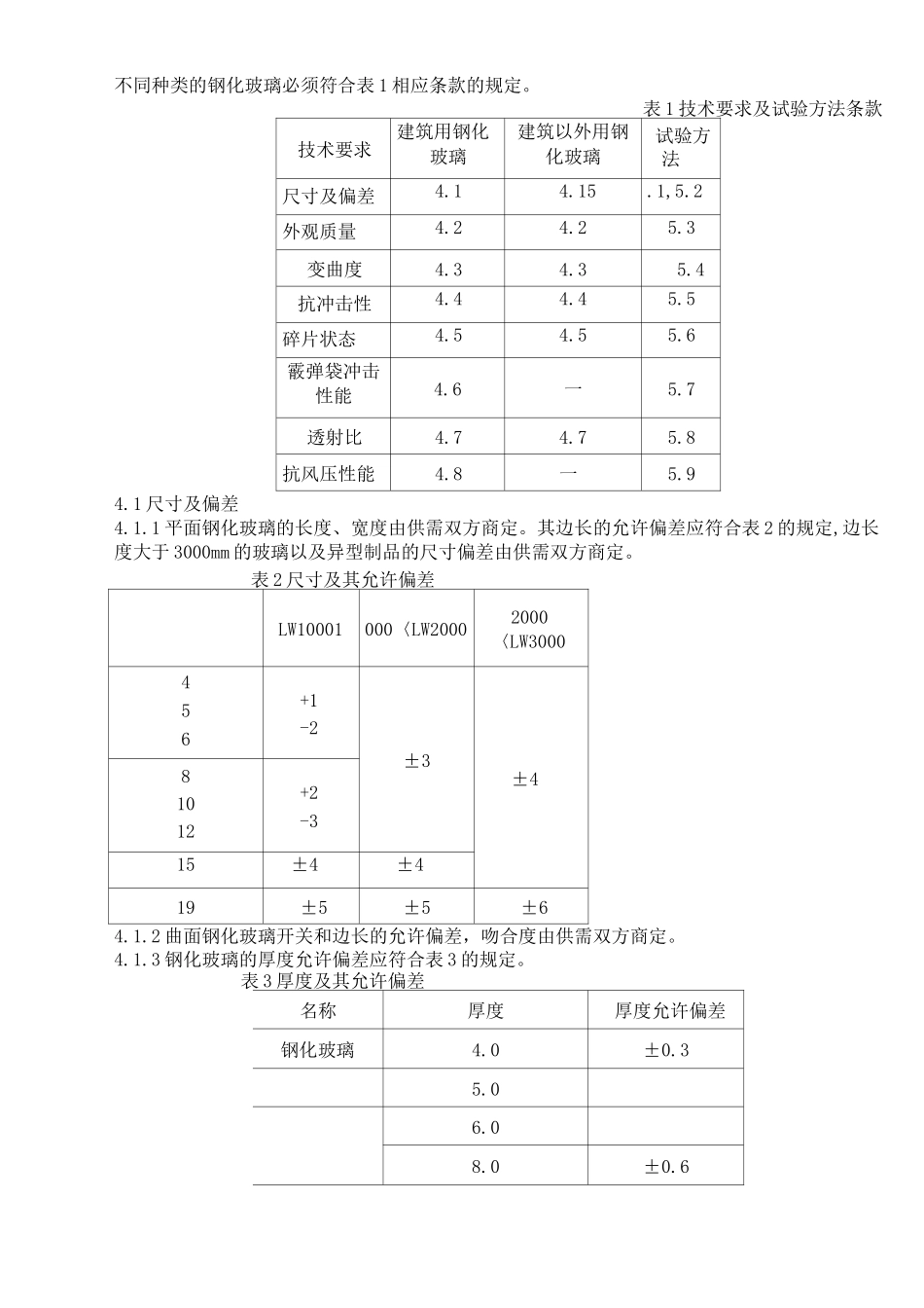
国家质量技术监督局发布 1998.05.08 发布 1998.12.01 实施. 、八、 - 前言本标准是根据日本标准 JISR3206(1989 版)《钢化玻璃》对 GB9963-88 进行修订的,在技术内容上与该日本标准等效,但考虑到其适用范围,增加了抗风压性能的要求。本标准是根据日本标准 JISR3206(1989 版)《钢化玻璃》对 GB9963-88 进行修订的,在技术内容上与该日本标准等效,但考虑到其适用范围,增加了抗风压性能的要求。本标准首次发布于 1982 年,原名为 JC293-82《平型钢化玻璃》,1986 年重新制定该标准,删除其中关于汽车、船舶用钢化玻璃的规定,一名为《钢化玻璃》并于 1988 年发布后实施。本次修改的主要内容是取消了原标准中的 II 类钢化玻璃并重新分类,将霰弹袋的最大冲击高度 2300mm 改为 1200mm,经过这样的修改,这项试验就不仅仅是观察其碎片状态,而是用于判定玻璃安全性能的试验。另外,鉴于我国钢化水平的提高,将原 4mm 厚玻璃落球冲击破碎后称量最大碎片质量的方法改为用制品作试样,小锤冲击后检验碎片的方法;且去掉原标准中对抗弯强度和热稳定性的规定。本标准从生效之日起,同时代替 GB9963-88。本标准由国家建筑材料工业局提出。本标准由国家建筑材料科学研究院玻璃科学研究所归口。本标准起草单位:中国建筑材料科学研究院玻璃科学研究所。本标准主要起草人:龚蜀一、汪如洋、韩松、王睿。1 范围本标准规定了钢化玻璃的分类、技术要求、检验方法和检验规则。适用于建筑、工业装备等建筑以外用钢化玻璃。2 引用标准下列标准所包含的条文,通过在本标准中引用而构成为本标准的条文。本标准出版时,所示版本均为有效。所有标准都会被修订,使用本标准的各方应探讨使用下列标准最新版本的可能性。GB/T531—92 硫化橡胶邵尔 A 型硬度试验方法GB1216-85 外径千分尺GB4871—1995 普通平板玻璃GB5137.2—1996 汽车安全玻璃光学性能试验方法GB11614—89 浮法玻璃JC/T677—1997 建筑玻璃均布静载模拟压试验方法3 分类及应用3.1 钢化玻璃按形状分类,分类平面钢化玻璃和曲面钢化玻璃。3.2 钢化玻璃按应用范围分类,分为建筑用钢化玻璃和建筑以外用钢化玻璃。4 要求钢化玻璃 Temperedglass不同种类的钢化玻璃必须符合表 1 相应条款的规定。表 1 技术要求及试验方法条款技术要求建筑用钢化玻璃建筑以外用钢化玻璃试验方法尺寸及偏差4.14.15.1,5.2外观质量4.24.25.3变曲度4.34.35.4抗冲击性4.44.45.5碎片...

1、当您付费下载文档后,您只拥有了使用权限,并不意味着购买了版权,文档只能用于自身使用,不得用于其他商业用途(如 [转卖]进行直接盈利或[编辑后售卖]进行间接盈利)。
2、本站所有内容均由合作方或网友上传,本站不对文档的完整性、权威性及其观点立场正确性做任何保证或承诺!文档内容仅供研究参考,付费前请自行鉴别。
3、如文档内容存在违规,或者侵犯商业秘密、侵犯著作权等,请点击“违规举报”。

碎片内容

钢化玻璃检验标准

确认删除?
VIP
微信客服
  • 扫码咨询
会员Q群
  • 会员专属群点击这里加入QQ群
客服邮箱
回到顶部