电脑桌面
添加小米粒文库到电脑桌面
安装后可以在桌面快捷访问

油漆进料检验标准书(04.04.27))

油漆进料检验标准书(04.04.27))_第1页
1/6
油漆进料检验标准书(04.04.27))_第2页
2/6
油漆进料检验标准书(04.04.27))_第3页
3/6
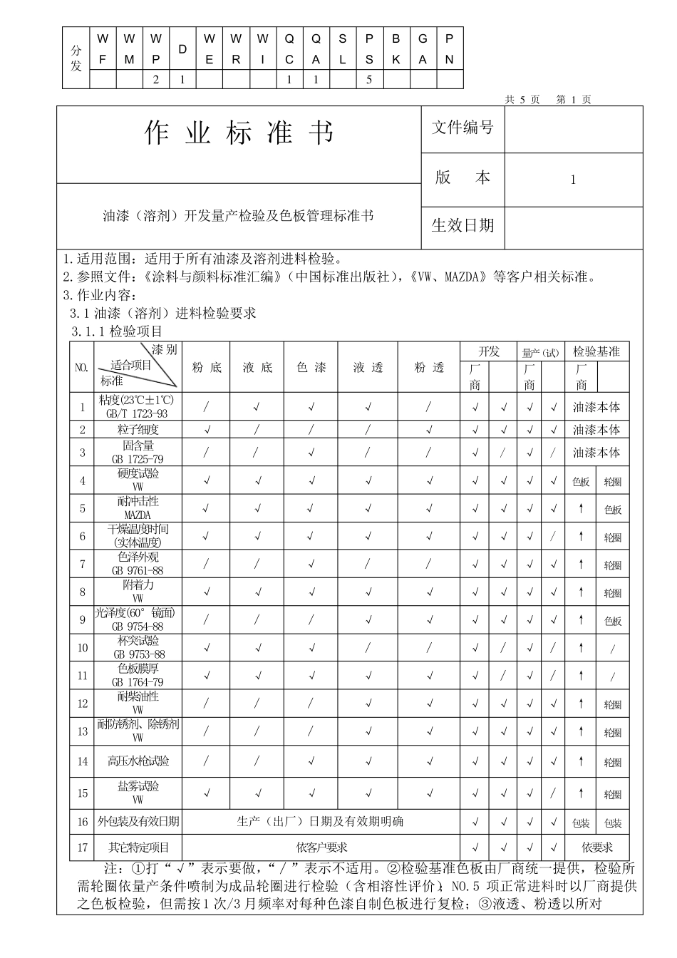
分发 WF WM WP D WE WR WI QC QA SL PS BK GA PN 2 1 1 1 5 共 5 页 第 1 页 作 业 标 准 书 文件编号 版 本 1 油漆(溶剂)开发量产检验及色板管理标准书 生效日期 1.适用范围:适用于所有油漆及溶剂进料检验。 2.参照文件:《涂料与颜料标准汇编》(中国标准出版社),《VW、MAZDA》等客户相关标准。 3.作业内容: 3.1 油漆(溶剂)进料检验要求 3.1.1 检验项目 NO. 漆 别 适合项目 标准 粉 底 液 底 色 漆 液 透 粉 透 开发 量产(试) 检验基准 厂商 厂商 厂商 1 粘度(23℃±1℃) GB/T 1723-93 ∕ √ √ √ ∕ √ √ √ √ 油漆本体 2 粒子细度 √ ∕ ∕ ∕ √ √ √ √ √ 油漆本体 3 固含量 GB 1725-79 ∕ ∕ √ ∕ ∕ √ / √ / 油漆本体 4 硬度试验 VW √ √ √ √ √ √ √ √ √ 色板 轮圈 5 耐冲击性 MAZDA √ √ √ √ √ √ √ √ √ ↑ 色板 6 干燥温度时间 (实体温度) √ √ √ √ √ √ √ √ / ↑ 轮圈 7 色泽外观 GB 9761-88 ∕ ∕ √ ∕ ∕ √ √ √ √ ↑ 轮圈 8 附着力 VW √ √ √ √ √ √ √ √ √ ↑ 轮圈 9 光泽度(60°镜面) GB 9754-88 ∕ ∕ ∕ √ √ √ √ √ √ ↑ 色板 10 杯突试验 GB 9753-88 √ √ √ ∕ ∕ √ ∕ √ ∕ ↑ ∕ 11 色板膜厚 GB 1764-79 √ √ √ √ √ √ ∕ √ ∕ ↑ ∕ 12 耐柴油性 VW ∕ ∕ ∕ √ √ √ √ √ √ ↑ 轮圈 13 耐防锈剂、除锈剂 VW ∕ ∕ ∕ √ √ √ √ √ √ ↑ 轮圈 14 高压水枪试验 ∕ ∕ √ √ √ √ √ √ √ ↑ 轮圈 15 盐雾试验 VW √ √ √ √ √ √ √ √ ∕ ↑ 轮圈 16 外包装及有效日期 生产(出厂)日期及有效期明确 √ √ √ √ 包装 包装 17 其它特定项目 依客户要求 √ √ √ √ 依要求 注:①打“√”表示要做,“∕”表示不适用。②检验基准色板由厂商统一提供,检验所需轮圈依量产条件喷制为 成 品 轮圈进行 检验(含相溶性评 价 ); NO.5 项正 常 进料时以 厂商提供之 色板检验,但 需按 1 次 /3 月 频 率 对 每 种 色漆自 制色板进行 复 检; ③ 液透、粉透以 所对 核准 审核 作成 分发 WF WM WP D ...

1、当您付费下载文档后,您只拥有了使用权限,并不意味着购买了版权,文档只能用于自身使用,不得用于其他商业用途(如 [转卖]进行直接盈利或[编辑后售卖]进行间接盈利)。
2、本站所有内容均由合作方或网友上传,本站不对文档的完整性、权威性及其观点立场正确性做任何保证或承诺!文档内容仅供研究参考,付费前请自行鉴别。
3、如文档内容存在违规,或者侵犯商业秘密、侵犯著作权等,请点击“违规举报”。

碎片内容

油漆进料检验标准书(04.04.27))

确认删除?
VIP
微信客服
  • 扫码咨询
会员Q群
  • 会员专属群点击这里加入QQ群
客服邮箱
回到顶部