电脑桌面
添加小米粒文库到电脑桌面
安装后可以在桌面快捷访问

电子镇流器线路图大全1

电子镇流器线路图大全1_第1页
1/20
电子镇流器线路图大全1_第2页
2/20
电子镇流器线路图大全1_第3页
3/20
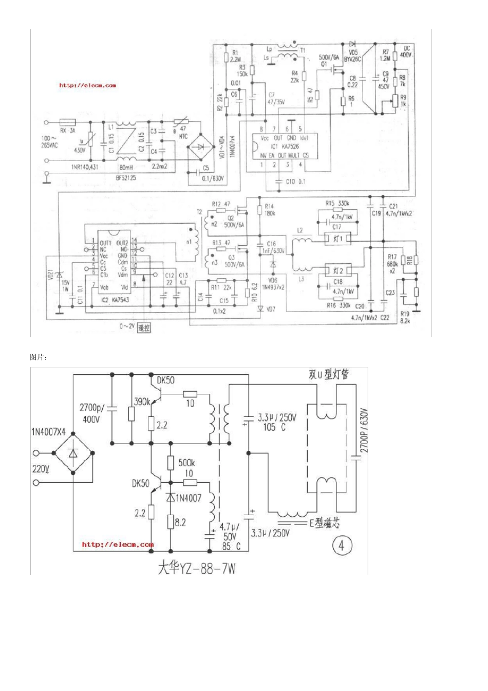
电子镇流器线路图大全1 图片: 图片: 图片: 图片: 浅析新型逆变式电子镇流器工作原理与设计方法(组图) 发布日期: 2005-2005-09-10 文章来源:谢 勇 张纳敏 照明工程师社区 浏览次数:15387 摘要:介绍一种新型逆变式电子镇流器电路结构,该电子镇流器利用电感、电容和二极管构成的辅助电路实现输入电流波形的校正并使功率开关管工作在零电压开关状态,具有高功率因数、高工作效率、低波峰系数和电路结构简单的特点。分析了电路的工作原理,介绍了电路参数设计方法,给出了实验结果。 1 引言 由于电子镇流器具有较高的灯光效、高的功率因数、重量轻、无闪烁、无噪声和使用电压范围较宽(170~270V)等优点,在我国已得到广泛的应用。电子镇流器功率虽小,但使用量极大。因而其性能好坏直接影响到节电效果和对电网污染的程度。本文介绍的电子镇流器不但性能好,而且电路结构简单,成本低,具有较好的应用前景。 2 电路工作原理分析 2.1 电路结构 新型逆变式电子镇流器主电路如图 1 所示,图中CS 为隔直电容,虚线所包围的部分为实现高功率因数而附加的电路,电感 L 为一个能量传输者传递着电流,同时也起着提高直流电压和电流波形校正的作用。两个电容 Cx、CY 为两个小型能量槽储存一部分能量,这两个能量槽在高频方式下完成充放电功能。两个二极管 VDx、VDy 引导电感电流进入电解电容 C 或负载回路。由于附加能量处理单元的作用,使整流二极管导通角增大到180°。电感 L 中的电流是一个高频振荡波形,其平均值电流跟随输入电压的波形,从而达到功率因数校正的目的。R1、C1、双向触发二极管 VD4 为触发启动电路。 2.2 工作过程 为了分析方便,输入电压和整流桥被等效成 Urec(t)和 VDr 表示,其中Urec(t)=Uim ㄧsinω t ㄧ,Uim 为输入电压峰值,ω 为输入交流电压频率。灯负载回路等效成一个电流源电路,其电流表达式为io(t)=Iomsinω ot(Iom 为负载电流幅值,ω o 为功率管开关频率)。由于逆变电路开关频率远比输入交流电压频率高,在分析过程的每一开关周期中可认为输入电压是近似不变的。又由于该逆变电路在输入电压峰值附近和输入电压瞬时值较低时的工作状态略有不同,分析时按两种情况讨论。对应的等效电路图及工作波形图分别如图 2 和图 3 所示。 第一种工作情况:这种工作情况对应于输入电压瞬时值较低时的工作状态。整个工作过程分五个阶段,此种情况下Ucx 最大值低于电解...

1、当您付费下载文档后,您只拥有了使用权限,并不意味着购买了版权,文档只能用于自身使用,不得用于其他商业用途(如 [转卖]进行直接盈利或[编辑后售卖]进行间接盈利)。
2、本站所有内容均由合作方或网友上传,本站不对文档的完整性、权威性及其观点立场正确性做任何保证或承诺!文档内容仅供研究参考,付费前请自行鉴别。
3、如文档内容存在违规,或者侵犯商业秘密、侵犯著作权等,请点击“违规举报”。

碎片内容

电子镇流器线路图大全1

您可能关注的文档

确认删除?
VIP
微信客服
  • 扫码咨询
会员Q群
  • 会员专属群点击这里加入QQ群
客服邮箱
回到顶部