电脑桌面
添加小米粒文库到电脑桌面
安装后可以在桌面快捷访问

电机拖动实验指导书

电机拖动实验指导书_第1页
1/10
电机拖动实验指导书_第2页
2/10
电机拖动实验指导书_第3页
3/10
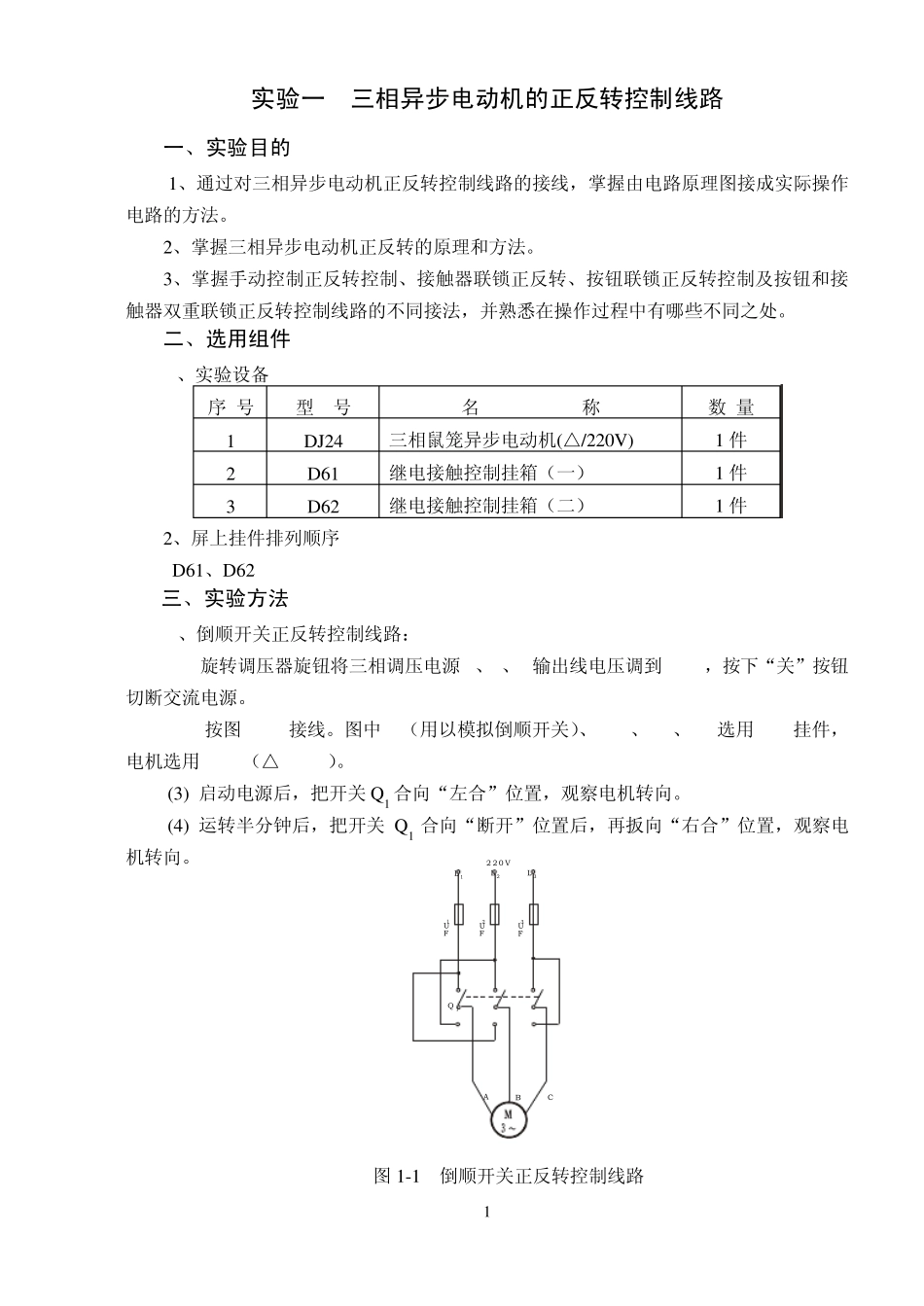
1 实验一 三相异步电动机的正反转控制线路 一、实验目的 1、通过对三相异步电动机正反转控制线路的接线,掌握由电路原理图接成实际操作电路的方法。 2、掌握三相异步电动机正反转的原理和方法。 3、掌握手动控制正反转控制、接触器联锁正反转、按钮联锁正反转控制及按钮和接触器双重联锁正反转控制线路的不同接法,并熟悉在操作过程中有哪些不同之处。 二、选用组件 1、实验设备 序 号 型 号 名 称 数 量 1 DJ24 三相鼠笼异步电动机(△/220V ) 1 件 2 D61 继电接触控制挂箱(一) 1 件 3 D62 继电接触控制挂箱(二) 1 件 2、屏上挂件排列顺序 D61、D62 三、实验方法 1、倒顺开关正反转控制线路: (1) 旋转调压器旋钮将三相调压电源U、V、W输出线电压调到220V,按下“关”按钮切断交流电源。 (2) 按图11-1接线。图中Q1(用以模拟倒顺开关)、FU1 、FU2、FU3选用 D62挂件,电机选用 DJ24(△/220V)。 (3) 启动电源后,把开关Q 1 合向“左合”位置,观察电机转向。 (4) 运转半分钟后,把开关Q 1 合向“断开”位置后,再扳向“右合”位置,观察电机转向。 图1-1 倒顺开关正反转控制线路 ABCL 1L 2L 32 2 0 VQ 1FU3FU2FU1左 合断 开右 合 2 2、接触器联锁正反转控制线路: (1) 按下“关”按钮切断交流电源。按图 1-2接线。图中 SB1、SB2、SB3、KM1、KM2、FR1选用 D61件,Q1、FU1、FU2 、FU3、FU4选用 D62挂件,电机选用 DJ24(△/220V)。经指导老师检查无误后,按下“开”按钮通电操作。 (2) 合上电源开关 Q1,接通 220V 三相交流电源。 (3) 按下SB1,观察并记录电动机 M 的转向、接触器自锁和联锁触点的吸断情况。 (4) 按下SB3,观察并记录 M 运转状态、接触器各触点的吸断情况。 (5) 再按下SB2,观察并记录 M 的转向、接触器自锁和联锁触点的吸断情况。 图 1-2 接触器联锁正反转控制线路 3、按钮联锁正反转控制线路: (1)按下“关”按钮切断交流电源。按图 1-3接线。图中 SB1、SB2、SB3、KM1、KM2、FR1选用 D61挂件,Q1、FU1、FU2 、FU3、FU4选用 D62挂件,电机选用 DJ24(△/220V)。经检查无误后,按下“开”按钮通电操作。 (2) 合上电源开关 Q1,接通 220V 三相交流电源。 (3) 按下SB1,观察并记录电动机 M 的转向、各触点的吸断情况。 (4) 按下SB3,观察并记录电动机 M 的转向、各触点的吸断情况。 (5) 按下SB2,观察...

1、当您付费下载文档后,您只拥有了使用权限,并不意味着购买了版权,文档只能用于自身使用,不得用于其他商业用途(如 [转卖]进行直接盈利或[编辑后售卖]进行间接盈利)。
2、本站所有内容均由合作方或网友上传,本站不对文档的完整性、权威性及其观点立场正确性做任何保证或承诺!文档内容仅供研究参考,付费前请自行鉴别。
3、如文档内容存在违规,或者侵犯商业秘密、侵犯著作权等,请点击“违规举报”。

碎片内容

电机拖动实验指导书

确认删除?
VIP
微信客服
  • 扫码咨询
会员Q群
  • 会员专属群点击这里加入QQ群
客服邮箱
回到顶部