电脑桌面
添加小米粒文库到电脑桌面
安装后可以在桌面快捷访问

电气工程常用材料

电气工程常用材料_第1页
1/21
电气工程常用材料_第2页
2/21
电气工程常用材料_第3页
3/21
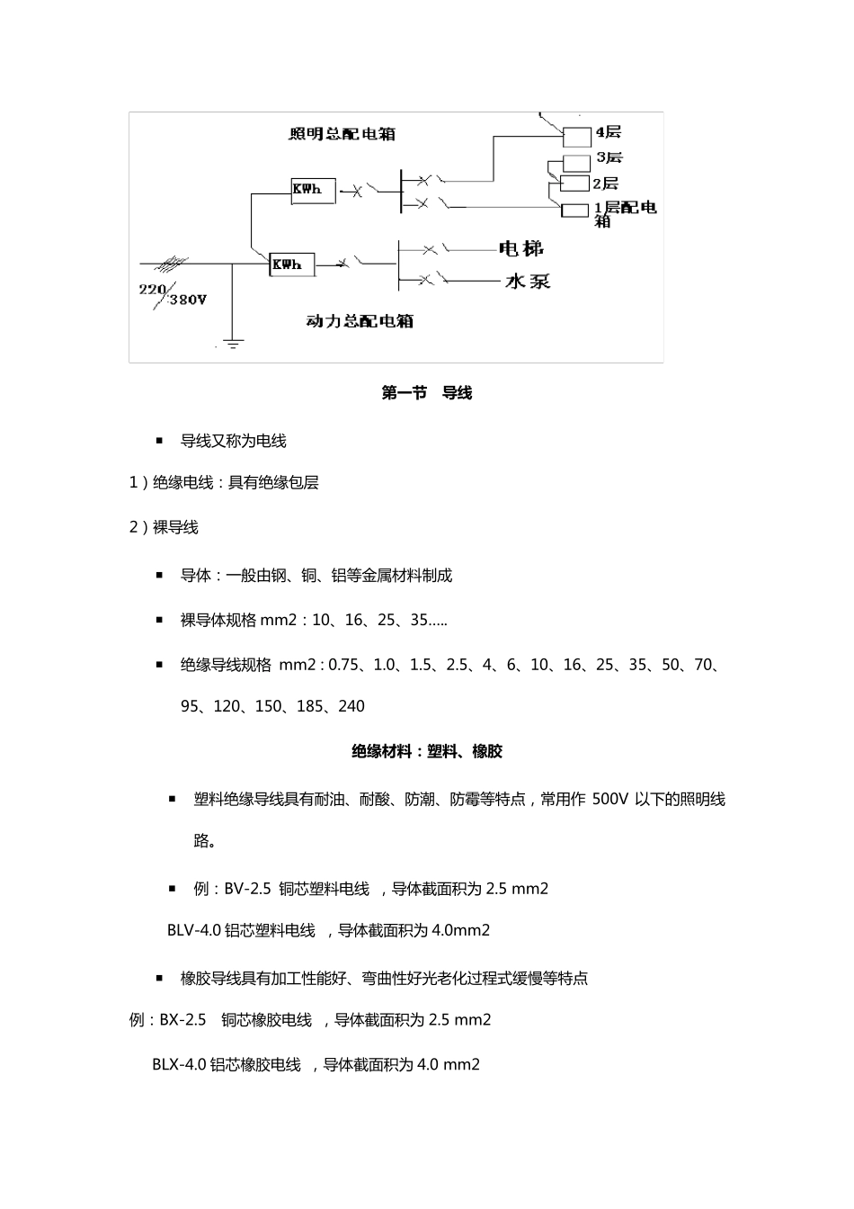
电 气 工 程 常 用 材 料 第 一节 常用导电材料及其应用 第 二节 常用绝缘材料及其应用 第 三节 常用安装材料 电力系统简介 电 力 系 统 简 介  电 力 系 统 : 由 各 种 电 压 的 电 力 线 路 将 一 些 发 电 厂 、变电 所和电 力 用 户联系 起来的 一个发 电 、输电 、变电 、配电 和用 电 的 整体,称为电 力 系 统 。 一 、发 电 厂 、电 力 系 统 基本知识 该 系 统 由 5 个 环 节 组 成 : 发 电 、输电 、变电 、配电 、用电 。 ( 2) 水 力 发 电 厂 水 流 的 位 能 ( 动 能 机 械 能 电 能 优 点 : 生 产 过 程 简 单 、 易 于 实 现 自 动 化 、 成 本 低 、 无 污 染 。 缺 点 : 建 设 投 资 大 、 工 期 长 、 受 气 候 、 水 文 条 件 影 响 大 , 分 丰 水 期 和 枯 水 期 。 a 堤 坝 式 水 电 厂 b 引 水 式 水 电 c 抽 水 蓄 能 式 水 电 厂   ( 3) 核 电 厂  核 裂 变 能 →热能 →机 械 能 →电 能 1Kg U235=2700t 标准煤  优 点 : 消耗燃烧少;燃烧时不需  要空气 助燃 ;容量越大 越经济  缺 点 : 开停机 复杂、 有放射性污 染 。  如: 浙江秦山核 电 站 ( 2*60 万 kw) 广东大 亚湾核 电 站( 2*90 万 kw) 阳江核 电站 ( 2*90 万 kw) ( 4) 其它类型电 厂 风能 、 太阳能 、 潮汐能 、 地热能 建筑照明及动力供电 系 统 第 一 节 导 线  导 线 又 称 为 电 线 1) 绝 缘 电 线 : 具 有 绝 缘 包 层 2) 裸 导 线  导 体 : 一 般 由 钢 、铜 、铝 等 金 属 材 料 制 成  裸 导 体 规 格 mm2: 10、16、25、35…..  绝 缘 导 线 规 格 mm2 : 0.75、1.0、1.5、2.5、4、6、10、16、25、35、50、70、95、120、150、185、240 绝 缘 材 料 : 塑 料 、橡胶  塑 料 绝 缘 导 线 具 有 耐 油 、耐 酸 、防 潮 、防 霉 等 特 点 , 常 用 作 500V 以 下 的 照 明 线路 。  例 : BV-2.5 铜 芯 塑 料 电 线 , 导 体 截 面 积 为 2.5 mm2 BLV-4.0 铝 芯 塑 料 电...

1、当您付费下载文档后,您只拥有了使用权限,并不意味着购买了版权,文档只能用于自身使用,不得用于其他商业用途(如 [转卖]进行直接盈利或[编辑后售卖]进行间接盈利)。
2、本站所有内容均由合作方或网友上传,本站不对文档的完整性、权威性及其观点立场正确性做任何保证或承诺!文档内容仅供研究参考,付费前请自行鉴别。
3、如文档内容存在违规,或者侵犯商业秘密、侵犯著作权等,请点击“违规举报”。

碎片内容

电气工程常用材料

确认删除?
VIP
微信客服
  • 扫码咨询
会员Q群
  • 会员专属群点击这里加入QQ群
客服邮箱
回到顶部