电脑桌面
添加小米粒文库到电脑桌面
安装后可以在桌面快捷访问

电磁炉维修指南

电磁炉维修指南_第1页
1/8
电磁炉维修指南_第2页
2/8
电磁炉维修指南_第3页
3/8
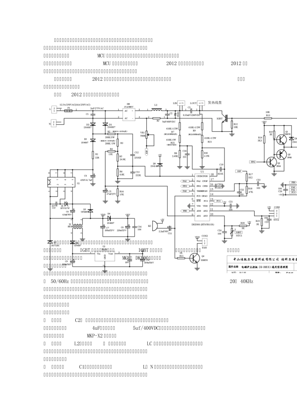
随着科学技术的发展,电磁炉的技术也有很大的进步,其中进步最大的是电磁炉的电子控制电路。电磁炉的电子控制电路已经由原来多个芯片和比较多的外围元件组成的控制电路发展到只要一个专用的MCU 和一些外围元件组成的控制电路。中山迪凯尔电器科技有限公司也研发出了以一个专用的MCU 和一些外围元件组成的2012 系列电磁炉控制电路。2012 系列电磁炉控制电路比以前其他系列的控制电路更加简洁,稳定性更高,故障率更低。 本手册主要介绍2012 系列电磁炉控制电路的工作原理和一些故障分析排除方法,以此方便售后服务和车间制程作参考。 以下是2012 系列电磁炉主控制电路原理图: 该电路由工作主回路、低电压电源供给电路、电源电压检测电路、电源浪涌检测电路、工作同步电路、IGBT 峰值电压检测电路、IGBT 驱动电路、主回路电流检测电路、温度检测电路、电磁炉蜂鸣和散热风扇电路、MCU( DKE001)组成。 电磁炉的工作原理: 电磁炉是一种利用电磁感应原理将电能转换为热能的厨房电器。在电磁炉内部,由整流电路将50/60Hz 的交流电压变成直流电压,再经过控制电路将直流电压转换成频率为20~ 40KHz的高频电压,高速变化的电流流过线圈会产生高速变化的磁场,当磁场内的磁力线通过金属器皿(导磁又导电材料)底部金属体内产生无数的小涡流,使器皿本身自行高速发热,然后再加热器皿内的东西。 电磁炉的关键元器件: ⑴ 滤波电容C2: 该电容将整流全桥输出的脉动直流电平滑为直流电,其容量与电磁炉的功率有关,一般不小于4uF,目前常用为5uf/400VDC。选用标准:无感、高频特性好、自愈能力强和稳定性高的MKP-X2 型电容器。 ⑵ 滤波电感L2(扼流圈): 与滤波电容组成LC 滤波器,滤波电感的直流电阻极小,几乎没有直流压降,而且交流阻抗很大,这样既能有效地阻碍脉动电流通过,又能向后续电路提供足够大的直流电流。 ⑶ 抗干扰电容C1:该电容跨接在市电输入L、 N 之间,既防止电磁炉产生的高频干扰脉冲窜入市电网,干扰其它电器,又防止市电网中的干扰脉冲窜入电磁炉电路,影响其工作,该电容容量通常为2uF,目前使用2Uf/275VAC。 ⑷ 压敏电阻ZNR1: 为了防止高频干扰或者雷击等高电压损坏后面的电路,在市电L、 N 之间跨接一个压敏电阻。该电阻的阻值随外加电压的变化而变化,外接电压较低时,流过电阻的电流很小,压敏电阻呈高阻状态;当外加电压超过其压敏电压时,流过电阻的电流陡增,压敏电阻呈低阻状态,此时保...

1、当您付费下载文档后,您只拥有了使用权限,并不意味着购买了版权,文档只能用于自身使用,不得用于其他商业用途(如 [转卖]进行直接盈利或[编辑后售卖]进行间接盈利)。
2、本站所有内容均由合作方或网友上传,本站不对文档的完整性、权威性及其观点立场正确性做任何保证或承诺!文档内容仅供研究参考,付费前请自行鉴别。
3、如文档内容存在违规,或者侵犯商业秘密、侵犯著作权等,请点击“违规举报”。

碎片内容

电磁炉维修指南

您可能关注的文档

确认删除?
VIP
微信客服
  • 扫码咨询
会员Q群
  • 会员专属群点击这里加入QQ群
客服邮箱
回到顶部