电脑桌面
添加小米粒文库到电脑桌面
安装后可以在桌面快捷访问

电装件标准手册VIP专享

电装件标准手册_第1页
1/52
电装件标准手册_第2页
2/52
电装件标准手册_第3页
3/52
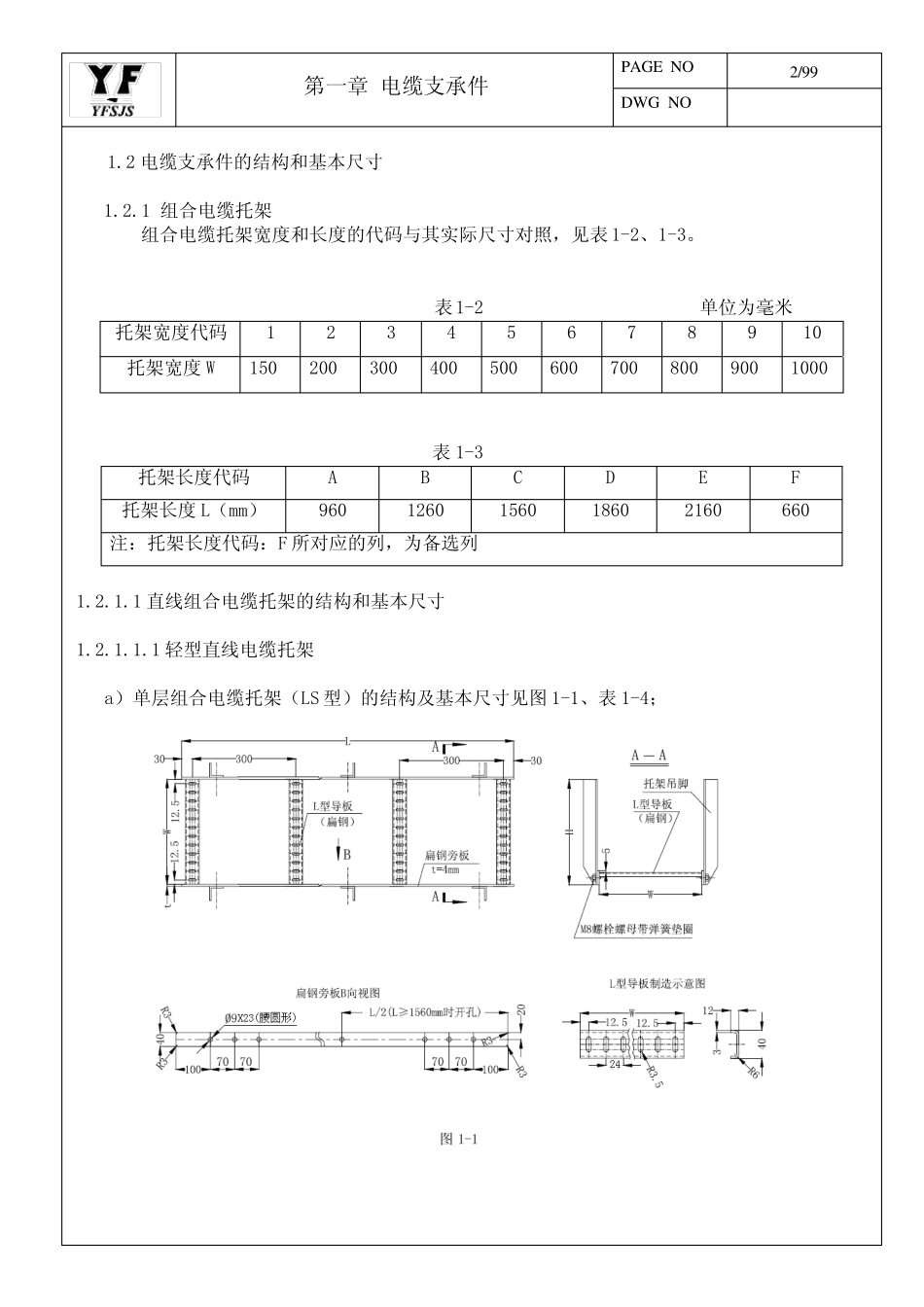
第一章 电缆支承件 PAGE NO 1/99 DWG NO 1. 电缆支承件 1.1 电缆支承件的分类 电缆支承件分为组合电缆托架、单只电缆托架和扁钢电缆支架等多种类别,见表1-1。 组合电缆托架符合Q/SWS 36-001.2-2005《组合电缆托架》。 单只电缆托架符合Q/SWS 36-001.1-2005《单只电缆托架》。 扁钢电缆支架符合Q/SWS 36-002.1-2005《扁钢电缆托架》。 冷库扁钢电缆支架符合Q/SWS 36-002.2-2005《冷库扁钢电缆托架》。 管口扁钢电缆支架符合Q/SWS 36-002.3-2005《管口扁钢电缆托架》。 表1-1 类 别 图示符号 名 称 型 号 备 注 组合电缆托架 直线部位 电缆托架 L□-W-L-H L—组合电缆托架代号 □—S:单层;D:双层;T:三层(备选)W—托架宽度(数字代码:1~10) L—托架长度(子母代码:A~F) H—吊脚高度(mm) 900 转角部位电缆托架 L□R1-W -H L—组合电缆托架代号 □—S:单层;D:双层;T:三层(备选)R1—900 转角 W—托架宽度(数字代码:1~10) H—吊脚高度(mm) 450 转角部位电缆托架 L□R2-W-H L—组合电缆托架代号 □—S:单层;D:双层;T:三层(备选)R2—450 转角 W—托架宽度(数字代码:1~10) H—吊脚高度(mm) 单只电缆托架 单只电缆托架SL□-W-H SL—单只电缆托架代号 □—S:单层;D:双层;T:三层(备选)W—托架宽度(数字代码:1~10) H—吊脚高度(mm) 扁钢电缆支架 常规扁钢 电缆支架 FBWL-H FB—常规扁钢电缆支架代号 W—支架宽度(数字代码:2;4;7) L—支架长度 (数字代码: 3 或 5) H—支架脚高(mm) 冷库扁钢 电缆支架 FCWL-H FC—冷库扁钢电缆支架代号 W—支架宽度(数字代码:3) L—支架长度 (数字代码: 3 或 5) H—支架脚高(mm) 管口扁钢 电缆支架 FPW-H FP—管口扁钢电缆支架代号 W—支架宽度(数字代码:3;4;5) H—支架脚高 (mm) 第一章 电缆支承件 PAGE NO 2/99 DW G NO 1.2 电缆支承件的结构和基本尺寸 1.2.1 组合电缆托架 组合电缆托架宽度和长度的代码与其实际尺寸对照,见表1-2、1-3。 表1-2 单位为毫米 托架宽度代码 1 2 3 4 5 6 7 8 9 10 托架宽度W 150 200 300 400 500 600 700 800 900 1000 表1-3 托架长度代码 A B C D E F 托架长度L(mm) 960 1260 1560 1860 2160 660 注:托架长度代码:F 所对应的列,为备选列 1.2.1.1 直线组合电缆托架的结构和基本尺寸 1.2.1.1.1 轻型...

1、当您付费下载文档后,您只拥有了使用权限,并不意味着购买了版权,文档只能用于自身使用,不得用于其他商业用途(如 [转卖]进行直接盈利或[编辑后售卖]进行间接盈利)。
2、本站所有内容均由合作方或网友上传,本站不对文档的完整性、权威性及其观点立场正确性做任何保证或承诺!文档内容仅供研究参考,付费前请自行鉴别。
3、如文档内容存在违规,或者侵犯商业秘密、侵犯著作权等,请点击“违规举报”。

碎片内容

电装件标准手册

确认删除?
VIP
微信客服
  • 扫码咨询
会员Q群
  • 会员专属群点击这里加入QQ群
客服邮箱
回到顶部