电脑桌面
添加小米粒文库到电脑桌面
安装后可以在桌面快捷访问

眼镜检验标准

眼镜检验标准_第1页
1/6
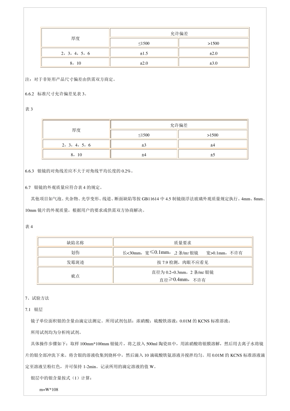
眼镜检验标准_第2页
2/6
眼镜检验标准_第3页
3/6
镀银玻璃镜 Silv er coated glass mirror 2000-12-25 发布 2001-05-01 实施 中华人民共和国建材行业标准 C/T871-2000 1、范围 本标准规定了镀银玻璃镜的标记、试验方法、检验规则及包装、标志、运输和贮存等。 本标准适用于以玻璃为基片,镀覆金属薄墨、铜膜和保护漆,在室内使用的镀饮玻璃镜片。 2、引用标准 下列标准所包含的条文,通过在本标准中引用而构成为本标准的条文。本标准出版时,所示版本均为有效。所有标准都会被修订,使用本标准的各方应探讨使用下列标准最新版本的可能性。 GB/T1764-1979 漆膜厚度测定发法 GB/T1771-1991 色漆和清漆 耐中性盐雾性能的测定 (eqv ISO 7253:1984) GB/T2680-1994 建筑玻璃 可见光直接透射比、太阳能总透射比、紫外线 透射比及有关窗玻璃参数的测定(neq ISO 9050:1990) GB11614-1999 浮法玻璃 3、分类 按颜色分:无色银镜;有色银镜。 按厚度分:2mm、3mm、4mm、5mm、6mm、8mm、10mm。 4、定义 4.1 镀银玻璃镜 silver coated glass mirror 在优质浮法玻璃或磨光玻璃基片上镀有一层反光的银层,银层上镀一层铜,再以镜背漆为保护层的镜子,简称银镜,代号为SGM。 4.2 固定尺寸 regular size 固定尺寸是镜子的出厂尺寸,形状为矩形或其他形状。 4.3 标准尺寸 standard size 标准尺寸是镜子生产过程中的常规尺寸。固定尺寸可由标准尺寸改裁。 5、产品标记 产品标记由产品名称、代号及规格尺寸三部分组成。 标记示例:长为 2000mm,宽为 1500mm,厚为 5mm 镀银玻璃镜标记为:镀银玻璃镜 SGM-2000*1500*5 6、技术要求 6.1 原材料 6.1.1 玻璃原片 采用 GB11614 标准中规定的浮法玻璃制镜级或相当于浮法玻璃制镜级的玻璃原片或磨光玻璃。 6.1.2 化学制剂 采用适合生产线生产的优质化学制剂。 6.2 镀层和涂层(反射层和保护层) 镀层由银层和铜层组成,涂层由一层或几层漆层组成。一层漆用面层,两层漆为底漆和面漆,如图1 所示。 6.2.1 银层 银层是通过化学过程沉积到玻璃板面上的反射层,对可见光具有均匀的反射性能。银层中的银含量应不小于700mg/m2 6.2.2 铜层 铜层是通过化学过程沉积到银层上的保护层,也是对反射层的补充,因此铜层应完全覆盖银层。铜层中的铜含量应不小于200mg/m2 6.2.3 漆层 漆层用以保护银层和铜层。漆层由一层或多层组成,目前生产厂家一般是由一层面漆组成。为了检测方便,底漆和棉漆要用不...

1、当您付费下载文档后,您只拥有了使用权限,并不意味着购买了版权,文档只能用于自身使用,不得用于其他商业用途(如 [转卖]进行直接盈利或[编辑后售卖]进行间接盈利)。
2、本站所有内容均由合作方或网友上传,本站不对文档的完整性、权威性及其观点立场正确性做任何保证或承诺!文档内容仅供研究参考,付费前请自行鉴别。
3、如文档内容存在违规,或者侵犯商业秘密、侵犯著作权等,请点击“违规举报”。

碎片内容

眼镜检验标准

您可能关注的文档

确认删除?
VIP
微信客服
  • 扫码咨询
会员Q群
  • 会员专属群点击这里加入QQ群
客服邮箱
回到顶部