电脑桌面
添加小米粒文库到电脑桌面
安装后可以在桌面快捷访问

矿用通信电缆标准

矿用通信电缆标准_第1页
1/13
矿用通信电缆标准_第2页
2/13
矿用通信电缆标准_第3页
3/13
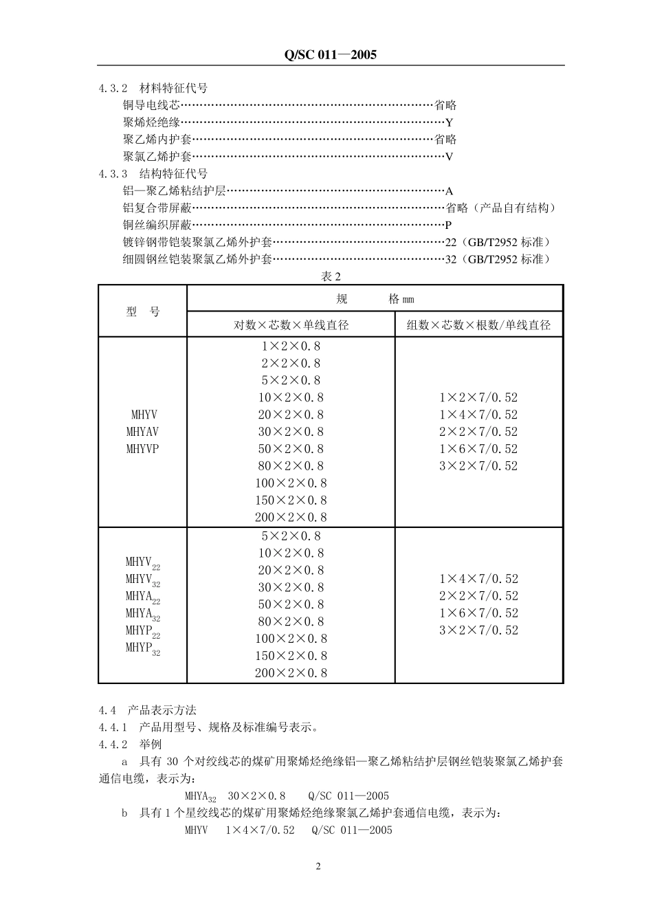
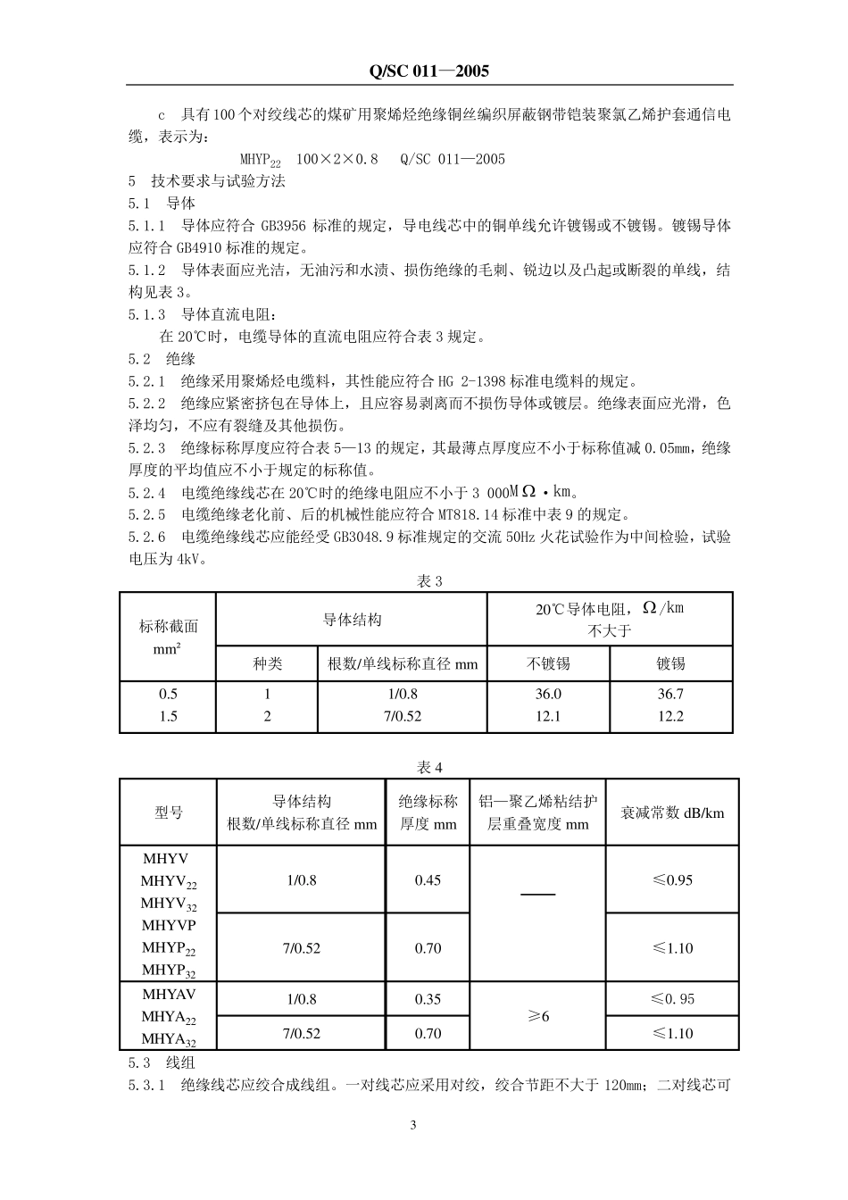
Q/SC 011—2005 1 批是指一次订货的产品数量。 如果一次订货中有不同型号规格的产品,则不同的型号规格应视为不同的批。 3.2 型式试验(T) 型式试验是制造厂在供应电缆标准中规定的某一种电缆之前所进行的试验。其特点是,在做过一次试验后一般不再重做,但在电线电缆所用材料、结构和工艺有了变更而影响电线电缆的性能时,必须重新进行试验;或者在产品中另有规定,如定期进行试验等,也应按规定重新进行试验。 3.3 抽样试验(S) 抽样试验是制造厂按制造批量抽取完整的电线电缆并从其上切取试样或元件进行的试验。 3.4 例行试验(R) 例行试验也称出厂试验,是制造厂对全部成品电线电缆进行的试验。 4 产品分类与命名 4.1 型号 电缆型号见表 1。 表 1 型 号 名 称 用 途 MHY V 煤矿用聚烯烃绝缘聚氯乙烯护套通信电缆 用于平巷、斜巷及机电硐室 MHY V 22 煤矿用聚烯烃绝缘钢带铠装聚氯乙烯护套通信电缆 用于平巷、斜巷及机电硐室,并能承受较大的机械外力 MHY V 32 煤矿用聚烯烃绝缘细钢丝铠装 聚氯乙烯护套通信电缆 用于竖井或斜井,能承受较大的机械拉力 MHYAV 煤矿用聚烯烃绝缘铝—聚乙烯粘结护层 聚氯乙烯护套通信电缆 用于较潮湿的斜井和平巷 MHYA22 煤矿用聚烯烃绝缘铝—聚乙烯粘结护层钢带铠装 聚氯乙烯护套通信电缆 用于较潮湿的斜井和平巷,并能承受较大的机械外力 MHYA32 煤矿用聚烯烃绝缘铝—聚乙烯粘结护层钢丝铠装 聚氯乙烯护套通信电缆 用于较潮湿的竖井或斜井,能承受较大的机械拉力 MHY V P 煤矿用聚烯烃绝缘铜丝编 织 屏 蔽 聚氯乙烯护套通信电缆 用于平巷、斜巷及机电硐室有屏 蔽 要 求 的场 所 MHY P22 煤矿用聚烯烃绝缘铜丝编 织 屏 蔽 钢带铠装 聚氯乙烯护套通信电缆 用于平巷、斜巷及机电硐室,可 以 承受较大的机械外力,抗 电磁 干 扰 性能高 。 MHY P32 煤矿用聚烯烃绝缘铜丝编 织 屏 蔽 细钢丝铠装 聚氯乙烯护套通信电缆 用于斜井和竖井,能承受较大的机械拉力,抗 电磁 干 扰性能高 。 4.2 规格 电缆规格应符 合 表 2 的规定。 4.3 命名代 号 4.3.1 系 列 代 号 煤矿用阻 燃 通信电缆… … … … … … … … … … … … … … … … … … MH Q/SC 011—2005 2 4.3.2 材料特征代号 铜导电线芯…………………………………………………………省略 聚烯烃绝缘…………...

1、当您付费下载文档后,您只拥有了使用权限,并不意味着购买了版权,文档只能用于自身使用,不得用于其他商业用途(如 [转卖]进行直接盈利或[编辑后售卖]进行间接盈利)。
2、本站所有内容均由合作方或网友上传,本站不对文档的完整性、权威性及其观点立场正确性做任何保证或承诺!文档内容仅供研究参考,付费前请自行鉴别。
3、如文档内容存在违规,或者侵犯商业秘密、侵犯著作权等,请点击“违规举报”。

碎片内容

矿用通信电缆标准

您可能关注的文档

确认删除?
VIP
微信客服
  • 扫码咨询
会员Q群
  • 会员专属群点击这里加入QQ群
客服邮箱
回到顶部