电脑桌面
添加小米粒文库到电脑桌面
安装后可以在桌面快捷访问

磁粉检测工艺卡新

磁粉检测工艺卡新_第1页
1/12
磁粉检测工艺卡新_第2页
2/12
磁粉检测工艺卡新_第3页
3/12
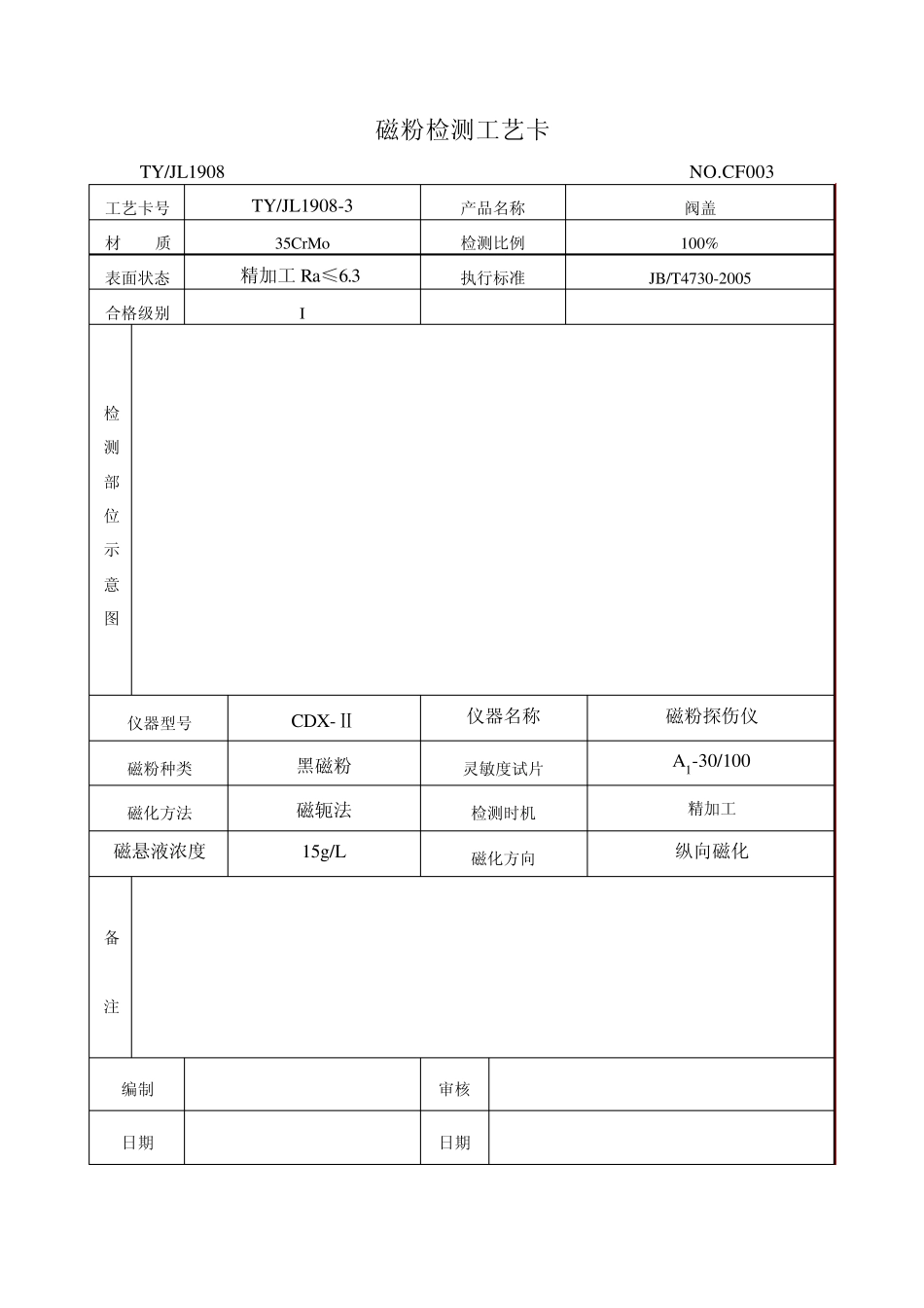
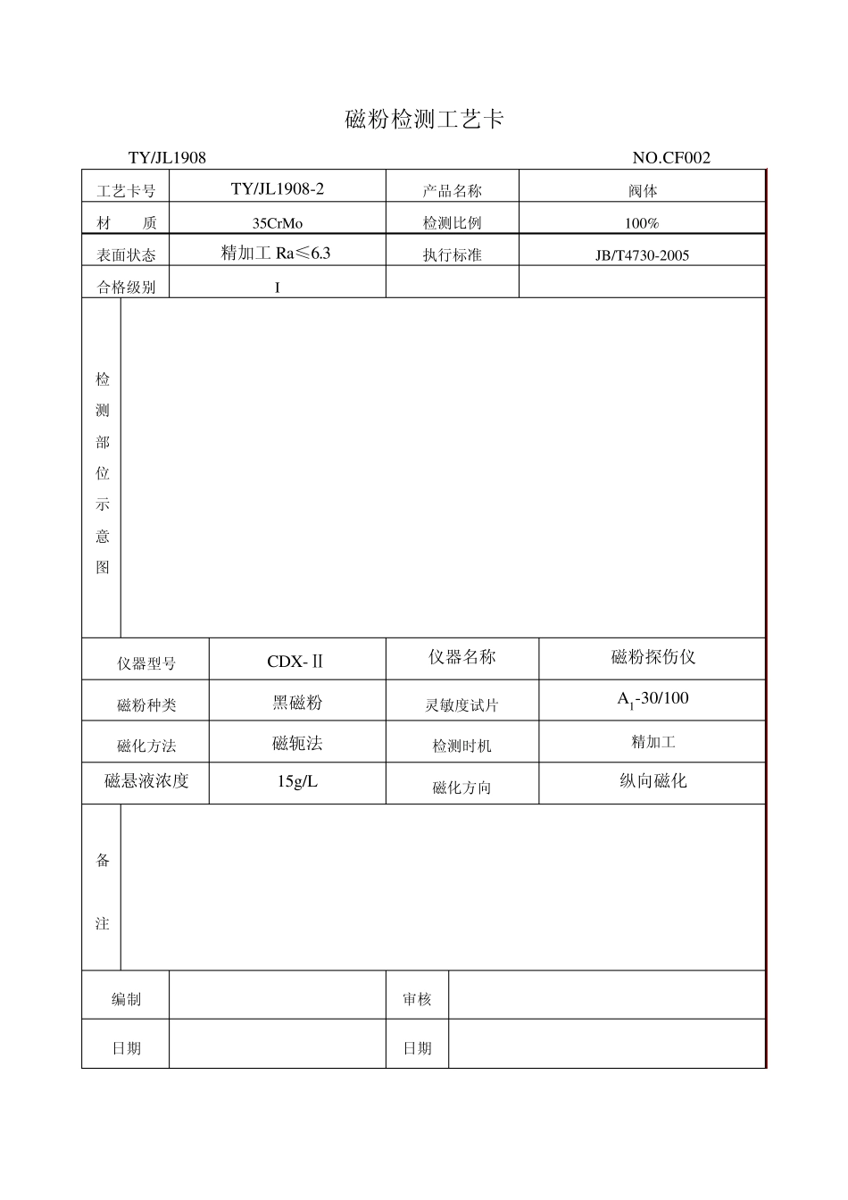
磁粉检测工艺卡 TY/JL1908 NO.CF001 工艺卡号 TY/JL1908-1 产品名称 导向杆 材 质 35CrMo 检测比例 100% 表面状态 精加工Ra≤6.3 执行标准 JB/T4730-2005 合格级别 I 检测部位示意图 仪器型号 CDX-Ⅱ 仪器名称 磁粉探伤仪 磁粉种类 黑磁粉 灵敏度试片 A1-30/100 磁化方法 磁轭法 检测时机 精加工 磁悬液浓度 15g/L 磁化方向 纵向磁化 备 注 编制 审核 日期 日期 磁粉检测工艺卡 TY/JL1908 NO.CF002 工艺卡号 TY/JL1908-2 产品名称 阀体 材 质 35CrMo 检测比例 100% 表面状态 精加工Ra≤6.3 执行标准 JB/T4730-2005 合格级别 I 检测部位示意图 仪器型号 CDX-Ⅱ 仪器名称 磁粉探伤仪 磁粉种类 黑磁粉 灵敏度试片 A1-30/100 磁化方法 磁轭法 检测时机 精加工 磁悬液浓度 15g/L 磁化方向 纵向磁化 备 注 编制 审核 日期 日期 磁粉检测工艺卡 TY/JL1908 NO.CF003 工艺卡号 TY/JL1908-3 产品名称 阀盖 材 质 35CrMo 检测比例 100% 表面状态 精加工Ra≤6.3 执行标准 JB/T4730-2005 合格级别 I 检测部位示意图 仪器型号 CDX-Ⅱ 仪器名称 磁粉探伤仪 磁粉种类 黑磁粉 灵敏度试片 A1-30/100 磁化方法 磁轭法 检测时机 精加工 磁悬液浓度 15g/L 磁化方向 纵向磁化 备 注 编制 审核 日期 日期 磁粉检测工艺卡 TY/JL1908 NO.CF004 工艺卡号 TY/JL1908-4 产品名称 栽丝螺栓M24*127 材 质 35CrMo 检测比例 抽样 表面状态 精加工Ra≤6.3 执行标准 JB/T4730-2005 合格级别 I 检测部位示意图 仪器型号 CDX-Ⅱ 仪器名称 磁粉探伤仪 磁粉种类 黑磁粉 灵敏度试片 A1-30/100 磁化方法 磁轭法 检测时机 精加工 磁悬液浓度 15g/L 磁化方向 纵向磁化 备 注 编制 审核 日期 日期 磁粉检测工艺卡 TY/JL1908 NO.CF005 工艺卡号 TY/JL1908-5 产品名称 阀杆 材 质 2Cr13 检测比例 100% 表面状态 精加工Ra≤6.3 执行标准 JB/T4730-2005 合格级别 I 检测部位示意图 仪器型号 CDX-Ⅱ 仪器名称 磁粉探伤仪 磁粉种类 黑磁粉 灵敏度试片 A1-30/100 磁化方法 磁轭法 检测时机 精加工 磁悬液浓度 15g/L 磁化方向 纵向磁化 备 注 编制 审核 日期 日期 磁粉检测工艺卡 TY/JL1908 NO.CF006 工艺卡号 TY/JL1908-6 产品名称 油管四通 材 质 35CrMo 检测比例 100%...

1、当您付费下载文档后,您只拥有了使用权限,并不意味着购买了版权,文档只能用于自身使用,不得用于其他商业用途(如 [转卖]进行直接盈利或[编辑后售卖]进行间接盈利)。
2、本站所有内容均由合作方或网友上传,本站不对文档的完整性、权威性及其观点立场正确性做任何保证或承诺!文档内容仅供研究参考,付费前请自行鉴别。
3、如文档内容存在违规,或者侵犯商业秘密、侵犯著作权等,请点击“违规举报”。

碎片内容

磁粉检测工艺卡新

您可能关注的文档

确认删除?
VIP
微信客服
  • 扫码咨询
会员Q群
  • 会员专属群点击这里加入QQ群
客服邮箱
回到顶部