电脑桌面
添加小米粒文库到电脑桌面
安装后可以在桌面快捷访问

磁翻板液位计说明书

磁翻板液位计说明书_第1页
1/8
磁翻板液位计说明书_第2页
2/8
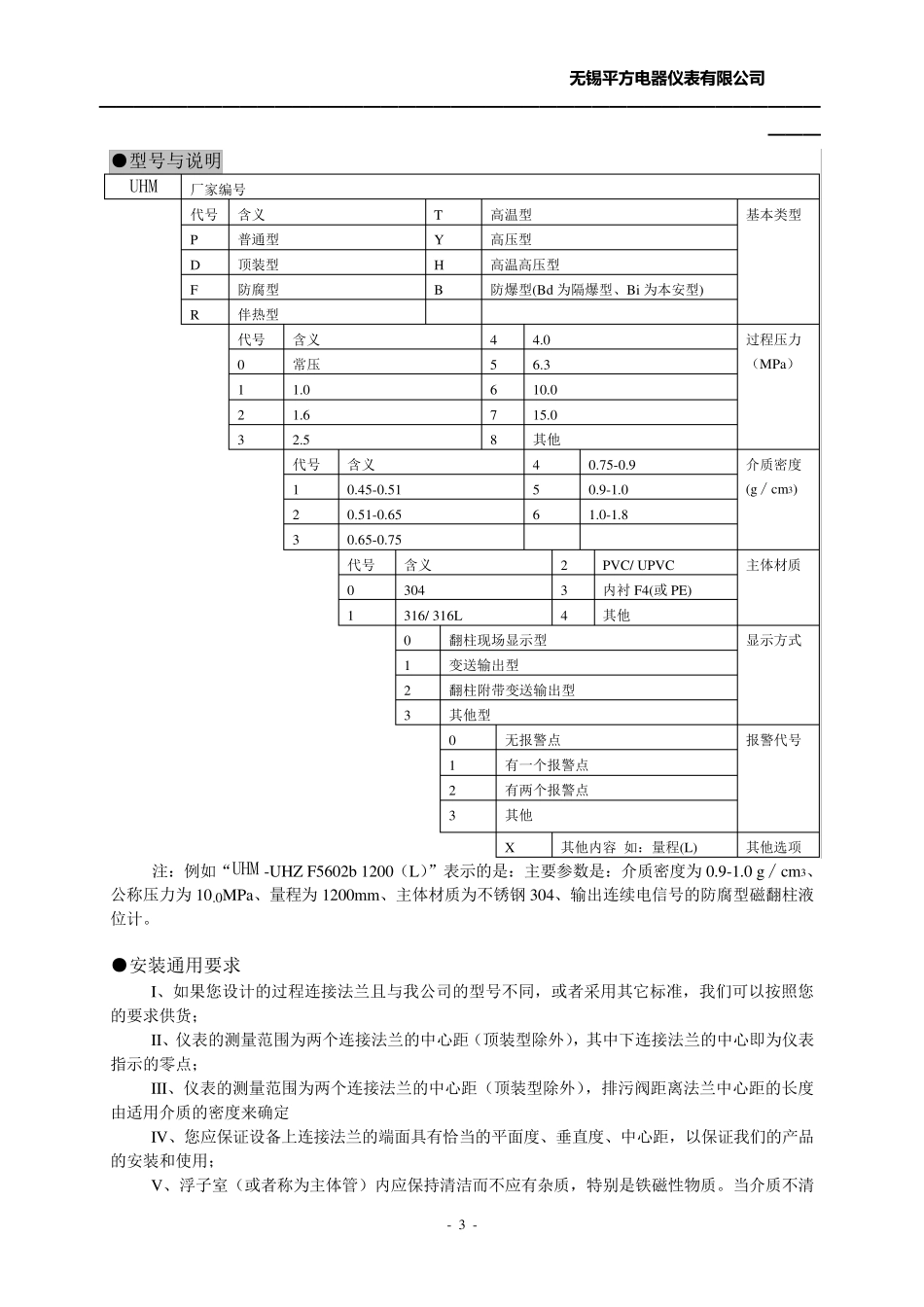
磁翻板液位计说明书_第3页
3/8
无 锡 平 方 电 器 仪表 有 限 公 司 — — — — — — — — — — — — — — — — — — — — — — — — — — — — — — — — — — — — — — — — — — —— - 1 - 磁翻柱液位计使用说明书 ●工作原理与结构 磁性翻柱(磁翻柱)液位计是根据磁极耦合原理、阿基米德(浮力定律)等原理巧妙地结合机械传动的特性而开发研制的一种专门用于液位测量的装置。在此基础上,不断扩大其使用范围,延伸出多种类型的产品,在检测液位的同时我们赋予它们更多的实用功能。 该类型的仪表都有一个容纳浮球的腔体(称为主体管或外壳),腔体通过法兰或其他接口与容器组成一个连通器。这样,仪表的腔体内的液面与容器内的液面是相同高度的,所以腔体内的浮球会随着容器内液面的升降而升降;这时候我们并不能看到液位,所以我们在腔体的外面装了一个翻柱显示器,因为我们在制造浮球时在浮球沉入液体与浮出部分的交界处安装了磁钢,它与浮球随液面升降时,它的磁性透过外壳传递给翻柱显示器,推动磁翻柱翻转180°;由 于磁翻柱是有红 、白 两 个半 圆 柱合成的圆柱体,所以翻转180°后 朝 向 翻柱显示器外的会改 变 颜 色(液面以下 红 色 、以上白 色 ),两 色 交界处即 是液面的高度。 为了扩大它的使用范围,还 可 以根据相关 标 准 及 要求 增 加 液位变 送 装置,以输 出多种电 信 号 (如 : 电 阻 信 号 、电 压 信 号 、或者 电 流 信 号 )。其中 ,4~ 20mA 电 流 信 号是比 较 常 用的一种。比 如 : 在监 测液位的同时磁控 开关 信号 可 用于对 液位进 行 控 制或报 警 ;在翻柱液位计的基础上增 加 了 4~20mA 变 送 传感 器,在现 场 监 测液位的同时,将 液位的变 化 通过变 送 传感 器、线 缆 及 仪表传到控 制室 ,实现 远 程 监 测和 控 制。 ●产品特点 本 液位计是在借 鉴 国 内外同类产品的基础上,积 极吸 收 、揉 合众 多产品的优 点 ,通过公 司 技 术 人 员的精 心 设 计而成的,采 用优 质 磁体和 进 口电 子 元 件 。 产品具 有: 测量范围大,读 数 直 观 清 晰 ; 密 封 结合面少 ,不易 渗 漏 ,安全 可 靠 ; 指 示部分与被 测介 质 完 全 隔 离 ; 易 于安装、维 修 方 便 ...

1、当您付费下载文档后,您只拥有了使用权限,并不意味着购买了版权,文档只能用于自身使用,不得用于其他商业用途(如 [转卖]进行直接盈利或[编辑后售卖]进行间接盈利)。
2、本站所有内容均由合作方或网友上传,本站不对文档的完整性、权威性及其观点立场正确性做任何保证或承诺!文档内容仅供研究参考,付费前请自行鉴别。
3、如文档内容存在违规,或者侵犯商业秘密、侵犯著作权等,请点击“违规举报”。

碎片内容

磁翻板液位计说明书

您可能关注的文档

确认删除?
VIP
微信客服
  • 扫码咨询
会员Q群
  • 会员专属群点击这里加入QQ群
客服邮箱
回到顶部