电脑桌面
添加小米粒文库到电脑桌面
安装后可以在桌面快捷访问

福裕焦化化验分析项目一览表VIP专享

福裕焦化化验分析项目一览表_第1页
1/10
福裕焦化化验分析项目一览表_第2页
2/10
福裕焦化化验分析项目一览表_第3页
3/10
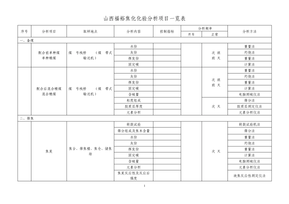
1 山西福裕焦化化验分析项目一览表 序号 分析项目 取样地点 分析内容 控制指标 分析频率 分析方法 开车 正常 一、备煤 1 配合前单种煤 单种精煤 煤 1号栈桥 805b(煤 1带式输送机) 水份 1次/班 2班/天 重量法 灰份 灼烧法 挥发份 重量法 固定碳 计算法 2 配合后混合精煤 混合精煤 煤 7号栈桥 805p(煤 8带式输送机) 水份 1次/班 3班/天 重量法 灰份 灼烧法 挥发份 重量法 固定碳 计算法 含硫量 电脑测硫仪法 粒度组成 1次/天 筛分法 胶质层厚度 胶质层测定仪法 元素分析 元素分析仪法 二、筛焦 1 焦炭 焦台、筛焦楼、焦仓、储焦场 转鼓试验 1次/天 转鼓试验机法 筛分组成及焦末含量 筛分法 水份 重量法 灰份 灼烧法 挥发份 重量法 固定碳 计算法 含硫量 电脑测硫仪法 元素分析 元素分析仪法 焦炭反应性及反应后强度 块焦反应性测定仪法 2 以上水份、粒度组成、转鼓试验、筛分组成及焦末含量在煤焦制样间检测 三、炼焦 1 废气 废气开闭器 CO 1次/周 气体分析仪法 CO2 O2 N2 H2O 重量法 SO2 吸收后碘量法 2 焦炉煤气 回炉煤气主管 CH4 1次/周 气体分析仪法 H2 CmHn CO CO2 N2 H2O 重量法 O2 <1%(V/V) 气体分析依法 四、冷鼓电捕 1 焦炉煤气 入初冷器煤气总管 GR81501初冷器顶 C80501A~E 入鼓风机煤气总管 GR80505入电捕煤气总管 GR80506 O2 <1%(V/V) 开停车 气体分析依法或测爆仪法 爆炸试验 至成功 开停车 测爆仪法 2 焦炉煤气 入电捕煤气管道 GR81507 O2 <1.0%(V/V) 1次/班 气体分析依法 3 焦炉煤气 入初冷器煤气总管 GR81501 全分析 1次/周 气体分析依法 萘 吸收后滤液法 粗苯 气相色谱法 3 NH3 吸收后中和法 H2S 吸收后碘量法 4 焦炉煤气 出本工段煤气管道GR81512 全分析 1次/周 气体分析依法 萘 吸收后滤液法 粗苯 气相色谱法 NH3 吸收后中和法 H2S 吸收后碘量法 5 焦炉煤气 入电捕焦油器前煤气管GR81507a,b 焦油含量 1次/周 吸收后比浊法 6 焦炉煤气 出电捕焦油器后煤气管GR81508a,b 焦油含量 1次/周 吸收后比浊法 7 焦炉煤气 初冷器顶C80501A~E CO <30mg/m³ 停车分析 CO测定仪法 H2S <10mg/m³ H2S测定仪法 8 焦油 焦油泵出口总管TA81507 比重 1次/周 比重计法 水份 ≤4% 水分测定仪法 灰份 重量法 粘度 恩氏粘度计法...

1、当您付费下载文档后,您只拥有了使用权限,并不意味着购买了版权,文档只能用于自身使用,不得用于其他商业用途(如 [转卖]进行直接盈利或[编辑后售卖]进行间接盈利)。
2、本站所有内容均由合作方或网友上传,本站不对文档的完整性、权威性及其观点立场正确性做任何保证或承诺!文档内容仅供研究参考,付费前请自行鉴别。
3、如文档内容存在违规,或者侵犯商业秘密、侵犯著作权等,请点击“违规举报”。

碎片内容

福裕焦化化验分析项目一览表

确认删除?
VIP
微信客服
  • 扫码咨询
会员Q群
  • 会员专属群点击这里加入QQ群
客服邮箱
回到顶部