电脑桌面
添加小米粒文库到电脑桌面
安装后可以在桌面快捷访问

井下采区泵房变电所设计书

井下采区泵房变电所设计书_第1页
1/13
井下采区泵房变电所设计书_第2页
2/13
井下采区泵房变电所设计书_第3页
3/13
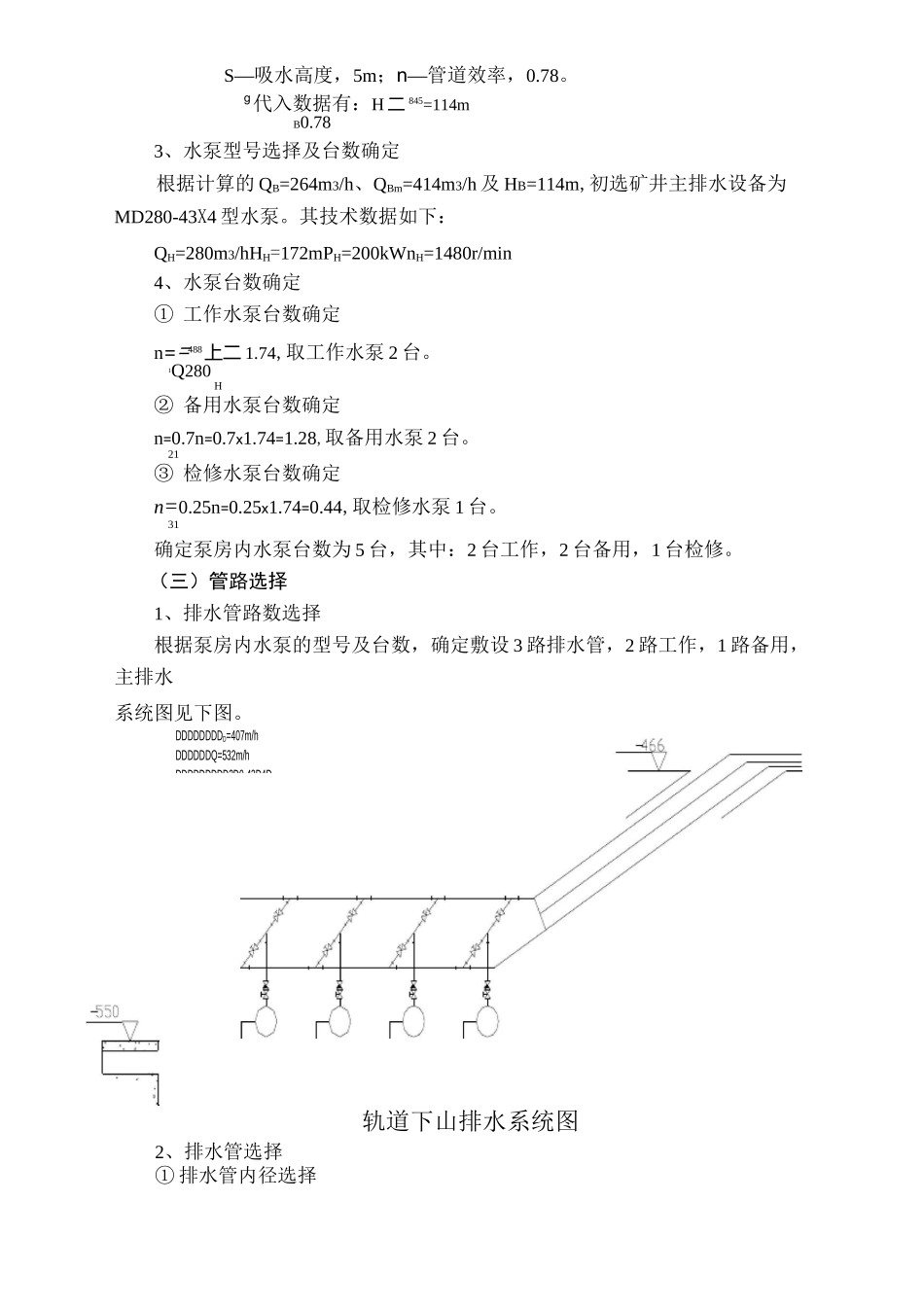
Q24Q正2QB叫20m530 三段泵房排水设备选型为解决三段部分的排水问题,在采区三段轨道集中巷和皮带集中巷之间,布置水仓及排水泵房,采区正常涌水量和最大涌水量分别为和。采煤工作面的水,自流至采区水仓(预计标高为),采用集中排水方式,经三段泵房水泵排至(即为出水标高)轨道大巷水沟,排水管长度约为米,然后,自流至采水仓后,由采区泵房水泵排至中央水仓,最后由中央泵房水泵排至地面水处理站。掘进期间掘进工作面的水采用小潜水泵排至采区轨道上山水沟。皮带上山的水经皮带上山联络巷流至采区水沟,然后,自流至大巷水沟,后自流至采区水仓,排至地面,(一)选型依据1、涌水量:正常涌水量 Q=407m3/h;最大涌水量 Q=532m3/h;正大2、排水高度:出水标高:ha=-466m;a泵房标高:hb=-550m;排水高度:H=ha-hb=84m;3、排水方式:斜巷排水;4、矿井水质 Ph=7;(二)初选水泵1、泵房最小排水能力确定① 正常涌水量时,工作水泵最小排水能力式中:QB—正常涌水量时,工作水泵最小排水能力,m3/h;Q—泵房担负的正常涌水量,407m3/h。正24x407代入数据有:Q=二 488.4m3/hB20②最大涌水量时,工作水泵最小排水能力计算式中:QBm—最大涌水量时,工作水泵最小排水能力,m3/h;Q—泵房担负的最大涌水量,532m3/h。大代入数据有:Q=24:严=638.4m3/hBm202、水泵扬程估算B耳g式中:HB—水泵扬程估算值,BH 一排水高度,84m;S—吸水高度,5m;n—管道效率,0.78。g代入数据有:H 二 845=114mB0.783、水泵型号选择及台数确定根据计算的 QB=264m3/h、QBm=414m3/h 及 HB=114m,初选矿井主排水设备为MD280-43X4 型水泵。其技术数据如下:QH=280m3/hHH=172mPH=200kWnH=1480r/min4、水泵台数确定① 工作水泵台数确定n==488上二 1.74,取工作水泵 2 台。1Q280H② 备用水泵台数确定n=0.7n=0.7x1.74=1.28,取备用水泵 2 台。21③ 检修水泵台数确定n=0.25n=0.25x1.74=0.44,取检修水泵 1 台。31确定泵房内水泵台数为 5 台,其中:2 台工作,2 台备用,1 台检修。(三)管路选择1、排水管路数选择根据泵房内水泵的型号及台数,确定敷设 3 路排水管,2 路工作,1 路备用,主排水系统图见下图。轨道下山排水系统图2、排水管选择① 排水管内径选择DDDDDDDDD=407m/hDDDDDDQ=532m/hDDDDDDDDD2D0-43D4D28028V==1.48m/sp900x3.14x0.25923、吸水管路选择① 吸水管路内径吸水管内径取比排水管内径大d=p.900rtV式中:d 一排水管内径,mm;...

1、当您付费下载文档后,您只拥有了使用权限,并不意味着购买了版权,文档只能用于自身使用,不得用于其他商业用途(如 [转卖]进行直接盈利或[编辑后售卖]进行间接盈利)。
2、本站所有内容均由合作方或网友上传,本站不对文档的完整性、权威性及其观点立场正确性做任何保证或承诺!文档内容仅供研究参考,付费前请自行鉴别。
3、如文档内容存在违规,或者侵犯商业秘密、侵犯著作权等,请点击“违规举报”。

碎片内容

井下采区泵房变电所设计书

确认删除?
VIP
微信客服
  • 扫码咨询
会员Q群
  • 会员专属群点击这里加入QQ群
客服邮箱
回到顶部