电脑桌面
添加小米粒文库到电脑桌面
安装后可以在桌面快捷访问

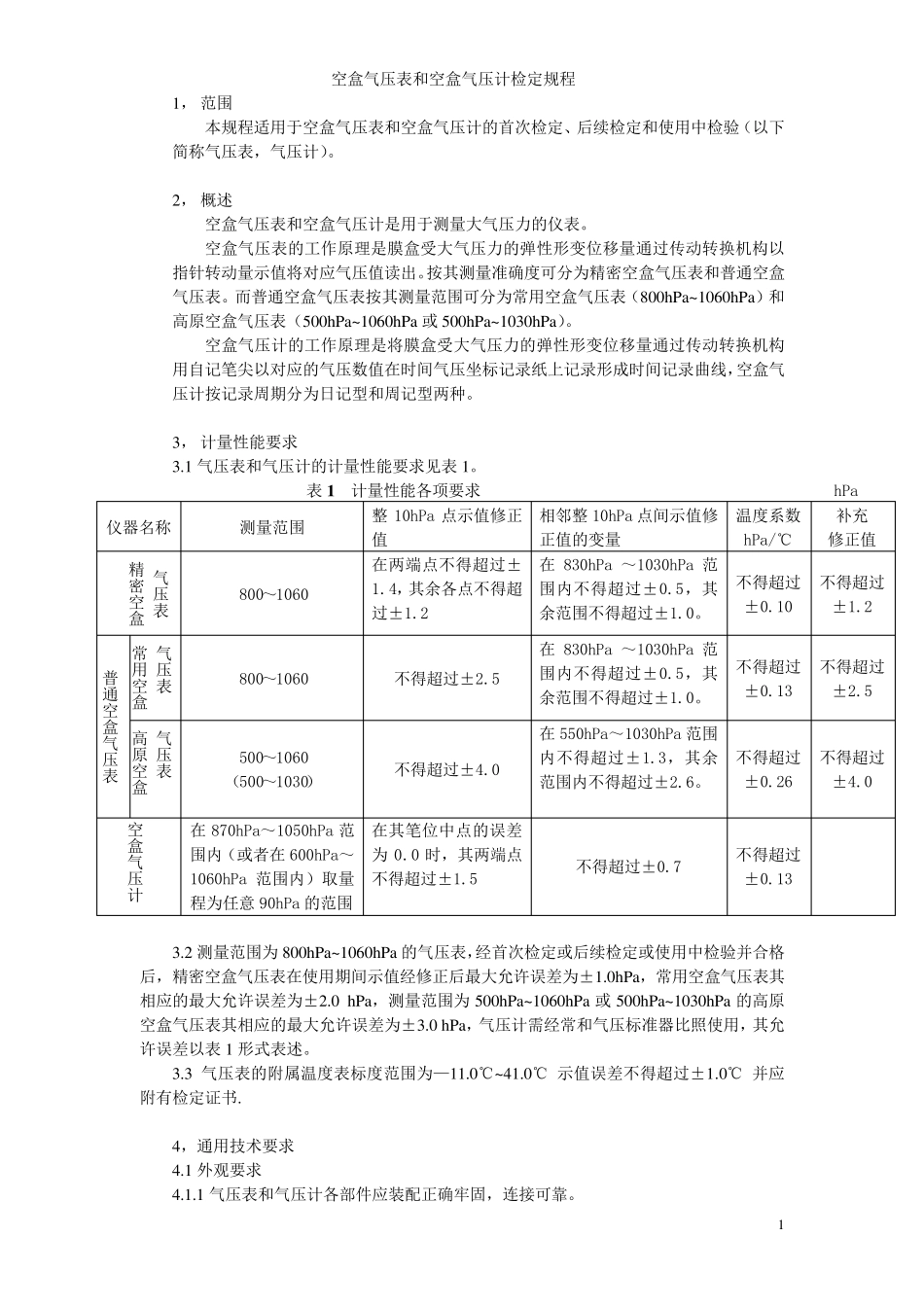
空盒气压表和空盒气压计检定规程

空盒气压表和空盒气压计检定规程_第1页
1/9
空盒气压表和空盒气压计检定规程_第2页
2/9
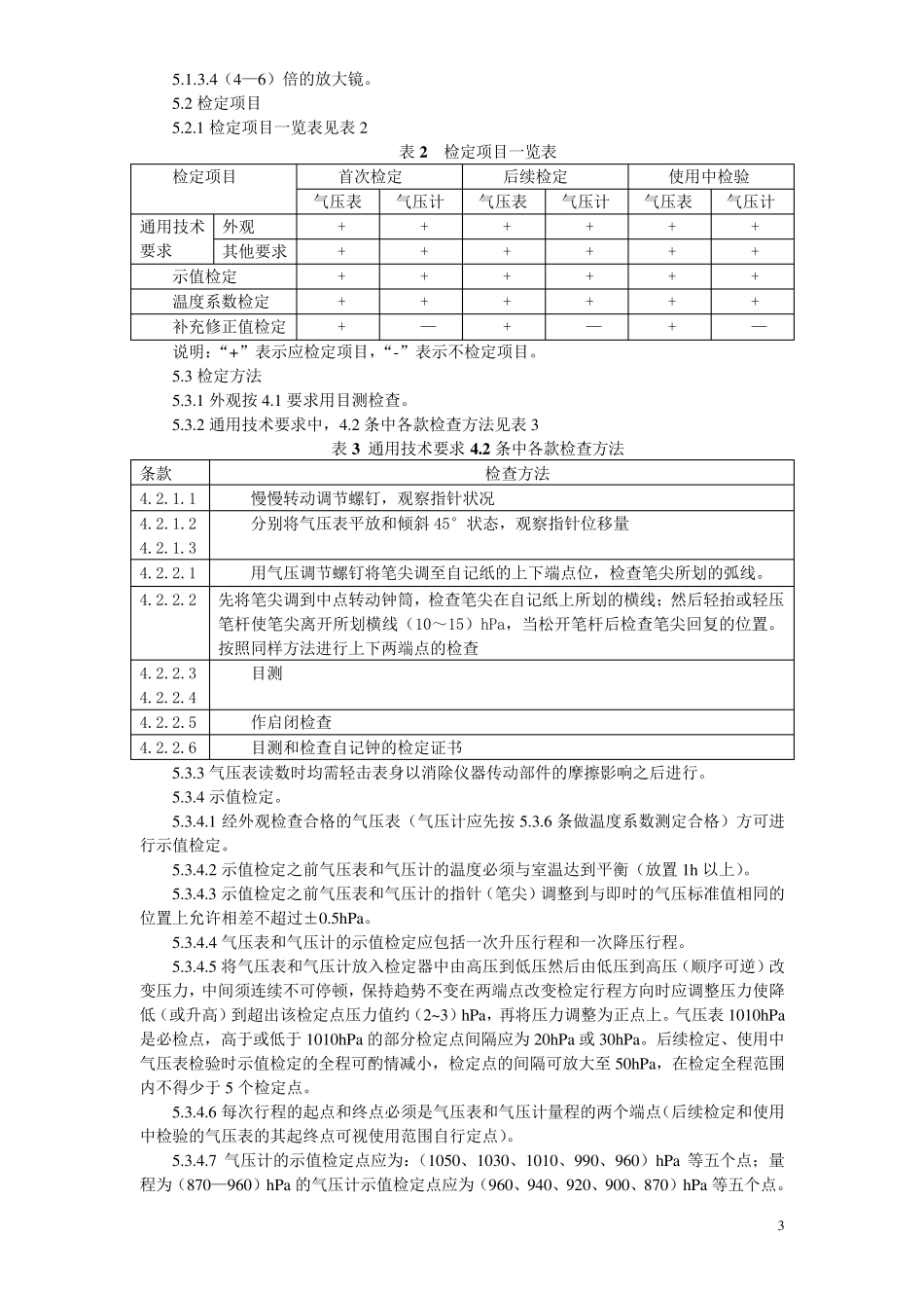
空盒气压表和空盒气压计检定规程_第3页
3/9
1 空 盒 气 压 表 和 空 盒 气 压 计 检 定 规 程 1, 范 围 本 规 程 适 用 于 空 盒 气 压 表 和 空 盒 气 压 计 的 首 次 检 定 、 后 续 检 定 和 使 用 中 检 验 ( 以 下简 称 气 压 表 , 气 压 计 )。 2, 概 述 空 盒 气 压 表 和 空 盒 气 压 计 是 用 于 测 量 大 气 压 力 的 仪 表 。 空 盒 气 压 表 的 工 作 原 理 是 膜 盒 受 大 气 压 力 的 弹 性 形 变 位 移 量 通 过 传 动 转 换 机 构 以指 针 转 动 量 示 值 将 对 应 气 压 值 读 出 。按 其 测 量 准 确 度 可 分 为 精 密 空 盒 气 压 表 和 普 通 空 盒气 压 表 。 而 普 通 空 盒 气 压 表 按 其 测 量 范 围 可 分 为 常 用 空 盒 气 压 表 ( 800hPa~1060hPa) 和高 原 空 盒 气 压 表 ( 500hPa~1060hPa 或 500hPa~1030hPa)。 空 盒 气 压 计 的 工 作 原 理 是 将 膜 盒 受 大 气 压 力 的 弹 性 形 变 位 移 量 通 过 传 动 转 换 机 构用 自 记 笔 尖 以 对 应 的 气 压 数 值 在 时 间 气 压 坐 标 记 录 纸 上 记 录 形 成 时 间 记 录 曲 线 ,空 盒 气压 计 按 记 录 周 期 分 为 日 记 型 和 周 记 型 两 种 。 3, 计 量 性 能 要 求 3.1 气 压 表 和 气 压 计 的 计 量 性 能 要 求 见 表 1。 表 1 计 量 性 能 各 项 要 求 hPa 仪 器 名 称 测 量 范 围 整10hPa 点 示 值 修 正值 相 邻 整 10hPa 点 间 示 值 修正 值 的 变 量 温 度 系 数hPa/℃ 补 充 修 正 值 气压表 精密空盒 800~ 1060 在 两 端点 不得超过 ±1.4, 其 余各 点 不得超过 ±1.2 在830hPa ~ 1030hPa 范围 内不得超过 ±0.5, 其余范 围 不得超过 ±1.0。 不得超过±0.10 不得超过±1.2 普通空盒气压表 气压表 常用空盒 800~ 1060 不得超过 ±2.5 在830hPa ~ 1030hPa 范围 内不得超过 ±0.5, 其余范 围 不得超过 ±1.0。 不得超过±0.13 不得超过±2.5 气压表 高原空盒 500~ 1060 ( 500~ 1030) 不得超过 ±4.0 在 550hPa~...

1、当您付费下载文档后,您只拥有了使用权限,并不意味着购买了版权,文档只能用于自身使用,不得用于其他商业用途(如 [转卖]进行直接盈利或[编辑后售卖]进行间接盈利)。
2、本站所有内容均由合作方或网友上传,本站不对文档的完整性、权威性及其观点立场正确性做任何保证或承诺!文档内容仅供研究参考,付费前请自行鉴别。
3、如文档内容存在违规,或者侵犯商业秘密、侵犯著作权等,请点击“违规举报”。

碎片内容

空盒气压表和空盒气压计检定规程

您可能关注的文档

确认删除?
VIP
微信客服
  • 扫码咨询
会员Q群
  • 会员专属群点击这里加入QQ群
客服邮箱
回到顶部