电脑桌面
添加小米粒文库到电脑桌面
安装后可以在桌面快捷访问

升降门窗手册第四部份-加工工艺VIP免费

升降门窗手册第四部份-加工工艺_第1页
1/12
升降门窗手册第四部份-加工工艺_第2页
2/12
升降门窗手册第四部份-加工工艺_第3页
3/12
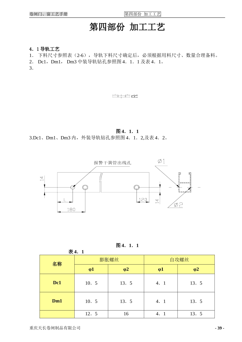
卷闸门、窗工艺手册第四部份加工工艺第四部份加工工艺4.1导轨工艺1.下料尺寸参照表(2-6),导轨下料尺寸确定后,必须根据用料尺寸、数量合理备料。2.Dc1,Dm1,Dm3中装导轨钻孔参照图4.1.1及表4.1。3.图4.1.13.Dc1、Dm1、Dm3内,外装导轨钻孔参照图4.1.2,及表4.2。图4.1.1表4.1名称膨胀螺丝自攻螺丝φ1φ2φ1φ2Dc110.513.54.113.5Dm110.513.54.113.512.5164.113.5重庆天长卷闸制品有限公司-39-卷闸门、窗工艺手册第四部份加工工艺Dm34.Dc1有底导轨钻孔时参照图4.1.3,左右导轨钻φ4.1,画90°沉孔尺寸均参照图4.1.3。图4.1.35.m1,Dm3导轨安全装置加工尺寸参照图4.1.4。图4.1.46.Dc1,Dm1,Dm3导轨导向角加工参照图4.1.5。图4.1.57.钻孔组数参考表4.3,导轨钻孔后去毛刺,铝屑。重庆天长卷闸制品有限公司-40-卷闸门、窗工艺手册第四部份加工工艺表4.3导轨长度(mm)1400以下1500~18001800以上钻孔组数34~55~8底导轨钻孔组数33~554.2底梁工艺1.底梁下料尺寸按表(2-2)执行。2.有安全锁销时需加工条形孔,条形孔方向根据正、反装而定。加工条形孔参照图4.2.1。图4..2.13.无底导轨DCS.DCY底梁锁销加工工艺c参照图4.2.4.3.门底梁安装安全感应器-2加工工艺尺寸参照下图4..2.3。重庆天长卷闸制品有限公司-41-卷闸门、窗工艺手册第四部份加工工艺图4.2.34.3帘片工艺1.帘片下料尺寸按(表2-2)。帘片下料尺寸确定后,必须根据用料尺寸、数量合理备料;2.窗用帘片最上面五块均为无孔帘片,其余为有孔帘片。3.DCS选用帘片Jc-2时,第一块帘片选用Gc-2。4.DCY,DCD选用帘片Jc-1,Jc-2,Gc-1最上面几块帘片用Gc-2。具体数量参照表4.3.1。表4.3.1端盘规格160185200250帘片块数2334重庆天长卷闸制品有限公司-42-卷闸门、窗工艺手册第四部份加工工艺图4.3.1图4.3.2。图4.3.3a撑簧连接块加工工艺图4.3.3b撑簧连接块门.窗选用表名称帘片型号LH撑簧组数DCSGc-1.Gc-2.Gc-3.Jc-1.Jc-2.100160帘片长度500mm/组DCYGc-1.Gc-2.Gc-3.Jc-1.Jc-2.100160帘片长度500mm/组DCDGc-1.Gc-2.Gc-3.Jc-1.Jc-2.100160帘片长度500mm/组Gm-1.Gm-2.Gm-5.Jm-1.Jm-2200220帘片长度600mm/组Gm-3.Gm-4.Gm-6.Gm-7300250帘片长度700mm/组注:DCY连接方式可选用连接块连接方式(参照图4、3、5)8.DCS帘片端卡铆合参照图4.3.4。重庆天长卷闸制品有限公司-43-卷闸门、窗工艺手册第四部份加工工艺图4.3.49.DCY自锁块连接帘片端卡铆合参照图4.3.5。图4.3.5重庆天长卷闸制品有限公司-44-卷闸门、窗工艺手册第四部份加工工艺10.DCD、撑簧连接帘片端卡铆合参照图4.3.6。图4.3.6DCD下限位报警磁片安装帘片块数计算参照以下公式,只取整数。1.无底导轨时=(导轨尺寸-50)÷37;2.有底导轨时=(导轨尺寸-80)÷37。11.DM1D,DM1Dw,DM3Dw,DMpD帘片自锁块连接端卡铆合参照图4.3.7。帘片为Gm-1时,1为玛钉;帘片为Gm-3时,1为铝拉铆。重庆天长卷闸制品有限公司-45-卷闸门、窗工艺手册第四部份加工工艺图4.3.7下限位报警磁片安装帘片块数计算参照以下公式,只取整数。1.Gm-1帘片=(导轨尺寸-67)÷55;2.Gm-3帘片=(导轨尺寸-102)12.无铆钉帘片铆合加工工艺参照图4.3.重庆天长卷闸制品有限公司-46-卷闸门、窗工艺手册第四部份加工工艺4.4护罩工艺一.I形护罩工艺1.DCY护罩I型摇杆方孔加工,参照图4.4.1和表4.4.2。表4.4.1图4.4.12.DCS护罩I型绳带支撑座开口位置尺寸按图加工,方向根据绳带方向定、反装没有此开口。参照图4.4.2。重庆天长卷闸制品有限公司-47-卷闸门、窗工艺手册第四部份加工工艺图4.4.23.护罩I型与端盘固定,钻孔尺寸参照表4.4.2,参照图4.4.2。表4.4.2端盘规格DCYDMDDCSH尺寸L尺寸Sz尺寸14012814839.516014816839.518517319039.520019021039.5250260300310350360二.U形护罩工艺护罩U型端盘固定,DCS绳带支承座开口加工,固定,钻孔均参照图4.4.3。重庆天长卷闸制品有限公司-48-卷闸门、窗工艺手册第四部份加工工艺图4.4.34.5传动轴焊接加工工艺1.DCD传动轴与C端头焊接,限位衬套固定...

1、当您付费下载文档后,您只拥有了使用权限,并不意味着购买了版权,文档只能用于自身使用,不得用于其他商业用途(如 [转卖]进行直接盈利或[编辑后售卖]进行间接盈利)。
2、本站所有内容均由合作方或网友上传,本站不对文档的完整性、权威性及其观点立场正确性做任何保证或承诺!文档内容仅供研究参考,付费前请自行鉴别。
3、如文档内容存在违规,或者侵犯商业秘密、侵犯著作权等,请点击“违规举报”。

碎片内容

升降门窗手册第四部份-加工工艺

确认删除?
VIP
微信客服
  • 扫码咨询
会员Q群
  • 会员专属群点击这里加入QQ群
客服邮箱
回到顶部