电脑桌面
添加小米粒文库到电脑桌面
安装后可以在桌面快捷访问

《数控机床电气控制》课程实践教学VIP专享

《数控机床电气控制》课程实践教学_第1页
1/16
《数控机床电气控制》课程实践教学_第2页
2/16
《数控机床电气控制》课程实践教学_第3页
3/16
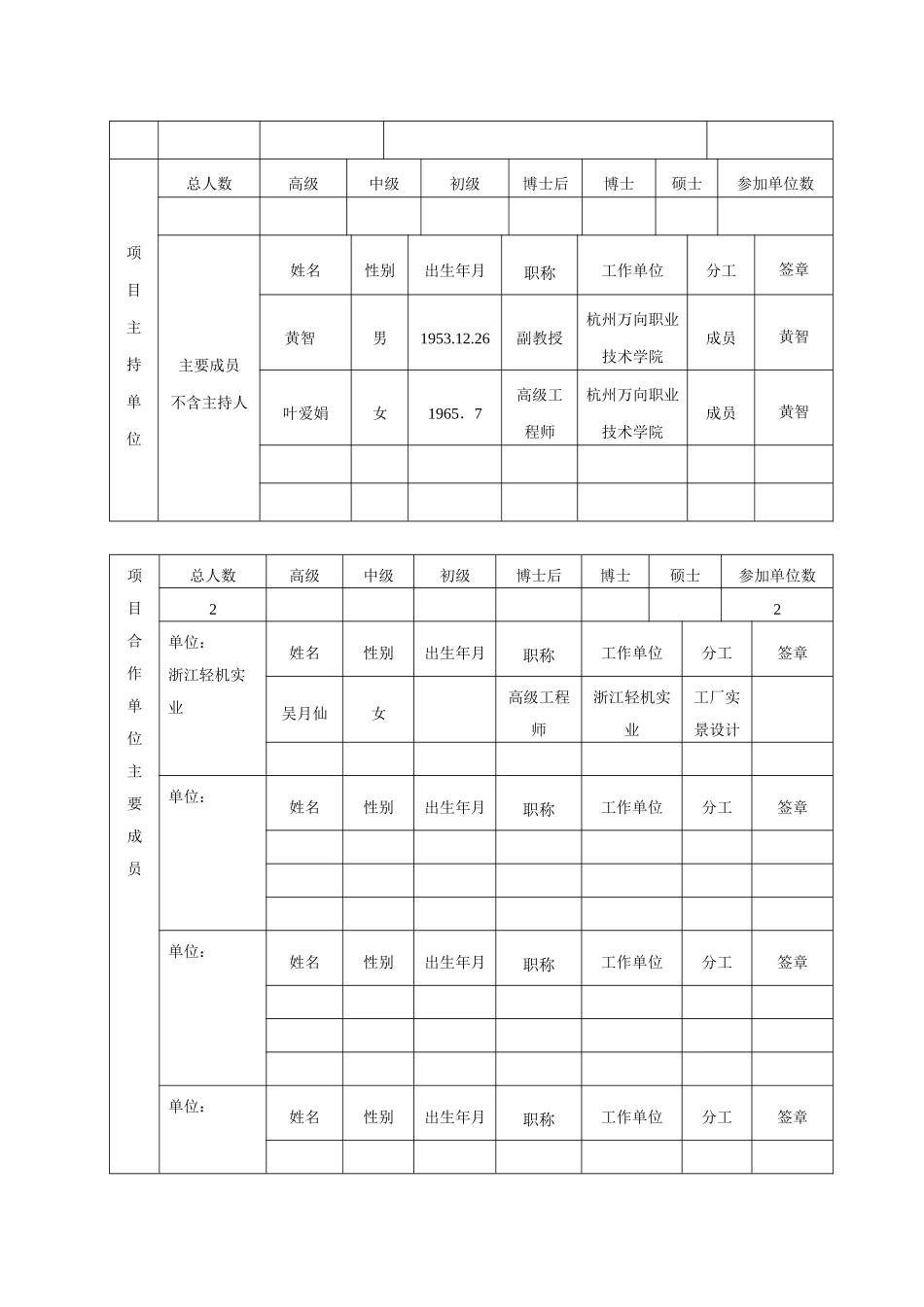
浙江省新世纪高等教育教学改革讨论工程申 请 书任务名称: 基于完整任务生产一线情景 ? 数控机床电 气控制 ? 课程实践教学的讨论与实践 主持人 : 黄立军 主持单位: 杭州万向职业技术学院 通讯地址: 浙江杭州西溪路 896 号 邮政编码: 310023 联系 : 87171812 传 真: 87171806 电子邮箱: hlj07@163 合作单位:浙江轻机实业 负责人: 吴月仙 负责人: 负责人: 负责人: 负责人: 浙 江 省 教 育 厅 二○○四年二月制一、简表项目简况工程名称基于完整任务生产一线情景?数控机床电气控制?课程实践教学的讨论与实践工程类别A、总体讨论 B、专业大类 C、教学管理 D、自选任务是否招标任务否起止年月2024 年 10 月~2024 年 10 月项目主持人姓名黄立军性别男出生年月1970.07专业技术职务/行政职务讲师/最终学位/授予国家学士/中国所在学校学校名称杭州万向职业技术学院邮政编码310023 87171812通讯地址浙江杭州西溪路 896 号主要教学工作简历时间课程名称授课对象学时所在单位2024.6~2024.7PLC 装置机电 05-1机电 05-225杭州万向职业技术学院2024.9~2024.2数控设备故障诊断与维修〔教学与实训〕机电 05-1机电 05-2128杭州万向职业技术学院2024.3~2024.7数控机床电气控制〔教学与实训〕机电 06-1机电 06-2118杭州万向职业技术学院主要教学改革和科学讨论工作简历时间任务名称获奖情况2024.9~2024.9SEK800 家庭多媒体布线箱新产品开发2024 年获得两项国家专利项目主持单位总人数高级中级初级博士后博士硕士参加单位数主要成员不含主持人姓名性别出生年月职称工作单位分工签章黄智男1953.12.26副教授杭州万向职业技术学院成员黄智叶爱娟女1965.7高级工程师杭州万向职业技术学院成员黄智项目合作单位主 要 成 员总人数高级中级初级博士后博士硕士参加单位数22单位:浙江轻机实业姓名性别出生年月职称工作单位分工签章吴月仙女高级工程师浙江轻机实业工厂实景设计单位:姓名性别出生年月职称工作单位分工签章单位:姓名性别出生年月职称工作单位分工签章单位:姓名性别出生年月职称工作单位分工签章二、立项依据:〔任务的意义、现状分析〕1.本课题的理论价值和实践意义机电一体化是浙江“十一五重点开展产业〞--现代装备制造业的支柱技术,需要大量的具有相关职业意识、通晓专业知识、掌握工作技能的生产第一线的专门人才。根据浙江统计局 2024 年 8 月统计快讯,在今年全国乃...

1、当您付费下载文档后,您只拥有了使用权限,并不意味着购买了版权,文档只能用于自身使用,不得用于其他商业用途(如 [转卖]进行直接盈利或[编辑后售卖]进行间接盈利)。
2、本站所有内容均由合作方或网友上传,本站不对文档的完整性、权威性及其观点立场正确性做任何保证或承诺!文档内容仅供研究参考,付费前请自行鉴别。
3、如文档内容存在违规,或者侵犯商业秘密、侵犯著作权等,请点击“违规举报”。

碎片内容

《数控机床电气控制》课程实践教学

确认删除?
VIP
微信客服
  • 扫码咨询
会员Q群
  • 会员专属群点击这里加入QQ群
客服邮箱
回到顶部