电脑桌面
添加小米粒文库到电脑桌面
安装后可以在桌面快捷访问

主生产计划的功能以及其相关MRP类型参数

主生产计划的功能以及其相关MRP类型参数_第1页
1/13
主生产计划的功能以及其相关MRP类型参数_第2页
2/13
主生产计划的功能以及其相关MRP类型参数_第3页
3/13
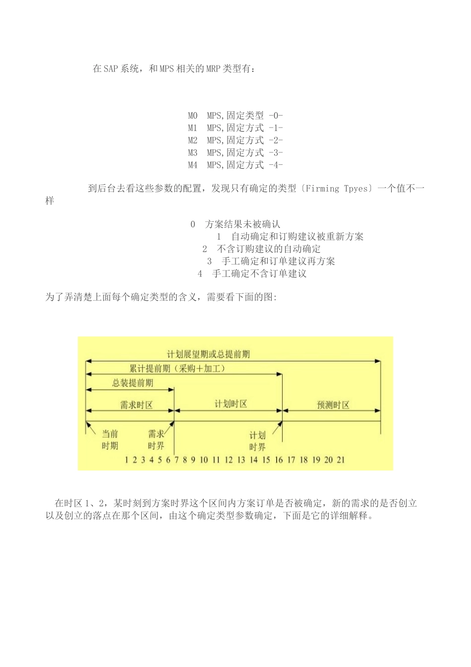
1.主生产方案的功能以及其相关 MRP 类型参数2.MRP 运行方式3.MRP 运行的先决条件4.客制化 MRP 参数的优先级别5.MRP 的运算逻辑及低阶码的用途6.SAP PP MD02 界面参数说明 8. SAP PP MRP 视图中重要栏位的意义及功能作用主生产方案的功能以及其相关 MRP 类型参数主生产方案实际相当于一个方案调节器,用主生产方案可以合理的调节企业资源配置与需求的矛盾,防止由于需求不稳定造成的产品未能按期交货,产品积压,资源浪费、超负荷运转等现象,提高企业对用户的效劳水平。 一般 MPS 的方案对象为最终产品或者关键重要部件,有时候也会对原材料做方案,比方造船行业。原料品种比拟少而产品品种比拟多。 在 SAP 系统,和 MPS 相关的 MRP 类型有: M0 MPS,固定类型 -0-M1 MPS,固定方式 -1-M2 MPS,固定方式 -2-M3 MPS,固定方式 -3-M4 MPS,固定方式 -4- 到后台去看这些参数的配置,发现只有确定的类型〔Firming Tpyes〕一个值不一样0 方案结果未被确认 1 自动确定和订购建议被重新方案 2 不含订购建议的自动确定 3 手工确定和订单建议再方案 4 手工确定不含订单建议为了弄清楚上面每个确定类型的含义,需要看下面的图: 在时区 1、2,某时刻到方案时界这个区间内方案订单是否被确定,新的需求的是否创立以及创立的落点在那个区间,由这个确定类型参数确定,下面是它的详细解释。 tpye0 :需求不自动确定,新的需求在需求日期创立,不会自动确定〔方案时界内外都一样〕。tpye1 :需求自动确定,新的需求假如日期在方案时界内,那么在方案时界结束的位置创立需求。type2 :需求自动确定,方案时界内的新需求不被考虑,缺料。tpye3 :需求不自动确定,新的需求假如日期在方案时界内,那么在方案时界结束的位置创立需求。tpye4 :需求不自动确定,方案世界内的新需求不被考虑,缺料。PS:确定的需求,即不能再更改其数量。MRP 运行方式概括的说可以对两个组织层次执行方案运行:1、总的方案 2、单项方案·作为一个特定工厂的总方案运行。在此,在一个工厂中与方案相关的所有物料被方案。·作为一个特定物料的单项方案。在此,方案运行为一个特定的物料在单层或者在多层中执行。总方案运行的方式又可以细分为两种:A、前台运行 B、后台运行;单项方案又可以细分为单层多层等更为细致的方案,在单层方案中,系统仅方案所选物料的 BOM 层,在多层方案中,系统方案所选物料的层次加上所有较低的 BOM 层。...

1、当您付费下载文档后,您只拥有了使用权限,并不意味着购买了版权,文档只能用于自身使用,不得用于其他商业用途(如 [转卖]进行直接盈利或[编辑后售卖]进行间接盈利)。
2、本站所有内容均由合作方或网友上传,本站不对文档的完整性、权威性及其观点立场正确性做任何保证或承诺!文档内容仅供研究参考,付费前请自行鉴别。
3、如文档内容存在违规,或者侵犯商业秘密、侵犯著作权等,请点击“违规举报”。

碎片内容

主生产计划的功能以及其相关MRP类型参数

您可能关注的文档

确认删除?
VIP
微信客服
  • 扫码咨询
会员Q群
  • 会员专属群点击这里加入QQ群
客服邮箱
回到顶部