电脑桌面
添加小米粒文库到电脑桌面
安装后可以在桌面快捷访问

《煤炭洗选企业标准化管理规范》现场检查评分表

《煤炭洗选企业标准化管理规范》现场检查评分表_第1页
1/9
《煤炭洗选企业标准化管理规范》现场检查评分表_第2页
2/9
《煤炭洗选企业标准化管理规范》现场检查评分表_第3页
3/9
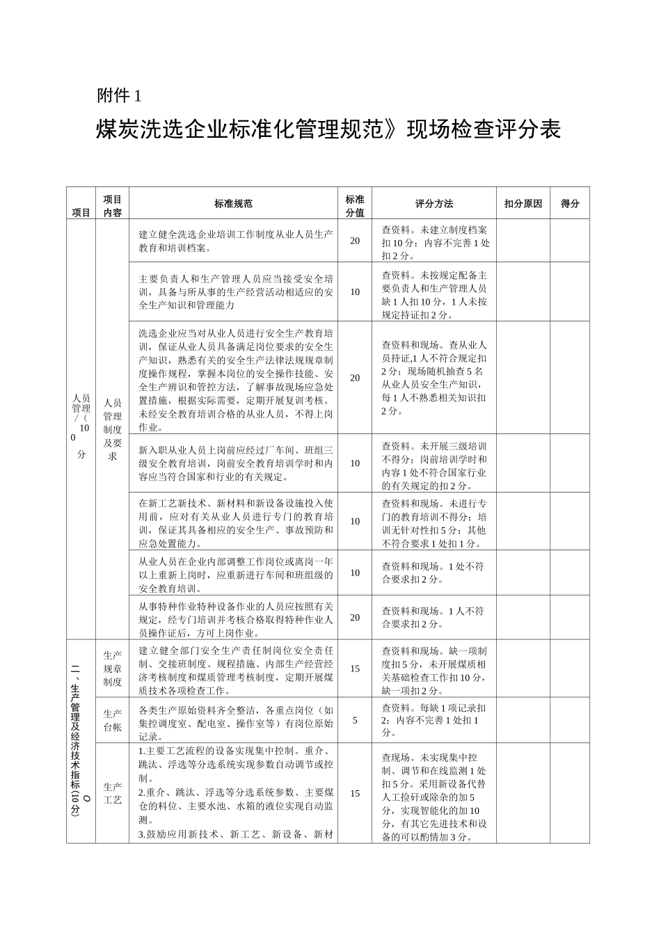
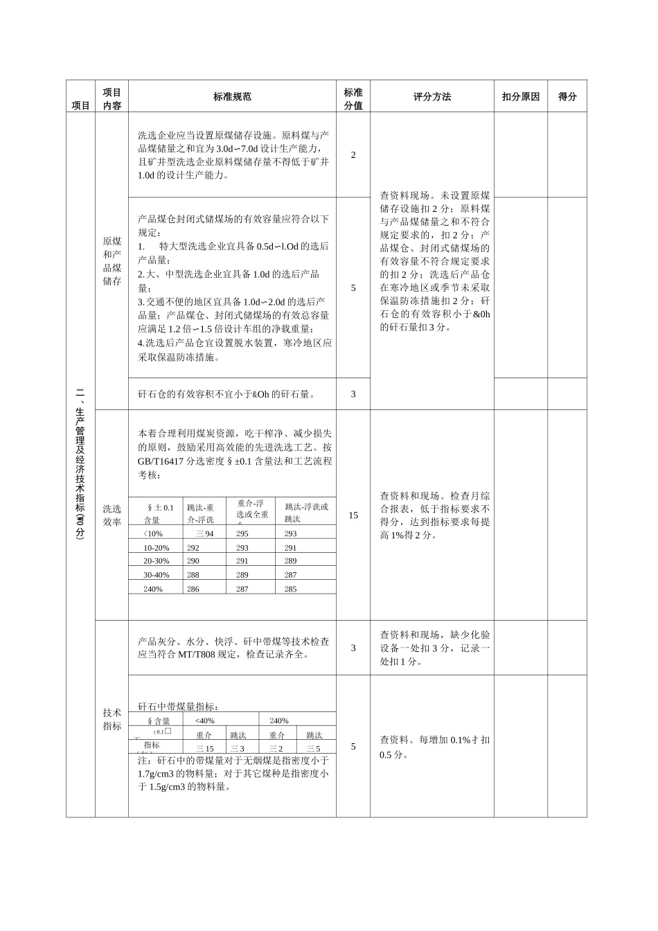
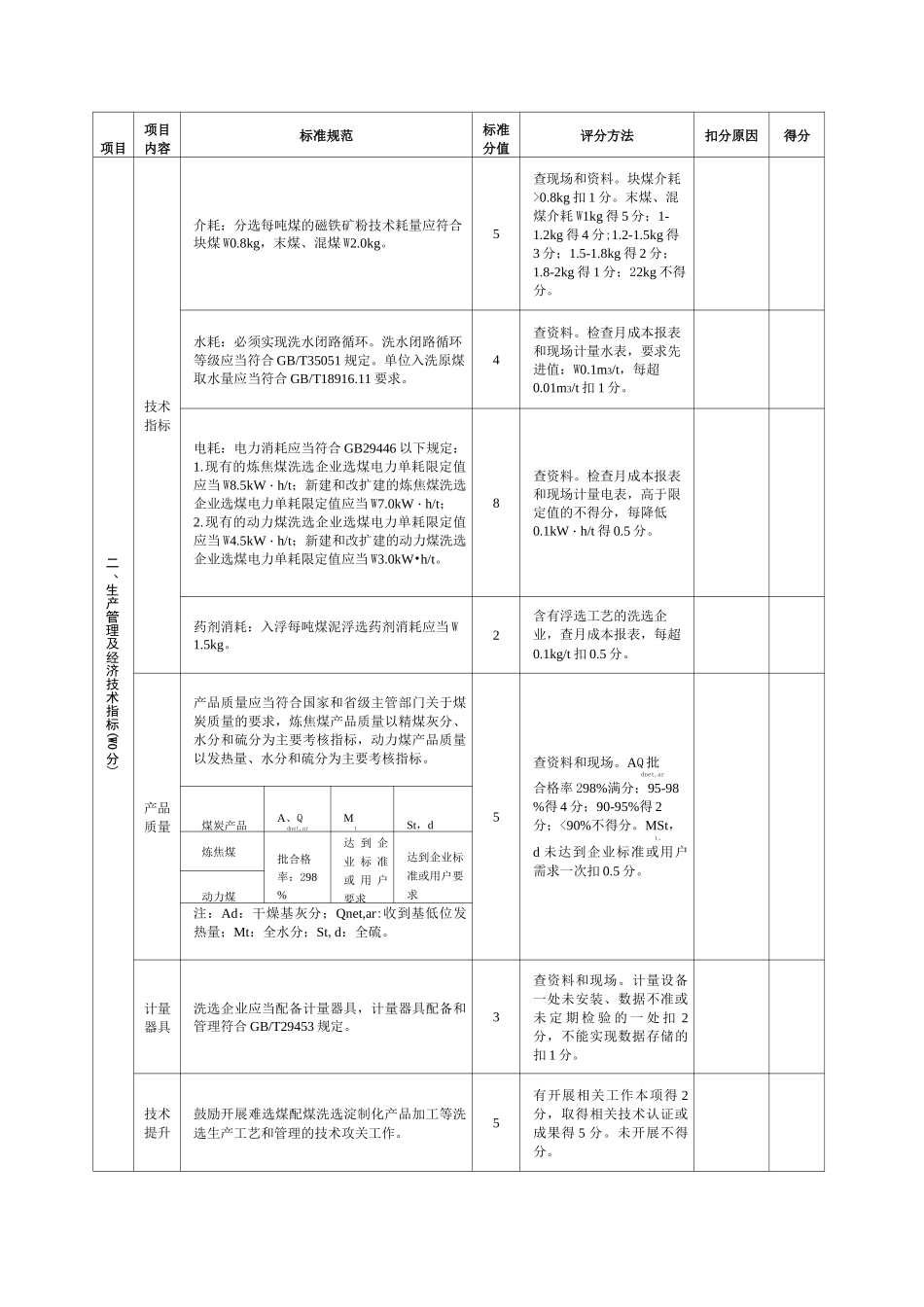
附件 1煤炭洗选企业标准化管理规范》现场检查评分表项目项目内容标准规范标准分值评分方法扣分原因得分人员管理/(100分人员管理制度及要求建立健全洗选企业培训工作制度从业人员生产教育和培训档案。20查资料。未建立制度档案扣 10 分;内容不完善 1 处扣 2 分。主要负责人和生产管理人员应当接受安全培训,具备与所从事的生产经营活动相适应的安全生产知识和管理能力10查资料。未按规定配备主要负责人和生产管理人员缺 1 人扣 10 分,1 人未按规定持证扣 2 分。洗选企业应当对从业人员进行安全生产教育培训,保证从业人员具备满足岗位要求的安全生产知识,熟悉有关的安全生产法律法规规章制度操作规程,掌握本岗位的安全操作技能、安全生产辨识和管控方法,了解事故现场应急处置措施,根据实际需要,定期开展复训考核。未经安全教育培训合格的从业人员,不得上岗作业。20查资料和现场。查从业人员持证,1 人不符合规定扣2 分;现场随机抽查 5 名从业人员安全生产知识,每 1 人不熟悉相关知识扣2 分。新入职从业人员上岗前应经过厂车间、班组三级安全教育培训,岗前安全教育培训学时和内容应当符合国家和行业的有关规定。10查资料。未开展三级培训不得分;岗前培训学时和内容 1 处不符合国家行业的有关规定的扣 2 分。在新工艺新技术、新材料和新设备设施投入使用前,应对有关从业人员进行专门的教育培训,保证其具备相应的安全生产、事故预防和应急处置能力。10查资料和现场。未进行专门的教育培训不得分;培训无针对性扣 5 分;其他不符合要求 1 处扣 1 分。从业人员在企业内部调整工作岗位或离岗一年以上重新上岗时,应重新进行车间和班组级的安全教育培训。10查资料和现场。1 处不符合要求扣 2 分。从事特种作业特种设备作业的人员应按照有关规定,经专门培训并考核合格取得特种作业人员操作证后,方可上岗作业。20查资料和现场。1 人不符合要求扣 2 分。O二、生产管理及经济技术指标(10分)生产规章制度建立健全部门安全生产责任制岗位安全责任制、交接班制度、规程措施、内部生产经营经济考核制度和煤质管理考核制度,定期开展煤质技术各项检查工作。15查资料和现场。缺一项制度扣 5 分,未开展煤质相关基础检查工作扣 10 分,缺一项扣 2 分。生产台帐各类生产原始资料齐全整洁,各重点岗位(如集控调度室、配电室、操作室等)有岗位原始记录。5查资料。每缺 1 项记录扣2;内容不完善 1 处扣...

1、当您付费下载文档后,您只拥有了使用权限,并不意味着购买了版权,文档只能用于自身使用,不得用于其他商业用途(如 [转卖]进行直接盈利或[编辑后售卖]进行间接盈利)。
2、本站所有内容均由合作方或网友上传,本站不对文档的完整性、权威性及其观点立场正确性做任何保证或承诺!文档内容仅供研究参考,付费前请自行鉴别。
3、如文档内容存在违规,或者侵犯商业秘密、侵犯著作权等,请点击“违规举报”。

碎片内容

《煤炭洗选企业标准化管理规范》现场检查评分表

确认删除?
VIP
微信客服
  • 扫码咨询
会员Q群
  • 会员专属群点击这里加入QQ群
客服邮箱
回到顶部