电脑桌面
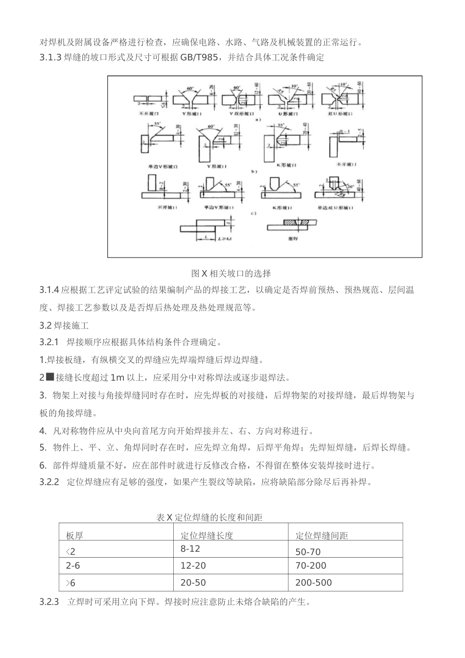
添加小米粒文库到电脑桌面
安装后可以在桌面快捷访问

CO2保护焊焊接工艺标准

CO2保护焊焊接工艺标准_第1页
1/7
CO2保护焊焊接工艺标准_第2页
2/7
CO2保护焊焊接工艺标准_第3页
3/7
CO2保护焊焊接工艺标准1.CO2保护焊焊接施工工艺标准1.1 适用范围本工艺适用于钢结构制作与焊丝直径不超过 2mm 的 CO2保护焊焊接工艺。工艺规定了一般低碳钢、普通低合金高强度钢手工电弧焊的基本要求。凡各工程的工艺中无特殊要求的结构件 CO2保护焊均应按本工艺规定执行。1.2 引用标准下列标准所包含的条文,通过在本标准中引用而构成为本标准的条文。本标准出版时,所示版本均为有效。所有标准都会被修订,使用本标准的各方应探讨使用下列标准最新版本的可能性。(1)焊缝符号表示法(GB/T324-1988);(2)气焊手工电弧焊及气体保护焊焊缝坡口的基本形式和尺寸(GB/T985-1988);(3)电工名词术语电焊机(GB/T2900.22-1985);(4)焊接术语(GB/T3375-1994);(5)金属焊接及钎焊方法在图样上的表示代号(GB/T5185-1985);(6)气体保护电弧用碳钢、低合金钢焊丝(GB/T8110-1995);(7)电弧焊机通用技术条件(GB/T8118-1995);(8)弧焊机(JB/T8748-1998MIG/MAG);(9)焊接用二氧化碳(HG/T2537-1993)。1.3 术语焊接工艺——制造焊件所有有关的加工方法实施要求,包括焊接准备、材料选用、焊接方法的选定、焊接参数、操作要求等。坡口——根据设计或工艺需要,在焊件的待焊部位加工并装配的一定几何形状的沟槽。断续焊缝——焊接成具有一定间隔的焊缝。塞焊缝——两零件相叠,其中一块开圆孔,在圆孔中焊接两板所形成的焊缝,只在孔内焊角缝者。焊缝厚度——在焊缝横截面中,从焊缝正面到焊缝背面的距离。手工焊——手持焊具、焊枪或焊钳进行操作的焊接方法。预热——焊接开始前,对焊件的全部(或局部)进行加热的工艺措施。后热——焊接后立即对焊件的全部(或局部)进行加热或保温,使其缓冷的工艺措施。焊丝——焊丝是作为填充金属或同时作为导电用的金属丝焊接材料。焊渣——焊后覆盖在焊缝表面上的固态熔渣。焊接工作台——为焊接小型焊件而设计的工作台。保护气体气路系统——向电弧区提供保护气体的系统,其中包括:气瓶、加热器、减压阀、流量计、气阀和气路等。连接电缆——焊机外部全部导电软线的总称,包括电源电缆、焊接电缆、控制电缆。工件运行机构——自动焊过程中使工件按照要求的轨迹运行的机构。焊丝伸出长度——焊接过程中焊丝伸出导电嘴的长度。层流保护——气休在喷嘴内和喷嘴外的一定距离做有规则的层状流动。2、施工要求及具体准备(1)焊接所需母材应符合相关材料的具体行业标准;焊丝应符合 GB/T81...

1、当您付费下载文档后,您只拥有了使用权限,并不意味着购买了版权,文档只能用于自身使用,不得用于其他商业用途(如 [转卖]进行直接盈利或[编辑后售卖]进行间接盈利)。
2、本站所有内容均由合作方或网友上传,本站不对文档的完整性、权威性及其观点立场正确性做任何保证或承诺!文档内容仅供研究参考,付费前请自行鉴别。
3、如文档内容存在违规,或者侵犯商业秘密、侵犯著作权等,请点击“违规举报”。

碎片内容

CO2保护焊焊接工艺标准

wxg+ 关注
实名认证
内容提供者

该用户很懒,什么也没介绍

确认删除?
VIP
微信客服
  • 扫码咨询
会员Q群
  • 会员专属群点击这里加入QQ群
客服邮箱
回到顶部