电脑桌面
添加小米粒文库到电脑桌面
安装后可以在桌面快捷访问

溴素安全检查表危害分析XXXX826

溴素安全检查表危害分析XXXX826_第1页
1/40
溴素安全检查表危害分析XXXX826_第2页
2/40
溴素安全检查表危害分析XXXX826_第3页
3/40
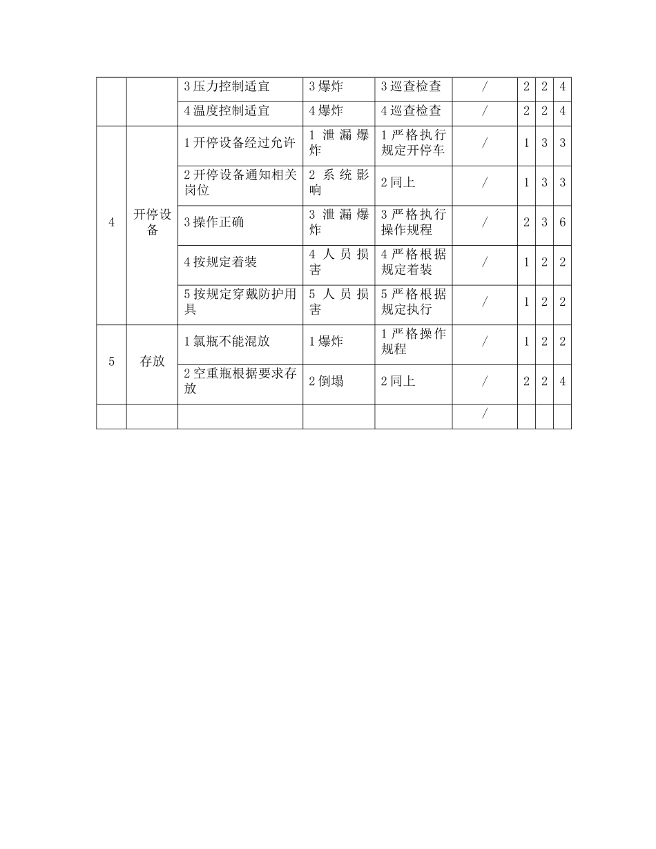
平安检查分析表〔SCL〕区域/工艺过程:供氯区/供氯装置、气化 分析人员: 日期: 序号检查工程检查标准未达标准的主要后果现有控制措施建议更改/控制措施LSR1吊装作业1 开动停止行车前向相关人员发出信号1 损 害 他人1 制度规定 检查管理/1332 配戴平安帽。2 磕 碰 损害2 同上/2243 停用时关闭电源。3 误 开 损害3 同上/1224 无酒后作业。4 人 员 损害4 同上/1445 不 在 起 吊 物 下 行走。5 人 员 损害5 同上/1336 有相关资质。6 人 员 损害 设 备损坏6 操作人员必须经过培训/1442向汽化器供氯1 氯瓶不能全开1 爆炸1 严格执行操作规程/1332 戴防护手套2 冻伤2 同上/1223 无 其 他 人 员 进 入卸瓶区。3 泄 漏 毒害3 严格禁止/2244 换 瓶 时 管 道 阀 门及瓶阀关闭。4 泄 漏 毒害4 严格执行操作规程/2245 钢 瓶 不 能 用 蒸 汽直接加热。5 泄 漏 毒害5 同上/2366 无酒后作业6 重 大 危害6 泄漏爆炸/1443汽化器操作1 无酒后作业1 泄 漏 爆炸1 严格禁止/1442 平安阀正常2 爆炸2 定期检查/1223 压力控制适宜3 爆炸3 巡查检查/2244 温度控制适宜4 爆炸4 巡查检查/2244开停设备1 开停设备经过允许1 泄 漏 爆炸1 严格执行规定开停车/1332 开停设备通知相关岗位2 系 统 影响2 同上/1333 操作正确3 泄 漏 爆炸3 严格执行操作规程/2364 按规定着装4 人 员 损害4 严格根据规定着装/1225 按规定穿戴防护用具5 人 员 损害5 严格根据规定执行/1225存放1 氯瓶不能混放1 爆炸1 严格操作规程/1222 空重瓶根据要求存放2 倒塌2 同上/224/.2 地址地形平安检查分析(SCL)记录表平安检查分析表〔SCL〕区域/工艺过程: 地质地形 分析人员: 日期: 序号检查工程标准产生偏差的主要后果以往发生频率及现有平安控制措施LSR建 议 改正措施偏 差 发生频率管理措施平安措施1地形化工企业建筑设计标准厂房倒塌、停产未发生建设前由有资质单位进行勘探,符合建设要求144/2地质化工企业建筑设计标准厂房倒塌、停产未发生建设前由有资质单位进行勘探,符合建设要求144/3周围环境符合平安距离环境污染、周围人群中毒未发生对重大危险源建立应急预案、严格执行平安操作规程及规章制度对重大危险源进行监控、配齐各种平安防护、监测设施155/4平面布局国家标准火 灾 、 爆炸、财产损失未发生建设前按化工企业设计标准进行设计和布局...

1、当您付费下载文档后,您只拥有了使用权限,并不意味着购买了版权,文档只能用于自身使用,不得用于其他商业用途(如 [转卖]进行直接盈利或[编辑后售卖]进行间接盈利)。
2、本站所有内容均由合作方或网友上传,本站不对文档的完整性、权威性及其观点立场正确性做任何保证或承诺!文档内容仅供研究参考,付费前请自行鉴别。
3、如文档内容存在违规,或者侵犯商业秘密、侵犯著作权等,请点击“违规举报”。

碎片内容

溴素安全检查表危害分析XXXX826

您可能关注的文档

确认删除?
VIP
微信客服
  • 扫码咨询
会员Q群
  • 会员专属群点击这里加入QQ群
客服邮箱
回到顶部